Published by Maciej OWSIŃSKI1, Paweł KLUGE1, Andrzej ŁASICA2, Przemysław SUL2, Tomasz SALAK2, Bartosz ZAJĄC2, Institute of Power Engineering (1), Warsaw University of Technology (2)
Abstract. The paper presents the results of voltage withstand tests and partial discharges measurements made on MV cable accessories made with assembly errors. The tested equipment was subjected to tests developed according to its own program on samples from different manufacturers. The paper presents the results of the discussed tests compared to the prepared reference equipment.
Streszczenie. W pracy przedstawiono wyniki testów wytrzymałości napięciowej i pomiarów wyładowań niezupełnych wykonanych na osprzęcie kablowym SN z błędami montażowymi. Testowany osprzęt poddano testom opracowanym zgodnie z własnym programem, na próbkach od różnych producentów. W pracy przedstawiono wyniki omawianych testów w porównaniu do przygotowanego sprzętu referencyjnego. (Próby wytrzymałości napięciowej i WNZ na mufach kablowych z błędami montażowymi).
Keywords: cable joints, electric field distribution, assembly fault, cable accessories.
Słowa kluczowe: mufy kablowe, rozkład pola elektrycznego, błędy montażowe, osprzęt kablowy.
Introduction
The main problem with cable accessories is that its assembly process is made by a human. It is not important if someone made a good product if it is not assembled in a way that guarantees its work without failures. Proper knowledge and skills of the personnel are extremely important when assembling the cable accessories. Quality of the cable system is very important because of the possibility of causing human life threat, power system failures, and huge financial problems.
Laboratory tests of cable accessories are based on standard requirements [4, 5]. It does not allow for their in-depth analysis and drawing of larger conclusions. Evaluation of the research very often depends only on whether the result will be positive or negative based on the standardized criteria.
However, it should be remembered that the cable accessories themselves are a specific test object, because they are installed by the electrician in the place of use and therefore susceptible to errors. Therefore, this article attempts to describe possible problems that may go unnoticed in the process of normative tests.
The purpose of the research was to check the impact of the process of preparing test specimens and the testing methodology on obtained results. That is why the number of tested samples was limited and some of them were prepared with the same error in the assembly process.
The tested samples had the same design solutions but were produced by different manufacturers. This was to check the similarities of the obtained results for theoretically identical solutions available on the market.
The basic assumption of the work was to perform a series of voltage tests with normalized alternating voltage. Then, on samples with a defect, AC tests were carried out with a value far exceeding the normative requirements in order to check whether, despite the errors, they would be able to withstand such a voltage level.
Two methods were used to check the insulation quality of the tested samples: partial discharges measurements and determination of the dielectric loss – tanδ. Standard requirements do not specify how and when to perform partial discharges measurements after assembly. That is why it has been checked how the measurement results differ from each other in different time periods, without modification of the test objects.
Theoretical basis
Partial discharges are defined as electric discharges occurring in a limited area of insulation, and more precisely in the inhomogeneity of the structure and leading to the initiation of the degradation process, the effect of which will be the penetration of the insulation. In other way, it can be said that defects in insulation systems are the source of partial discharges in the tested objects.
The isolation degradation process itself usually occurs in the area of defects created in the technological process or during the standard usage [1].
One should mention, that partial discharge source may be improper layers assembly for paper insulation or gas inclusions, shown on the simplified diagram in Figure 1.

where: Co – the capacity of the tested object, Cg – a volume of gas inclusion, Co‘, Co” – the volume of newly formed parts of the permanent discharge dielectric
It should be remembered that the use of increasingly high values of an electric field in insulation systems promotes the occurrence of partial discharges. This means that the current trend aimed at minimizing production costs by reducing the number of necessary materials poses a great threat to the proper operation.
In the case of gaseous inclusions in the insulation system being the source of partial discharges, the relationship tanδ = f(U), has a course characterized by an increase in tanδ with exceeding the initial voltage of partial discharges. This means that for test specimens with assembly errors showing a high level of partial discharges should also have a higher level of tanδ then test specimens without errors. Exceeding the ionization voltage leads to an increase in dielectric losses. At a voltage lower than the ionization voltage, the loss power in the dielectric (active and reactive) increases in proportion to the voltage, which means a constant value of the dielectric loss factor tanδ. After exceeding the ionization voltage, when the PD discharges appear, the active losses and tanδ increase significantly. An increase of dielectric loss factor is a signal of overloading the insulation [2].
Description of the Tested Objects
There were 8 test specimens prepared for the tests. These test specimens consisted of 4 different types of cable joints, from 4 different manufacturers. Each of cable accessories types was assembled in the version according to the manufacturer’s instructions and without the electric field stress control mastic. Samples made correctly were marked with the letter “a” while the samples without the electric field stress control, with the letter “b”. Samples marked 1a, 1b, 2a, 2b, 3a, 3b and 4a, 4b were prepared.
Main test objects were cable joints. For this reason, before the assembly of cable joints, specimens with an outdoor termination on both sides were prepared and the level of partial discharges was measured on them. In any case, the level of partial discharges with mounted outdoor terminations did not exceed the background level equal to 2 pC. After that, the specimens were cut in the middle and reconnected with the tested cable joints. This allowed stating that the measured level of discharges comes mainly from the joints and not from the rest of the test samples.
The tested joints were a MV equipment for the voltage level of 12/20 kV. All samples were assembled on the same cable with the producer marking as follows XRUHAKXS 1×120 12/20 kV.

Figure 3 is showing the assembly process of electric field control tape. In samples without this solution, the mastic for controlling the electric field was not installed. The remaining samples were made identically to the ones shown.

Prepared tests program
The prepared research program included tests as follow:
• PD measurement before installation of joints for all test specimens;
• PD measurement after installation of the joints for all test specimens;
• tanδ dielectric loss measurements for all test specimens;
• AC voltage withstand tests: 54 kV / 5 min according to the requirements of the standard [4] for all tested specimens; AC voltage withstand tests 90 kV / 5 min for all specimens without mastic;
• PD measurements after AC voltage withstand tests.
• Re-make of PD measurements for test specimens 1a, 2a, 3a and 4a after 30 days.
Before installing the cable joints, the level of partial discharges of all samples was examined. None exceeded the permissible level of 2 pC. The tests parameter was as follow:
A. Partial Discharge measurements
•The voltage applied: 2U0 for 1 min;
• The voltage has been applied to the conductor, the metallic screen has been grounded.
B. Dielectric loss measurement
• The dielectric tangent stat coefficients were measured for two different values of the applied voltage: U0 and 2U0;
• The voltage was gradually increased at a rate of 1 kV/s;
• The voltage has been applied to the conductor, the metallic screen has been grounded.
C. AC voltage tests
• The dielectric tangent stat coefficients were measured for two different values of the applied voltage: 4.5U0 for 5 minutes and 7.5U0 for 5 min;
• The voltage was gradually increased at a rate of 1 kV/s;
• The voltage has been applied to the conductor, the metallic screen has been grounded.
All PD and tanδ measurements performed to compare the results were performed at the same voltage level of 2U0.
The test stands had appropriate calibrations and the staff performing the measurements consisted of experts, which minimized the measurement errors during the tests.
Before the measurements, each of the test samples been properly cleaned.

Test measuring stands
All tests were carried out at the Institute of Power Engineering in Warsaw and at the Warsaw University of Technology.
A. Partial discharge
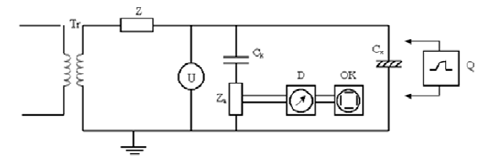
The test and measurement system consisted of Haefely Hipotronics devices: a separation transformer 400/400 V, a voltage regulator, a low-pass filter, a test transformer up to 150 kV, a capacitive voltage divider, a coupling capacitor, a measurement impedance LDM-5/U – Doble Lemke, and digital measuring system for measuring the level of partial discharge PD Smart – Doble Lemke. The electric diagram of the measurement system is shown in Figure 5, and the view of the measurement stand is shown in Figure 4.

where: Tr – TP150 kV test transformer, Z – supply impedance, U – voltage measurement on the control and measurement unit, Ck – coupling capacitor, Za – impedance, D – PD SMART analyzer, OK – PC computer with software for visualization of test results, Cx – a test object [3]
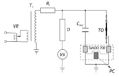
B. Dielectric loss measurement and AC voltage tests
The test and measurement system consisted of: a voltage regulator, a test transformer up to 300 kV, a capacitive voltage divider Phoenix, a standard capacitor and digital measuring system for measuring the tangent delta Omicron TANDO 700. The electric diagram of the measurement system is shown in Figure 6.

where: VR – voltage regulator, T1 – 300 kV test transformer, Rl – limiting resistor, D – voltage divider, kV – voltmeter, CRef – standard capacitor, TO – tested object, TANDO 700 – tan delta measurement system, PC – computer with software for visualization of test results
The research results
All tests were performed according to the prepared research program. Following results have been obtained:
A. Partial discharge results
Table 1. PD results before and after dielectric loss tests and AC voltage tests

As can be seen from the results shown in Table 1, all samples without the electric field stress control mastic have a significantly elevated level of partial discharges. What may be surprising, also two correctly assembled samples were characterized by a fairly high level of partial discharges.
B. Dielectric loss measurement
Table 2. AC voltage tests results for U0 and 2U0 voltage applied

As can be seen from the results in Table 2, most (but not all) of the results of the delta tangent are increased for samples with assembly error. However, they are not clear and it would be difficult to detect a defect in acceptance tests.
C. AC voltage tests results for 4.5U0 and 7.5U0 voltage applied
Table 3. AC voltage tests results for 4.5U0 and 7.5U0 voltage applied

Sample No. 4b failed during the first AC voltage withstand test at the 40 kV voltage level. All other samples with assembly errors have been tested with AC voltage at 90 kV, and the results for samples 1b, 2b and 3b were positive. As can also be seen, the voltage test does not allow for the detection of a serious assembly error in most cases.
Summary
Described researches have allowed obtaining a new approach to the testing of cable accessories. In accordance with the adopted assumptions, it has been shown that in the discussed case the influence of the preparation of test specimens and research methodology have a huge impact on the obtained test results.
Figure 7 shows the relationship between PD measurements and tanδ results from tests.
As can be seen, the results obtained during PD and tanδ measurements are not convergent. The high value of partial discharges is not always identical with the increased dielectric loss factor.
During the tests, it was confirmed that PD measurements should not be made immediately after the assembly of the test specimens, because due to the construction of the samples, the measurement results are not reliable. Diagrams 8 and 9 are showing confirmations for this conclusion.




The obtained results show that AC voltage withstands tests do not have to break down test samples after its assembly despite installation errors. That conclusion is confirmed based on test results showing that only 1 of 4 tested samples without the electric field stress control mastic did not pass the test (Figure 10).
Conclusion
In the given case, it can be seen that without proper care during measurements, obtained results can lead to wrong conclusions. The following conclusions were drawn from the studies of test results:
• Despite the presented theoretical foundations, in this case, the obtained results did not show the relationship between the level of partial discharges and the tanδ dielectric loss for cable accessories tests;
• Standardization does not give any information about when to do PD measurements after test specimens assembly. The results obtained show that they can change over time and this has an impact on the test result;
• The voltage test in very few cases allows detection of assembly errors at an early stage. It should be taken under consideration during the tests results evaluation.
REFERENCES
[1] Duda D., Gacek Z.: Propozycja kwalifikowania i ustalania kolejności badań diagnostycznych linii kablowych, Przegląd Elektrotechniczny, No. 11b, 2012, 166-169
[2] Florkowska B., Florkowski M., Włodek R., Zydroń P.: Mechanizmy, pomiary i analiza wyładowań niezupełnych w diagnostyce układów izolacyjnych wysokiego napięcia. Wydawnictwo IPPT PAN, Warszawa 2001.
[3] Sul P., Owsiński M., Stepnowska D., Sobolewski K., Samsel S.: Laboratoryjne stanowiska badawcze do pomiaru intensywności wyładowań niezupełnych jako podstawa współczesnej oceny jakości izolacji urządzeń elektroenergetycznych. Biuletyn Techniczny Oddziału Krakowskiego SEP, No. 2 (65), 2016
[4] HD 629.1 S2: 2006 Test requirements on accessories for use on power cables of rated voltage from 3,6/6(7,2) kV up to 20,8/36(42) kV Part 1: Cables with extruded insulation.
[5] IEC 60270: 2003 High-voltage test techniques. Partial discharge measurement.
Authors: Maciej Owsiński, Paweł Kluge, Institute of Power Engineering High Current Laboratory ul. Mory 8, 01-330 Warszawa, E-mail: maciej.owsinski@ien.com.pl; pawel.kluge@ien.com.pl; Andrzej Łasica, Przemysław Sul, Tomasz Salak, Bartosz Zając Warsaw University of Technology, Institute of Theory of Electrical Engineering, Measurement and Information Systems, ul. Koszykowa 75, 00-661 Warszawa; alasica@ee.pw.edu.pl, przemyslaw.sul@ee.pw.edu.pl.
Source & Publisher Item Identifier: PRZEGLĄD ELEKTROTECHNICZNY, ISSN 0033-2097, R. 96 NR 1/2020. doi:10.15199/48.2020.01.05






















































































































