Published by Habitamu Endalamaew KASSAHUN1, Ayodeji Olalekan SALAU2,4, Oluwafunso Oluwole OSALONI2, Olawale Joshua OLALUYI3, Department of Electrical and Computer Engineering, University of Gondar, Gondar, Ethiopia (1), Department of Electrical/Electronics and Computer Engineering, Afe Babalola University, Ado-Ekiti, Nigeria (2), Department of Electrical and Electronics Engineering, Bamidele Olumilua University of Science, Education, and Technology, Ikere-Ekiti, Nigeria (3), Saveetha School of Engineering, Saveetha Institute of Medical and Technical Sciences, India (4)
Abstract. This paper describes how fuzzy based STATCOM was used to improve the small signal stability of Tis Abay II electric power generation. Tis Abay II is a power generation facility in Ethiopia, located in the Bahir Dar Amhara region, with a nominal apparent power generating capacity of 40MVA. The oscillating nature of a rotating machine, the imbalance of load and generation, the presence of exciter and compensator, and the occurrence of faults all contribute to the disruption on an interconnected power network. The frequency oscillation of the existing plant was evaluated in the absence of a power system stabilizer (PSS) and an adaptive fuzzy logic controller (AFLC). The proposed system network configuration was used to fine-tune the mathematical analysis of synchronous machine data and model. The proposed model incorporates SMIB system modeling and an AFLC. MATLAB Simulink was used to simulate the effect of the PSS and AFLC on rotor speed, angle, and electrical torque. The proposed system’s power system dynamic stability was improved using a PSS and a fuzzy logic-based STATCOM. According to the simulation results, FLCbased STATCOM is best suited for improving the dynamic stability of Tis Abay II power generation.
Streszczenie. W tym artykule opisano, w jaki sposób STATCOM oparty na rozmyciu został wykorzystany do poprawy stabilności małych sygnałów w wytwarzaniu energii elektrycznej Tis Abay II. Tis Abay II to zakład energetyczny w Etiopii, położony w regionie Bahir Dar Amhara, o nominalnej mocy pozornej wytwarzania 40MVA. Oscylacyjny charakter maszyny wirującej, niezrównoważenie obciążenia i generacji, obecność wzbudnicy i kompensatora oraz występowanie usterek przyczyniają się do zakłóceń w połączonej sieci energetycznej. Oscylacje częstotliwości istniejącej elektrowni zostały ocenione przy braku stabilizatora systemu elektroenergetycznego (PSS) i adaptacyjnego sterownika logiki rozmytej (AFLC). Zaproponowana konfiguracja sieci systemu została wykorzystana do dostrojenia analizy matematycznej danych i modelu maszyny synchronicznej. Proponowany model obejmuje modelowanie systemu SMIB i AFLC. MATLAB Simulink wykorzystano do symulacji wpływu PSS i AFLC na prędkość wirnika, kąt i moment elektryczny. Stabilność dynamiczna systemu elektroenergetycznego proponowanego systemu została poprawiona za pomocą PSS i STATCOM opartego na logice rozmytej. Zgodnie z wynikami symulacji, STATCOM oparty na FLC najlepiej nadaje się do poprawy dynamicznej stabilności generacji Tis Abay II. (Wzmocnienie stabilności małego sygnału systemu zasilania za pomocą STATCOM opartego na rozmytych)
Keywords: Fuzzy logic controller, Stability, Power system, PSS, STATCOM
Słowa kluczowe: Sterownik logiki rozmytej, stabilność, system zasilania, PSS, STATCOM
Introduction
Electricity in Ethiopia is primarily generated by hydropower plants. Wind power, geothermal energy, and isolated solar power are other sources of energy. The advantages of dc power transmission over ac power transmission are greater. Converting alternating current to direct current and direct current to alternating current necessitates the use of converters, which affect the deviation of the power system’s synchronous machine rotor angle, speed, and electrical torque [1]. A power systems synchronous machine’s electrical torque, speed, and angle deviation are common causes of dynamic instability issues. The power system parameter deviation are caused due to presence of power electronic converters, variation of load in the power system network and the nature of mechanical oscillation of synchronous machine rotor [2].
Dynamic stability problem depends on the behavior of the synchronous generators after generators have been perturbed. Synchronous machine will remain with normal state or regain its original state of operation if there is no any net change in power generation and demand connected to the system [3].
In power system network, lack damping and synchronizing torque will face the system response with larger amplitude and frequency deviation. Majorly the work is on improving the synchronizing and damping torque to the proposed model Tis Abay II power plant. Adding power system stabilizer (PSS) as well as fuzzy logic controller (FLC) solves the problems of dynamic instability issue. The overall diagram of a power system stability is represented in Fig .1. This paper is structured in incorporating introduction for the study, related work with this paper, methodology for solving the problem, simulation result of the proposed system and drawn conclusion.

Related Works
A conventional PSS was presented for power system network’s dynamic stability in [4]. Particle swarm optimization was used to create a proper design for the PSS based on the system performance. The dynamic system response is then analyzed after the designed PSS model was implemented. The system response with the PSS was improved, and the PSS was successful in stabilizing the unstable system because the simulation results without the PSS showed an unacceptable system response. The authors of [5] suggested using STATCOM in conjunction with a PSS controller to dampen oscillation in a single machine infinite bus (SMIB) system. MATLAB software was used to get the simulation results. By damping low frequency oscillation with less overshoot and a shorter settling time, the PSS controller’s damping capability outperforms the Lead-Lag controller-designed model. \
The effectiveness of fuzzy logic-based adaptive PSS for improving the stability of a SMIB power system was examined by the authors in [6]. In order to reduce the low frequency oscillations in the power system network, the PSS was used to produce supplemental control signals for the excitation system. In this case, the FLC’s two inputs are speed deviation and accelerated power. If-Then rules serve as a representation of the FLC’s inference mechanism. The results of the system with PSS and the fuzzy logic PSS’s performance were obtained. Different kinds of conditions were used to test via simulation. The authors in [7] presented a brand-new, unconventional approach to optimization for designing fuzzy-based PSS for a SMIB system. Simulated outcomes have shown how effective this strong algorithm is. It is demonstrated that the suggested robust optimization improves the system’s dynamic stability and offers good damping characteristics. Compared to conventionally tuned PSS, it is more robust to changes in system load. This research can be used to develop systematic methods of design and analysis for fuzzy-based stabilization controls like Particle Swam optimization (PSO) and Ant Colony Optimization as the number of energy suppliers connected to the network rises. For SMIB systems, the simulation results of the two parameter optimization techniques were compared, and their efficacy could be examined. By using a linearized state space model for a SMIB system, authors in [8] presented a PSO optimized PSS to improve the dynamic stability of a power system. To improve outcomes and increase stability, various input and output parameters of the PSS controller are optimized using the PSO technique. The angular speed deviation and acceleration were selected as the inputs to the PSS controller out of the available options. Additionally, for a variety of parameters, the behavior of the conventional controller, PSS controller, and PSO optimized PSS was determined. The work in [9] described a unique control design for a strong action power system stabilizer for a nuclear power plant synchronous machine that is coupled to a large power grid to build a multi-machine power system. A strong action power system stabilizer can achieve system stability, allowing for a large increase in stability margin during the steady-state phase. It efficiently dampens oscillations while also stabilizing sub- and transitory processes. It also aids in preventing unexpected drops in bus-bar voltage.
The impacts of fluctuations in PV power and system disturbances on generator speed deviations are collected and used in the development of the cost function to be optimized in [10]. The IEEE 68 bus 16 generator benchmark New England-New York power system was investigated, as well as utility scale PV generation sources. According to the simulation work in [11], under low loading, both BESS base active and reactive power stabilizers are less effective than PSS. However, as the operational conditions of the power system vary, only the BESS active power stabilizer provides robustness. Its Eigen value has not changed significantly.
Methodology
To identify the knowledge gap, related papers to this work were examined. The Tis Abay II power plant’s dynamic instability issue was investigated. In the initial stages of the study, the necessary data as well as the machine’s useful and significant specification were gathered. Tis Abay II Generation station is one power plant in Ethiopia which experiences stability issues due to load imbalances with the generation, the presence of power electronic converters in the system, and HVDC converters. The required standard parameters for synchronous generator and turbine are acquired from the network system. The resource’s parameters were gathered in order to conduct the necessary component selection. The necessary data was chosen for the simulation after the overall data was obtained from secondary sources. After the necessary simulation was completed, the expected result is determined and analyzed. In order to check the proposed hypothesis, the required individual components like: Synchronous machine modeling, FLC, and STATCOM were examined. The modeled system is simulated using MATLAB Simulink software and tested using all of the modeled components found in the SMIB test system. The simulated result was then analyzed and contrasted.
Power System Modeling
The proposed block diagram for the SMIB system model is shown in Fig. 2. The original system model comprises of excitation, governor, turbine and synchronous generator. Fuzzy logic controller (FLC) and static synchronous condenser are added to the old system model in order to observe the effect of changes in parameters on the small signal stability of the machine.


Modeling of Synchronous Generator
Real data from Ethiopian Electric Power was gathered in order to model the SMIB system for the study. Other important data for the study were gained from the recently published related paper. The information gathered was used to conduct a mathematical analysis for modeling the suggested system. Synchronous generator and step-up transformer are included in the suggested SMIB model as shown in Fig. 3. The respective numerical values are represented in the modeled system of power plant. The generated terminal voltage and infinite bus voltage is represented by V1 and V2, respectively.
The required parameters of the synchronous machine are represented in Table 1. The synchronous generators parameters are used for the dynamic modeling and mathematical analysis of the SMIB system.
Equation (1) is the dynamic equation of a power system synchronous machine. It represents a second order differential equation of rotor angle to input mechanical relationship.

Equation (2) is Laplace transform of the dynamic equation derived from (1) presented in vector-matrix form.

Table 1. TIS ABAY II Synchronous Generator’s Parameters

Equation (3) is the time response of the SMIB system rotor angular deviation and variables speed deviation is represented in matrix form.

Equation (4) is the general state space model of Tis Abay II power system plant.

Equation (5) is the complete state space model of power system including excitation system

Fuzzy logic controller
Fuzzy logic is a mathematical approach that is based on control system, which analyses analog input values in terms of logic variables that take on continuous values between 0 and 1, in contrast to digital logic, which operates on discrete values of either 0 or 1 is said to be a fuzzy control system [12-15]. Fuzzy logic is frequently employed in machine control, and it is used to enhance dynamic stability. The term “fuzzy” refers to the ability of the underlying logic to deal with ideas that cannot be expressed as true or false but rather as somewhat true [16-18]. Fig. 4 depicts the developed fuzzy logic inference system.


Table 2. Decision Table.





The system regulates how the input and output parameters generally interact. Each entity in the table has a unique description of the decision rule. During the process of creating the decision table, a decision can be made directly without the need to modify the entity until the desired system output is obtained. The system dynamics is highly nonlinear and not known due to defining the rules. A trial-and-error approach is applied to every significant system rule.
The membership grade and the range of the variables are shown in Fig. 5. Among the different membership functions, the most suitable membership function is the triangular membership function.
The fuzzy inference system of the proposed model of the power system is shown in Fig. 6. In the fuzzy inference system FLC block, two inputs and one output parameters are considered. The decision table to assess the stability of the synchronous alternator’s speed deviation and acceleration is displayed in Table 2.
Figures 7, 8, and 9 show, respectively, the rule base and rule viewer of FLC as well as the membership function for output voltage deviation. The rule base of fuzzy logic follows “IF- THEN” rule with “and” conjunction.
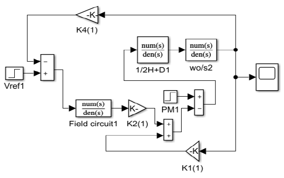
Fig. 10 represents the block diagram of a power system with FLC to damp out low frequency oscillation. The proposed system is modeled with fuzzy and without static synchronous compensator.

The system’s MATLAB simulation’s overall block diagram is shown in Fig. 11. To enhance the dynamic stability of the power system, fuzzy logic is combined with STATCOM. The effect of small signal stability of a SMIB system is analyzed in the diagram whether a power system stabilizer (PSS) is present or not.

Simulation Results and Discussion
For the involvement of FLC for dynamic stability of Tis Abay II generation plant, the plant responds electrical torque, rotor angle and rotor speed deviation. Fig. 12 shows the MATLAB Simulink block diagram of the SMIB system. It contains an angular speed deviation block, a damping constant, and a field circuit. Fig. 13 shows the simulation result of electrical torque, rotor angle, and speed deviation of the Tis Abay II power plant. The simulation of the test system was carried out using FLC and without. The simulink model of the system is shown in Fig. 14.





The results of SMIB system with STATCOM controller, STATCOM with PSS and STATCOM with FLC were obtained and are shown in Fig. 15.
When the system is connected with a fuzzy-based STATCOM controller, all three of the proposed system signals are simulated with lower peak amplitudes and shorter settling times. Table 3 provides the comparative analysis of the controllers. The outcomes demonstrate that the FLC-based STATCOM controller outperformed other controllers.
Table 3. Comparison of Test System with Fuzzy and STATCOM.

Conclusion
In this study, dynamic power system small signal stability enhancement using power system stabilizer (PSS), fuzzy logic controller (FLC) and static synchronous compensator stabilizer when applied independently and also through coordinated application was investigated for Tis Abay II power plant. The required standard data for mathematical analysis and investigation of the system is taken from Ethiopian Electric Power data and nameplate. The simulation was carried out on MATLAB Simulink software. The power system network of simulation response of existing system and with FLC based STATCOM was analyzed. The response of rotor angle and rotor speed deviation is obtained for Tis Abay II synchronous machine. Methods used for small signal stability enhancement includes static synchronous compensator, conventional PSS, and FLC. The effectiveness of damping frequency oscillation of the system with FLC is more effective than conventional PSS. Simulation result shows that the oscillation of rotor angle response with STATCOM and FLC for single machine infinite bus (SMIB) system is damped at 0.2s with amplitude of 0.5p.u. Whereas, the oscillation of the rotor angle response with conventional PSS is damped at 3.5s with amplitude of 0.8p.u. Frequency oscillation of a power system is damped using a STATCOM, connected at the point common coupling of SMIB system with fuzzy logicbased controller. Performance of static synchronous compensator, PSS, and FLC for damping low frequency oscillation was compared. In general, using STATCOM with fuzzy logic-based controller provides good damping of local mode oscillation, low overshoot and less settling time response.
Acknowledgement: The authors acknowledge the support given to them by Afe Babalola University, Ado-Ekiti towards the publication of this paper.
REFERENCES
[1] Ansari, J., Abbasi, A. R., Heydari, M. H., & Avazzadeh, Z. (2021). Simultaneous design of fuzzy PSS and fuzzy STATCOM controllers for power system stability enhancement. Alexandria Engineering Journal. DOI: 10.1016/j.aej.2021.08.007
[2] Y. Peng, Z. Shuai, L. Che, M. Lyu and Z. J. Shen, “Dynamic stability improvment and accurate power regulation of single virtual oscillator based microgrids,” IEEE Transactions on sustainabe energy, vol. 13, no. 1, pp. 277-289, 2022.
[3] I X. He and H. Geng, “Transient Stability of Power Systems Integrated With Inverter-Based Generation,” in IEEE Transactions on power systems, vol. 36, no. 1, pp. 553-556, 2021.
[4] M. Santos, G. C. Santana, M. d. Campos, M. Sperando and P. S. Sausen, “Performance of Controller Designs in Small- Disturbance Angle Stability of Power Systems with Parametric Uncertainties,” in IEEE Latin America Transactions, vol. 19, no. 12, pp. 2054-2061, 2021.
[5] A. A. Alsakati, C. A. Vaithilingam, J. Alnasseir and A. Jagadeeshwaran, “Transient Stability Improvement of Power System using Power System Stabilizer Integrated with Excitation System,” in 11th IEEE International Conference on Control System, Computing and Engineering (ICCSCE), 2021.
[6] Z. A. Obaid, R. A. Mejeed and A. Al-Mashhadani, “Investigating the Impact of using Modern Power System Stabilizers on Frequency Stability in Large Dynamic Multi-Machine Power System,” in 55th International Universities Power Engineering Conference (UPEC), 2020.
[7] L. Juarez and S. Mondie, “Dynamic predictor-based controls: a time-domain stability analysis,” in IEEE Latin America Transactions, 2019.
[8] F. Milano and A. O. Manjavacas, “Frequency-Dependent Model for Transient Stability Analysis,” in IEEE Transactions on Power Systems, vol. 34, no. 1, pp. 806-809, 2019.
[9] A. Abou-El-Soud, S. H. A.Elbanna and W. Sabry, “A Strong Action Power System Stabilizer Application in a Multi-machine Power System Containing a Nuclear Power Plant,” in 16th Conference on Electrical Machines, Drives and Power Systems (ELMA), 2019. DOI: 10.1109/elma.2019.8771641
[10] P. Arunagirinathan, Y. Wei, A. Arzani and G. K. Venayagamoorthy, “Wide-Area Situational Awareness based Power System Stabilizer Tuning with Utility Scale PV Integration,” in Clemson University Power Systems Conference (PSC), 2018. DOI: 10.1109/psc.2018.8664045
[11] S. Sajid, Q. Zheng, S. R. Laraib, A. Hussain and F. Majeed, “An impact of influence of power system operating condition over different type of PSS in a SMIB,” in IEEE Student Conference on Electric Machines and Systems, 2018. DOI: 10.1109/scems.2018.8624808
[12] W. Aslam, Y. Xu, A. Siddique, A. Nawaz and M. Rasheed, “Electrical Power System Stability Enhancement by Using an Optimal Fuzzy PID Controller for TCSC with Dual TCRs,” in IEEE 3rd International Conference on Integrated Circuits and Microsystems (ICICM), 2018.
[13] R. Kumar and M. Kumar, “Improvement power system stability using Unified Power Flow Controller based on hybrid Fuzzy Logic-PID tuning In SMIB system,” in International Conference on Green Computing and Internet of Things (ICGCIoT), 2015.
[14] A.O. Salau and H. Takele, “Towards the Optimal Performance of Washing Machines Using Fuzzy Logic,” Scientific Programming, Vol. 2022, 8061063, 2022. DOI: 10.1155/2022/8061063
[15] A.W. Yesgat, A.O. Salau, H.E. Kassahun, “Fuzzy Based Sliding Mode Control of Vector Controlled Multiphase Induction Motor Drive under Load Fluctuation,” Journal of Electrical and Electronics Engineering, vol. 15, no. 2, pp. 98-105, 2022.
[16] J. Bhukya and V. Mahajan, “Parameter tuning of PSS and STATCOM controllers using genetic algorithm for improvement of small-signal and transient stability of power systems with wind power,” International Transactions on Electrical Energy Systems, vol. 31, no. 7, 2021. DOI: 10.1002/2050-7038.12912
[17] H.E. Kassahun, A.O. Salau, and S.H. Mohammed, “Comparative Analysis of Controllers for Power System Dynamic Stability Improvement,” 2022 International Conference on Decision Aid Sciences and Applications (DASA), pp. 1732- 1736, 2022. DOI: 10.1109/DASA54658.2022.9765219.
[18] T. Weldcherkos, A.O. Salau, A. Ashagrie, “Modeling and design of an automatic generation control for hydropower plants using Neuro-Fuzzy controller,” Energy Reports, vol.7, pp. 6626-6637, 2021. DOI: 10.1016/j.egyr.2021.09.143
Authors: Mr. Habitamu Endalamaew KASSAHUN Department of Electrical and Computer Engineering, University of Gondar, Gondar, Ethiopia;
Dr. Ayodeji Olalekan SALAU, Department of Electrical/Electronics and Computer Engineering, Afe Babalola University, Ado-Ekiti, Nigeria. Corresponding Author E-mail: ayodejisalau98@gmail.com
Dr. Oluwafunso Oluwole OSALONI, Department of Electrical/Electronics and Computer Engineering, Afe Babalola University, Ado-Ekiti, Nigeria.
Mr. Olawale Joshua Olaluyi, Department of Electrical and Electronics Engineering, Bamidele Olumilua University of Science, Education, and Technology, Ikere-Ekiti, Nigeria.
Source & Publisher Item Identifier: PRZEGLĄD ELEKTROTECHNICZNY, ISSN 0033-2097, R. 99 NR 8/2023. doi:10.15199/48.2023.08.05