Published by Electrotek Concepts, Inc., PQSoft Case Study: Flickering Lights Wiring and Grounding Case Study, Document ID: PQS0403, March 30, 2004.
Abstract: This case study concerns a residential electrical system. The homeowners were experiencing light flicker when loads were energized and de-energized in their home.
INTRODUCTION
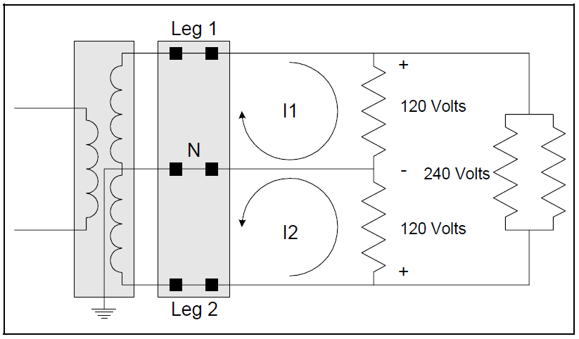
Residential electric systems are served from single-phase transformers employing a spilt secondary winding, often referred to as a single-phase 3-wire system. This type of transformer is used to deliver both 120 volt and 240-volt single-phase power to the residential loads. The primary of the transformer is often served from a 12kV to 15kV distribution system by the local utility. Figure 1 illustrates the concept of a split phase system.

When this type of service is operating properly, 120 volts can be measured from either leg to the neutral conductor. Due to the polarity of the secondary windings in the transformer, the polarity of each 120-volt leg is opposite the other, thus allowing a total of 240 volts between each leg as illustrated. The proper operation of this type of system is dependent on the physical connection of the neutral conductor or center tap of the secondary winding. If the neutral connection is removed, 240 volts will remain across the two legs, but the line to neutral voltage for either phase can be shifted, causing either a low or high voltage from line to neutral.
Most loads—lighting, televisions, microwaves, home electronics, etc.—in a residential dwelling are operated from 120 volts. However, there are a few major loads that incorporate the use of the 240 volts available. These loads include electric water heaters, electric stoves and ovens, heat pumps, etc.
THE PROBLEM
In this case, there were problems in the residence that caused the homeowner to question the integrity of the power system serving his home. On occasion, the lights would flicker erratically when the washing machine and dryer were operating at the same time. When large single-phase loads were operated, low power incandescent light bulb intensity would flicker.
Measurements were performed at several 120-volt outlets throughout the house. When the microwave was operated, the voltage at several of the 120-volt outlets would increase from 120 volts nominal to 128 volts. The voltage would return to normal after the microwave was turned off. The voltage would also increase when a 1500-Watt space heater was operated. It was determined that the voltage would decrease to approximately 112 volts on the leg from which the large load was served. After the measurements confirmed suspicions of high and low voltages during heavy load operation, finding the source of the problem was the next task at hand.
The hunt began at the service entrance to the house. A visual inspection was made of the meter base & socket after the meter was removed by the local utility. It was discovered that one of the neutral connectors was loose. While attempting to re-tighten this connector, the connector fell off of the meter socket into the bottom of the meter base (see Figure 2). Could this be the cause of the flickering voltage? Let’s examine the effects of the loose neutral connection.

Figure 3 and Figure 4 will be referred to several times during this discussion. Under normal conditions with a solid neutral connection (Figure 3), load current flows through each leg and is returned to the source through the neutral conductor. There is very little impedance in either the hot or the neutral conductor; therefore, no appreciable voltage drop exists.
When the neutral is loose or missing, a significant voltage can develop across the neutral connection in the meter base, as illustrated in Figure 4. When a large load is connected across Leg 1 to N and the other leg is lightly loaded (i.e. Leg 1 to N is approximately 10 times the load on Leg 2 to N), the current flowing through the neutral will develop a voltage across the loose connection. This voltage is in phase with the voltage from Leg 1 to N’ (see Figure 4) and the total voltage from Leg 1 to N will be 120 volts. However, the voltage supplied to any loads connected from Leg 2 to N’ will rise to 128 volts, as illustrated in Figure 4. The total voltage across the Leg 1 and Leg 2 must remain constant at 240 volts. It should be noted that the voltage from Leg 2 to N will be 120 volts since the voltage across the loose connection is 180 degrees out of phase with the Leg 2 to N’ voltage.
Therefore, with the missing neutral connection, the voltage from Leg 2 to N’ would rise causing the light flicker. This explains the rise in voltage when a large load was energized on the system.


THE SOLUTION
The solution in this case was simple – replace the failed connector.
SUMMARY
Over time the neutral connector had become loose. This loose connection caused heating, which in turn caused the threads on the connector to become worn, and the connector failed. After replacing the connector in the meter base, the flickering light phenomena disappeared.
On systems of this type, if a voltage rise occurs when loads are energized; it is a good indication that the neutral connection may be loose or missing.
RELATED STANDARDS
IEEE Standard 1100-1999 – Power and Grounding Electronic Equipment
IEEE Standard 142-1991 – Grounding of industrial and Commercial Power Systems
The National Electric Code (NEC) – Current Revision
GLOSSARY AND ACRONYMS
Neutral: A system or circuit conductor that is intentionally grounded. Also known as the “grounded” conductor.
KV: One kV is equal to one thousand volts.