Published by 1. Estifanos Dagnew Mitiku1, 2. Gebrie Teshome Aduye2, 3. S. Abdul Rahman3, 4. Mahilet Mentesinot Abuhay4, Electrical & Computer Engineering Department, Institute of Technology, University of Gondar, Ethiopia (1, 2, 3), Industrial Engineering Department, Institute of Technology, University of Gondar, Ethiopia (4) ORCID. 1. 0000-0002-6613-3979, 2. 0000-0003-1184-9184, 3. 0000-0003-0134-8028, 4. 0000-0001-7554-8562
Abstract: The paper presents performance comparison of harmonic filters for the reduction of harmonic distortion in an industrial power system, i.e., National Tobacco Enterprise, an industry found in Ethiopia. The performance comparison is done for single tuned, double tuned, high pass and Ctype harmonic filter. As a result, the double tuned harmonic filter provides a better performance than the other type of filters by giving a reduced Total Harmonic Distortion for the voltage and current waveforms. MATLAB/SIMULINK simulation results are presented for validating the analysis.
Streszczenie. W artykule przedstawiono porównanie wydajności filtrów harmonicznych do redukcji zniekształceń harmonicznych w przemysłowym systemie elektroenergetycznym, tj. National Tobacco Enterprise, przemysł znajdujący się w Etiopii. Porównanie wydajności jest dokonywane dla pojedynczego strojonego, podwójnie strojonego, górnoprzepustowego i typu C filtra harmonicznego. W rezultacie podwójnie dostrojony filtr harmonicznych zapewnia lepszą wydajność niż inne typy filtrów, zapewniając zmniejszone całkowite zniekształcenie harmoniczne dla przebiegów napięcia i prądu. Przedstawiono wyniki symulacji MATLAB/SIMULINK w celu weryfikacji analizy. (Porównanie wydajności filtrów harmonicznych w przemysłowym systemie zasilania w celu redukcji zniekształceń harmonicznych)
Keywords: Harmonic Filters, Harmonic Distortion, Total Harmonic Distortion, MATLAB/SIMULINK.
Słowa kluczowe: fitr, harmoniczne, THD
Introduction
Power quality (PQ) is an issue to both utilities and electricity consumers at all levels of usage. One of the PQ problems is harmonics which is a sinusoidal component of a periodic wave or quantity having a frequency that is an integral multiple of the fundamental frequency, i.e., 50Hz or 60Hz [1]. Harmonic voltages occur as a result of current harmonics, which are created and drawn by non linear electronic loads, injected to the supply system [2]. National Tobacco Enterprise (NTE) is one of the largest industries which are located in Ethiopia, supplied through a 15kV feeder emanating from the nearby substation. It has two, 630KVA transformers that supply power to linear and nonlinear loads. The non-linear loads cause harmonic distortion resulted in loss of data, overheating or damage to sensitive equipment and overloading of capacitor banks. As a result, single tuned, double tuned, high pass and c-type harmonic filters are employed independently for the reduction of harmonic filters and their performance is compared. The paper in [3], present how to suppress distortions by using the non-linearity current index to determine the shunt single-tuned passive filter compensator value. The paper in [4], describes design of passive filter to reduce the harmonics emitted by power electronic devices in a hybrid, micro-grid network with nonlinear load, energy storage, wind turbine and solar cell. The paper in [5], presents selection of tuning and quality factor to design a single-tuned passive harmonic filter. The paper in [6], describes the effect of single tuned harmonic filter on grid connected PV system and its impact on harmonics and power factor. The paper in [7], aims to design a single tuned filter and testing it in simple model using ETA P to analyze harmonics variation of the harmonic filter in a power system. The study in [8], discusses the use of single tuned passive filters in reducing harmonics in the plastics processing industry. The focus of the paper in [9], was to study the performance of single tuned passive harmonic filter by manipulating the Q-factor in the design. Various types of damped double tuned filters are designed for different nonlinear loads for harmonic reduction has been discussed in [10]. A new method of designing double-tuned filter is proposed based on resonance frequency, by using the relationship that the impedance of double-tuned filter and two parallel single tuned filters is equal and the resonance frequency of single tuned filter is the zero of the impedance of double-tuned filter is presented in [11]. The paper in [12], presents a double tuned passive filter was designed with the parameters of two parallel single tuned passive filters and the results are simulated using MATLAB/SIMULINK software. The paper in [13], presents PQ improvement based on high pass filter for a nonlinear RL-load connected to a single phase ac supply which can simultaneously improve the PQ and control the reactive power requirement of the load. The study in [14], uses passive harmonic filter to mitigate the harmonic voltage distortion in a power system that contained the roughing mill (RM) and finishing mill (FM) electric motor drives. The paper in [15], presents the design of two passive filters to reduce the current harmonics produced by nonlinear loads in industrial power system using MATLAB /Simulink software. The research work in [16], consists of harmonic simulation based on optimal design of C-type filter using Proteus software and hardware implementation with C-type filter and second order high-pass filter. The paper in [17], presents the new C-type high harmonic power filter design process to reduce the total harmonic distortion in an industrial power supply system. The article in [18], presents a method for selecting the elements of a C-type filter working with a conventional LC-type filter for compensating reactive power and filtering out higher harmonics generated by arc furnaces and ladle furnaces. The performance of a single tuned filter and C-type filter is compared in [19], to reduce harmonic content in an electric power distribution network system in the cement industry. To mitigate the other types of PQ problems different techniques have been applied [20]–[27].
From the above literature survey it could be observed that single tuned, double tuned, high pass and c-type harmonic filters were applied independently for the mitigation of harmonic distortion. In this paper, performance comparison of single tuned, double tuned, high pass and c-type harmonic filters in industrial power systems for harmonic distortion reduction is analysed and the THD value of each of the harmonic filters is used for comparison.
Harmonic distortion measurement at the industry
To assess the level of harmonic distortion in the industry power system, monitoring has to be performed at the service entrance points of the industry at the Points of Common Coupling (PCC), the tapping point on the 15kV feeders. However, as the distance and line impedance, from PCC to the primary of the transformer is negligible, the primaries are taken as PCC as shown in figure 1 [2].

The harmonic distortion in the industry is measured while all the machines are working at the same time, to observe the cumulative characteristics of the industrial loads and data collection is accomplished through direct measurement. Having made suitable analysis, the collected data are computed and compared with acceptable values set by standards of IEEE recommended practice for harmonic control [28]. Table 1: Current distortion limits for general distribution systems (120V to 69 000V) [2].Fig. 1: Monitoring location and point of common coupling. The harmonic distortion in the industry is measured while all the machines are working at the same time, to observe the cumulative characteristics of the industrial loads and data collection is accomplished through direct measurement. Having made suitable analysis, the collected data are computed and compared with acceptable values set by standards of IEEE recommended practice for harmonic control [28].
Table 1. Current distortion limits for general distribution systems (120V to 69 000V) [2].

Short circuit current and rated current of 15kV feeder at the PCC are averaged to be 10kA and 1000A respectively, which gives ISC/IL ratio in the range of <20. Then, the TDD values of the current harmonics should not exceed 5% at the PCC. The requirement of the utility to provide good quality of voltage is listed in table 2.
Table 2. Voltage distortion limits [2].

The maximum voltage and current harmonic contents of the industry when it works at full load are shown in table 3.
Table 3. Maximum voltage and current harmonics level at NTE

It is observed from the recorded data that the dominant harmonic currents are the 5th and 7th harmonics and the total current THD value for the three phases is 18.10%, 18.33% and 18.44%, respectively at the PCC which is beyond the IEEE standards, i.e., 5%. Since the current THD values are beyond the standard values, single tuned, double tuned, high pass and c-type harmonic filters with their designed parameters are applied to reduce the harmonic distortion and their performance is compared based on the current THD percentage values when each of the harmonic filters are applied.
Principle of operation
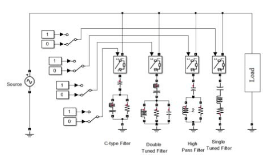
The circuit used for the reduction of harmonic distortion is shown in figure 2. It consists of switches, single tuned, double tuned, high pass and c-type harmonic filters and the load. Due to the non-linear loads of the industrial power system, as harmonic currents are injected to the system the voltage and current waveforms are distorted. Harmonic filters with their designed values and respective switches are applied independently to compare the performance of the harmonic filters and they are switched ON and switched OFF to reduce the harmonic distortion. At first, the single tuned filter switch is ON while the other switches are OFF. Then, the high pass filter switch is ON while the other switches are OFF. Next, the double tuned filter switch is ON while the other switches are OFF. Finally, the C-type filter switch is ON while the other switches are OFF. For simplicity, only one phase is considered out of the three phases as power is taken from the same phase to mitigate the harmonic distortion to show the control circuit.

Simulation Results
The harmonic distortions have been simulated using MATLAB/SIMULINK software. The harmonic filters such as single tuned, double tuned, high pass and c-type filters are simulated with the designed values in order to compare their performance in the reduction of harmonic distortion occurred in the industrial power system due to non linear loads. The voltage and current waveforms both from the source side and the load side before and after applying the harmonic filters are presented below for comparison. The industry has non-linear loads which are supplied by the utility from the nearby substation and non-linear loads draw harmonic currents of a distorted waveform. The simulation is performed with the designed values of the harmonic filters with a nominal line to line voltage of 400V, operating frequency of 50Hz, nominal reactive power of 50KVAR, quality factor of 7 and the tuning frequency is set for the 5th and 7th harmonics.
The voltage and current waveforms before applying the harmonic filters is shown in figure 3.


The industry has non-linear loads which are supplied by the utility and these loads draw a distorted harmonic voltage and current waveform as shown in figure 3 and from the Fast Fourier Transform (FFT) analysis as shown in figure 4 the THD value is 18.33%, which is above the IEEE standard acceptable limit, i.e. 5% for this study. Therefore, to reduce the harmonic distortion, single tuned, double tuned, high pass and c-type harmonic filters are designed and placed at the appropriate location at the industrial power system; consequently, the harmonic distortion is reduced and their performance is compared.
Single Tuned Harmonic Filter


High Pass Harmonic Filter


Double Tuned Harmonic Filter


C-Type Harmonic Filter


Conclusion
In this paper, performance comparison of harmonic filters in an industrial power system for harmonic distortion reduction is studied. The harmonic distortion drawn by the industry non-linear loads provides a THD value of 18.33%. And when single tuned harmonic filter is applied the THD is reduced to 5.08%. Whereas, the application of high pass harmonic filter gives a THD of 5.09%. A double tuned harmonic filter provides 4.00% THD value. Finally, using c-type harmonic filters 4.68% THD value is obtained. As a result, from the simulation results and FFT analysis, it is observed that the double tuned harmonic filter gives a better performance than the single tuned, high pass and c-type harmonic filters in reducing the harmonic distortions to the acceptable magnitude set by IEEE standards, i.e. less than 5% for this study and it is recommended for the industry to use the double tuned harmonic filter at the secondary of the transformer to get rid of additional heating, false tripping and equipment malfunction due to harmonics which causes production loss to the industry.
REFERENCES
[1] IEEE, IEEE 1159 1995 Recommended practice for monitoriong electric power quality. 1995.
[2] W. Are et al., ‘Electrical Power Systems Quality , Second Edition’.
[3] M. S. Almutairi and S. Hadjiloucas, ‘Harmonics Mitigation Based on the Minimization of Non-Linearity Current in a Power System’, 2019.
[4] A. Bagheri and M. Alizadeh, ‘Designing a Passive Filter for Reducing Harmonic Distortion in the Hybrid Micro-grid Including Wind Turbine , Solar Cell and Nonlinear Load’, no.12, pp. 10–13, 2019.
[5] Y. Cho, H. Cha, Y. Cho, and H. Cha, ‘Single-tuned Passive Harmonic Filter Design Considering Variances of Tuning and Quality Factor Single-tuned Passive Harmonic Filter Design Considering Variances of Tuning and Quality Factor’, vol. 8972, 2014.
[6] R. Dua and A. Agrawal, ‘Impact Of Single Tuned Filter on Grid Connected PV System’, vol. 08, no. 06, pp. 213–217, 2019.
[7] M. Awadalla, M. Orner, and A. Mohamed, ‘Single-tuned filter design for harmonic mitigation and optimization with capacitor banks Single-tuned Filter Design for Harmonic Mitigation and Optimization with Capacitor Banks’, no. September 2015, 2019.
[8] I. O. P. C. Series and M. Science, ‘Harmonic reduction by using single-tuned passive filter in plastic processing industry Harmonic reduction by using single-tuned passive filter in plastic processing industry’, 2018.
[9] Y. K. Haur, T. J. Son, L. K. Yun, W. Jee, and K. Raymond, ‘Design of Single-Tuned Passive Harmonic Filter to Meet Ieee-519 Standard By Means of Quality-Factor Manipulations’, vol. 29, no. 1, pp. 1364–1379, 2020.
[10] K. R. Cheepati, S. Ali, and A. Rangampet, ‘Overview of Double Tuned Harmonic Filters in Improving Power Quality under Non Linear Load Conditions’, vol. 10, no. 7, pp. 11–26, 2017.
[11] H. E. Yi-hong and S. U. Heng, ‘A New Method of Designing Double-tuned Filter’, no. Iccsee, pp. 206–209, 2013.
[12] K. R. Cheepati, S. Ali, and S. K. M, ‘Performance Analysis of Double Tuned Passive Filter for Power Quality’, vol. 9, no. 7, pp. 3295–3305, 2016.
[13] P. Control and G. Mishra, ‘Design of Passive High Pass Filter for Hybrid Active Power Filter Applications Department of Electrical Engineering National Institute of Technology Design of Passive High Pass Filter for Hybrid Active Power Filter Applications’.
[14] B. Park, J. Lee, H. Yoo, and G. Jang, ‘Harmonic Mitigation Using Passive Harmonic Filters : Case Study in a Steel Mill Power System’, 2021.
[15] Z. A. Memon, M. A. Uqaili, and M. A. Unar, ‘Harmonics Mitigation of Industrial Power System Using Passive Filters’, no. July, 2016.
[16] I. A. Shah and R. K. Ali, ‘Design of a C-type Passive Filter for Reducing Harmonic Distortion and Reactive Power Compensation’, vol. 4, no. 12, pp. 38–47, 2016.
[17] R. Klempka, ‘A New Method for the C-Type Passive Filter Design’, no. 7, pp. 277–281, 2012.
[18] A. Furnaces, ‘Selection of C-Type Filters for Reactive Power Compensation and Filtration of Higher Harmonics’, 2020.
[19] A. Muchtar and W. M. Muttaqin, ‘Comparison between single tuned filter and c-type filter performance on the electric power distribution network Comparison between single tuned filter and c-type filter performance on the electric power distribution network’, 2019.
[20] S. A. Rahman, ‘Direct Converter Based DVR to Mitigate Single Phase Outage’, no. September 2019, 2021.
[21] A. Rahman, ‘Mitigation of Voltage Sag , Swell and Outage without Converter’, no. October 2019, 2021.
[22] S. A. Rahman, S. B. Mule, E. D. Mitiku, G. T. Aduye, and C. Gopinath, ‘Highest Voltage Sag and Swell Compensation using Single Phase Matrix Converter with Four Controlled Switches’, no. 4, pp. 134–138, 2021.
[23] C. Reads, ‘Realization of Single Phase Matrix Converter Using 4 Controlled Switches’, no. October 2019, 2021.
[24] S. A. Rahman and G. Teshome, ‘Maximum voltage sag compensation using direct converter by modulating the carrier signal’, vol. 10, no. 4, pp. 3936–3941, 2020.
[25] S. A. Rahman and E. Dagnew, ‘Voltage sag compensation using direct converter based DVR by modulating the error signal’, vol. 19, no. 2, pp. 608–616, 2020.
[26] S. A. Rahman, E. D. Mitiku, S. B. Mule, G. T. Aduye, M. A. Huluka, and S. Mesfin, ‘Voltage Sag Mitigation Using Direct Converter Based DVR without Error Signal’, no. 12, pp. 34–37, 2021.
[27] S. A. Rahman, S. Birhan, E. D. Mitiku, G. T. Aduye, and P. Somasundaram, ‘A Novel DVR Topology to Compensate Voltage Swell, Sag, and Single-Phase Outage’, vol. 17, no. 4, pp. 1–10, 2021.
[28] C. R. C. P. Llc, Power quality © 2002. 2002.
Authors: Lecturer, Mr. Estifanos Dagnew Mitiku, Department of Electrical & Computer Engineering, Institute of Technology, University of Gondar, Gondar, Ethiopia, Email: est7eced@gmail.com; Lecturer, Mr. Gebrie Teshome Aduye, Department of Electrical & Computer Engineering, Institute of Technology, University of Gondar, Gondar, Ethiopia, Email: gebrie.415@gmail.com; Associate Professor, Dr. Abdul Rahman, Department of Electrical & Computer Engineering, Institute of Technology, University of Gondar, Gondar, Ethiopia, Email: msajce.abdulrahman@gmail.com; Lecturer, Mrs. Mahilet Mentesinot Abuhay, Department of Industrial Engineering, Institute of Technology, University of Gondar, Ethiopia, Email: mahiletme@gmail.com.
Source & Publisher Item Identifier: PRZEGLĄD ELEKTROTECHNICZNY, ISSN 0033-2097, R. 98 NR 3/2022. doi:10.15199/48.2022.03.12