Published by Mariusz ŚWIDERSKI, Michał GWÓŹDŹ, Poznan University of Technolog
Abstract. In the work the other approach to a photovoltaic system is presented. With regard to an improvement of reliability of a solar system, maintaining and improving system’s efficiency, authors proposed conception of the distributed PV system. This system consists of a set of individual small PV panels, while a single panel is connected to a low power converter, equipped with a pulse transformer. The converters work at a common energy container (battery). Thus, in case of failure of a single converter (or panel) the system is able to work properly with small only decrease of an output power, apart, maintenance of system operation is facilitated. In addition, due to all converters operate independently, individual environmental conditions (e.g. panel’s temperature) can be respected so system’s efficiency can be improved. In the work basics of system operation and selected system’s simulation model findings are presented.
Streszczenie. W pracy przedstawiono inne podejście do struktury systemu fotowoltaicznego. W odniesieniu do poprawy niezawodności działania systemu, obniżenia jego kosztów utrzymania i poprawy wydajności pracy, autorzy zaproponowali koncepcję tzw. rozproszonego systemu ogniw PV. System ten składa się z zestawu niewielkich paneli PV gdzie, pojedynczy panel jest dołączone do przekształtnika energoelektronicznego małej mocy, wyposażonego w transformator impulsowy. Transformator zapewnia mu indywidualną izolację galwaniczną. Konwertery pracują na wspólny zasobnik energii w postaci baterii LiION. Tak więc, w przypadku awarii pojedynczego konwertera (lub panelu), system może działać dalej, przy zmniejszonej mocy wyjściowej. Ułatwiona jest również obsługa (naprawa) systemu. Ponadto, ponieważ konwertery działają niezależnie od siebie, mogą brane być pod uwagę indywidualne warunki środowiskowe dla każdego panelu – na przykład jego temperatura, czy stopień zaciemnienia. W niniejszej pracy przedstawiono podstawy działania systemu i wybrane wyniki badań modelu symulacyjnego pojedynczego panelu. Elektrownia solarna z rozproszonym systemem ogniw fotowoltaicznych
Keywords: big data system, flyback converter, photovoltaic cell, solar system.
Słowa kluczowe: big data system, cela fotowoltaiczna, przetwornica flyback, system solarny.
Introduction
Currently, photovoltaic systems solutions consist of a single PV panel and a single converter or group of PV panels and a single converter. Taking into account mainly the improvement of the reliability of the solar system while, maintaining or even increasing the efficiency of energy conversion, a solution using a distributed system, i.e. separation of the PV on practically single cells (or a few) and coupling it with low power electronics converters is proposed in [1]. This approach requires very sophisticated controlling and refreshing the already known structures of inverters, but also the control algorithms. In addition, there will be considered option to implement in converters modern transistors based on gallium nitride (GaN) material. In this case, it is required to develop a new method of control of power devices in the structure of power converters [2]. The characteristics of GaN transistors let achieve a much higher switching frequency – in relation to Si or even SiC devices. However, at the present stage of the work low loss, ultra fast power MOSFETs are taking into account.
The main goal of the research is to increase the reliability of the system and the resultant efficiency of the entire system, so that it could be achieved the greatest efficiency of converting solar energy into electricity. For this purpose mini converters with a total power equal to the power of a single photovoltaic panel to which, they are connected. Such a solution can increase the reliability of the system, because in the event of failure of one of the DC/DC converters or PV panels, the device can continue to operate with less power, and service of devices can take place at a convenient time, moreover converters operate sequentially with regard to their working conditions e.g. temperature, in order to achieve the operational wear to be uniform. In the studies will be verified the validity of the thesis that converters in distributed system may have a higher conversion efficiency of electricity.
The proposed solar energy conversion system includes an energy container based on LiION cells. This one is common for an entire system and preserves a continuity of energy supply for a consumer e.g. during time of reduced solar radiation. This work presents the initial stage of the project of the solar power system.
Basics of system
The general conception of energy generation system based on distributed PV panels is shown in Fig. 1.

The system consists of the following blocs: set of low voltage photovoltaic panels (PVP) in the number of N , set of low power converters (CNV), where an individual converter is coupled with a single PVP, energy container (EC) – based on LiION cells, power grid side converter (GCN), coupling EC with a power grid, and global control block (GCB), including dedicated big data control algorithm (BDCA). The individual converters are connected to GCB via isolated data-control bus.
The CNV block includes a flyback converter with local controller (LCT). The LCT monitors: PVP’s output voltage ( uPV ), PVP’s output current ( iPV ), and temperature (TPV ) of the panel. On base of these quantities the LCT realizes the Maximum Power Point Tracking (MPPT) algorithm.
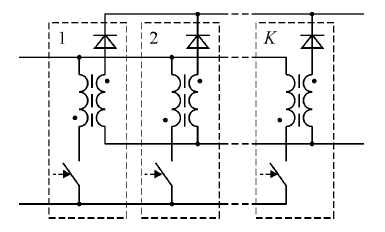
In the extended version of the system (Fig. 2) the CNV block contains a larger number (i.e. K) of lower power flyback converters, being connected in parallel. If power transferred by a single flyback converter reaches its nominal capacity, another converter is switched on, etc.. Thank to this they operate in conditions, being close to nominal ones. As a consequence, it is expected, that overall system’s efficiency will grow. Moreover, an order of turning on of another converter is not fixed. This one bases on pseudorandom algorithm. So, the expected system’s lifetime should increase.

The essence of system’s control is to provide a matched power to a load, while maintaining reliability at a high level for the entire structure. The algorithm is characterized by high dynamics of operation, while maintains all principles involved in design of converters for solar systems, e.g. MPPT [3]. Solar radiation falling on photovoltaic panels is disturbed by many factors, e.g. polluted air and, sediments on the panels or even cloud cover. Therefore, the density of luminous flux for particular photovoltaic panel is not uniform. Due to this aspect of the application of the control using MPPT algorithm in a distributed system causes the individual and more effective adjustment to the maximum received power from each photovoltaic panel. In addition, the algorithm receives information about both operation of the converters and state of the loads.
The data used in the analysis is based on Big Data algorithms, to effectively predict the behavior of both the generation side and the load side. The justification for the selection mechanisms of Big Data [4, 5] is dictated by the presence of a large diversity in the collected information, and also to achieve adequately fast prediction of events (i.e. an increasing demand for power by the load or set of loads, the decline in power generation by reducing the light radiation generated by the sun or the temperature increase of photovoltaic cell) in the operation of the entire system, there is a need to collect vast amounts of information – this would include eclectic parameters measured in virtually every component of the system and the load terminals, and ending with the data collected from the environment such as temperature and solar irradiance.
Big Data systems according to the 4V [6] model should meet the following requirements:
• volume – have large amounts of data,
• velocity – characterized by high variability of data,
• variety – consists of a large variety of data,
• value – system should collect data of significant values.
In order to meet these requirements, a set of algorithms responsible for the operation of the system was developed. The first of the described algorithms is the algorithm controlling the system startup section – shown in Fig. 3. The system should operate independently. Therefore, the detection of the number of DC / DC converters with which it works is crucial in the start phase. If this process is completed successfully, the system will proceed to database analysis. However, if the system does not detect the connected converters or does not communicate with them, the user will be informed about the system error.
During the boot sequence data analysis is mainly based on counting the number of records in the database. On this basis, the average polling time of system components is determined. In case of slow-changing systems, this limits the size of the database by the reduced frequency of system polling. In other case for processes with significant dynamics, the amount of data will increase accordingly in order to be able to correctly calculate system behavior patterns at a later stage. If the size of the database is not greater than the accepted minimum ( Rmin ) then the system accepts a random (from the range) response frequency, which the system will be able to correct.

The second described algorithm shown in Fig. 4 is the algorithm responsible for data acquisition.

The main task of the algorithm is to collect data and save it to the database. Then, based on the data collected in the database, the average polling time of system components is updated. Next, the demand for system power is determined. If this demand is lower than the power of the whole system then the algorithm can turn off the least effective elements of the system. The reason for low efficiency may be shading, dirt or breakdowns. This algorithm operates in a closed loop and its operating frequency is automatically selected.
The last presented algorithm is the algorithm responsible for deleting records from the database [5]. This one is shown in Fig. 5.

In parallel with the control procedure, the system ensures that the database contains only relevant records. Hence, cyclically selected parameters records are read from the database and compared to averaged parameter values. If the average value differs from the analyzed value by the pre-determined degree of accuracy ( e ) – then the record is deleted. If the analyzed value is unique, i.e. it differs significantly from the averaged value, the analyzed record remains in the database.
The next step in the research of the distributed system of converters will be to check the different methods of arranging photovoltaic panel modules, e.g. in the shape of a paraboloid, a sphere section or other hypersurfaces. In the case of a flat arrangement of modules, the energy of reflected radiation is lost. However, in the proposed solution it is possible to reuse part of this energy. Arranging the modules in the shape of a hypersurface additionally contributes to averaging the value of energy received during the day. In comparison to the classic system, the maximum energy consumption is clearly higher than the average and falls at noon. Laying the panels in the shape of a hypersurface additionally eliminates the need for an expensive mechanical system to keep up with the sun (“sun-follower”) [3, 7] or expensive optical elements.
Simulation model studies
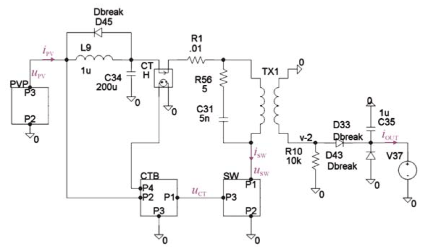
At the present project’s development stage simulation studies devoted to the converter in the CNV block (in ORCAD/SPICE environment) were conducted.
The simulation model of this block (in simplified form) is shown in Fig. 6. Basic parameters of the model are as follows:
• PV panel output voltage: 2.4÷2.7 V,
• PV output current (max): 2.0 A,
• energy container voltage (nominal value): 48 V,
• switching frequency of MOSFET in CNV block (max): 100 kHz.
Functionality of main blocks in the simulation model is as follows: PVP is PV panel’s model (PV contains three small PV cells connected in series), SW is the power switch model, and CTB is the control block model. The pulse transformer’s model (TX1) was based on a real planar transformer with ferrite core type EEQ30 (N97 material) from TDK. The power switch model was based on modern OptiMOS™ 5 100 V power MOSFET type BSZ146N10LS5 manufactured by INFINEON [8]. Thanks to suitable design of the pulse transformer (both a flat core and multilayer windings) its coupling factor is close to 1 ( k ≅ 0.995). Thus, taking into account, that magnetizing inductance is equal to ~25 µH, the leakage inductance (associated with the primary winding) is equal approximately to 100 nH. As a result, a form of the snubber circuit (R56-C31) can be very simple.


In Fig. 7 waveforms of selected voltages and currents in the simulation model are shown. As can be observed, a magnitude of primary current in the DCM is equal to 0.75 A, whereas in the CCM is equal to 1.8 A. A value of power transferred to the energy container was in the range 0.8÷3.0 W – depending on the mode of operation of converter. As it is shown, magnitudes of voltage spikes, in the power switch transient states, are relatively low. In a result the value of energy, dissipated in the snubber circuit, is negligible from point of view of converter efficiency.
Conclusions
The entire study aims to determine the level of reliability of the proposed solution and check how significant is impact of the efficiency of power electronic converters on the overall efficiency of solar energy conversion system. At present stage of system developing the general structure of control algorithms was proposed. With regard to an improvement of reliability of a solar system, maintaining and improving system’s efficiency authors used the distributed PV system consists of a set of individual small PV panels, while a single panel is connected to a low power (micro) converter, equipped with a sophisticated pulse transformer. The converters work at a common energy container (e.g. LiION battery stack). Thus, it is expected, that in case of failure of a single converter (or cell in panel) the system will be able to work properly with small only decrease of an output power, apart, maintenance of system operation is facilitated. Also, findings may open a new way for use of the GaN transistors in systems, where the energy conversion efficiency is crucial, and en energy’s source is limited in power or difficult and expensive to operate.
REFERENCES
[1] Z. Jin, M. Hou, F. Dong, and Y. Li, A new control strategy of dc microgrid with photovoltaic generation and hybrid energy storage, Power and Energy Engineering Conference (APPEEC), (2016) IEEE PES Asia-Pacific, 2016.
[2] Gwóźdź M., Matecki D., Power electronics controlled voltage source based on modified Sigma-Delta modulator, Proceedings of the 2016 IEEE International Power Electronics and Motion Control Conference (PEMC), Bulgaria, Varna, 25-30 September (2016), ISBN: 978-1-5090-1797-3, pp. 186-191. DOI: 10.1109/EPEPEMC.2016.7751995.
[3] Degeratu S., Alboteanu L., Rizescu S., Coman D., Bizdoaca N., and Caramida C., Active solar panel tracking system actuated by shape memory alloy springs, Applied and Theoretical Electricity (ICATE), (2014) International Conference on, ISBN: 978-1-4799-4161-2.
[4] Swartz R.A., Lynch J.P., Zerbst S., Sweetman B., and Rolfes R., Structural monitoring of wind turbines using wireless sensor networks, Smart Structures and Systems 6, 114, (2010).
[5] Najafabadi M. M., Villanustre F., Khoshgoftaar T. M., Seliya N., Wald R., and Muharemagic E., Deep learning applications and challenges in big data analytics, Big Data, vol. 2, no. 1, March (2015).
[6] Erhard R., The case for holistic data integration, East European conference on advances in databases and information systems, Berlin: Springer; (2016).
[7] Zamojski W., Theory and technique of reliability, (in Polish), Wrocław University of Technology, Wrocław, (1976).
[8] Infineon product page: https://www.infineon.com/cms/en/product/power/mosfet/. Accessed: December 2017.
Authors: mgr inż. Mariusz Świderski, E-mail: Mariusz.Swiderski@put.poznan.pl, dr hab. inż. Michał Gwóźdź, Email: Michal.Gwozdz@put.poznan.pl, Politechnika Poznańska, Instytut Elektrotechniki i Elektroniki Przemysłowej, ul. Piotrowo 3A, 60-965 Poznań.
Source & Publisher Item Identifier: PRZEGLĄD ELEKTROTECHNICZNY, ISSN 0033-2097, R. 95 NR 2/2019. doi:10.15199/48.2019.02.11