Published by Jacek F. GIERAS, University of Technology and Life Sciences, Bydgoszcz
Abstract. The paper discusses the electric power system of the Tu-154M aircraft. After brief introduction to aircraft power systems, the results of reverse design and analysis of the GT40PCh6 wound-field synchronous generator including short circuit have been presented. Electric power distribution and assignment of electric grids (channels) to respective aircraft energy consumers has been discussed. Most important electric loads, i.e., the fuel system with electric motor driven pumps, wing anti-ice electric system and exterior and interior lighting equipment have been described. An example of failure of GT40PCh6 synchronous generator is the fire of the Tu-154B-2 on January 1, 2011 before taking off at Surgut airport (flight 7K348).
Streszczenie. Artykul omawia system elektroenergetyczny samolotu Tu154M. Po krotkim wprowadzeniu do systemow elektroenergetycznych samolotow, przedstawiono wyniki projektowania odwrotnego oraz analizy generatora synchronicznego GT40PCh6 o wzbudzeniu elektromagnetycznym z uzwglednienium przebiegow pradow podczas zwarcia. Opisano dystrybucje energii elektrycznej oraz przyporzadkowanie odbiornikow energii elektrycznej samolotu do poszczegolnych sieci (kanalow). Scharakteryzowano najwazniejsze obciazenia elektryczne, tzn. system paliwowy z pompami napedzanymi silnikami elektrycznymi, system elektryczny zapobiegajacy osadzaniu sie lodu na frontowych powierzchniach skrzydel oraz oswietlenie zewnetrzne i wewnetrzne. Przykladem awarii generatora synchronicznego GT40PCh6 jest pozar Tu-154B-2 w dniu 1 stycznia 2011 przed startem na lotnisku w Surgucie (lot 7K348). (System elektroenergetyczny samolotu pasazerskiego Tu-154M)
Keywords: aircraft electric power system, distribution system, electric loads, electric motor-driven fuel pumps, fuel system, lighting, synchronous generator, Tu154M, wing anti-ice electric system
Słowa kluczowe: generator synchroniczny, odbiorniki energii, oswietlenie elektryczne, pompy paliwa napedzane silnikami elektrycznymi, system dystrybucji energii elektrycznej, system elektroenergetyczny samolotow, system odmrazania elektrycznego skrzydel, system paliwowy, Tu-154M
Introduction to aircraft electric systems
The function of the aircraft electrical system is to generate, regulate and distribute electrical power throughout the aircraft [4, 7]. Aircraft electrical components operate on many different voltages both AC and DC. Most systems use 115/200V AC (400 Hz) and 28V DC. There are several different electric generators on large aircraft (Fig. 1) to be able to handle loads, for redundancy, and for emergency situations, which include [4, 7, 8]:
1. engine driven main generators;
2. auxiliary power unit (APU);
3. ram air turbine (RAT);
4. external power, i.e., ground power unit (GPU).
Each of the engines on an aircraft drives one or more a.c. generators (Fig. 2) via special transmission system.

The electricity produced by these generators is used in normal flight to supply the entire aircraft with power. The power generated by APUs is used while the aircraft is on the ground during maintenance and for engine starting. Most aircraft can use the APU while in flight as a backup power source. RATs are used in the case of a generator or APU failure, as an emergency power source. External power may only be used with the aircraft on the ground. A GPU (portable or stationary unit) provides AC power through an external plug. Aircraft generators are typically three-phase, salient pole, wound-field synchronous generators with outer stator with distributed-parameter winding and inner rotor with concentrated coil winding [4]. The field excitation current is provided to the rotor with the aid of a brushless exciter system consisting of two synchronous machines, i.e., wound-field synchronous exciter and permanent magnet (PM) sub-exciter. The power circuit is shown in Fig. 2. PM brushless generators are rather avoided due to difficulties with shutting down the power in failure modes. There are also attempts of using switched reluctance (SR) generators with no windings or PMs on the rotor. A generator control unit (GCU), or voltage regulator, is used to control generator output. The generator shaft is driven by a turbine engine with the aid of gears or directly by low spool engine shaft.

Typical AC power system of aircraft is 115/200V, 400Hz, three-phase system. Since the speed of an aircraft engine varies from full power speed to flight idle speed (typically 2:1), and frequency is proportional to the generator rotational speed, a device for converting a variable speed to constant speed is necessary [7]. The so called constant speed drive (CSD), i.e., a complex hydromechanical device was common until the late 1980s. Nowadays, solid state converters have replaced unreliable CSDs with variable speed/constant frequency (VSCF) systems.
Typical aircraft have from 16 to 160 km of wire installed such that wire from one system is often collocated with wire from many other systems. Electrical wiring can be classified into power wiring (heavy current) and light current wiring. In modern aircraft, power wires, feeding e.g., electric motors, are not routed through the cockpit. Switches in the cockpit are connected to light current wires (control wires), which activate relays of heavy current circuit.
Table 1. AC power systems of Tu-154M aircraft


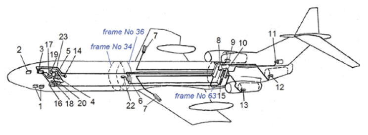
1 – rectifiers VU-6A (backup and No 1), 2 – rectifier VU-6A No 2, 3 – right junction box (JB) 115/200 V, 4 – converter PTS-250 No 2, 5 – converter PTS-250 No 1, 6 – JB of kitchenette, 7 – JB of anti-ice system, 8 – right panel of generators, 9 – generator GT40PCh6 No 3, 10 – JB of APU 200V, 11 – generator GT40PCh6 of APU, 12 – generator GT40PCh6 No 2, 13 – generator GT40PCh6 No 1, 14 – external power connector for ShRAP-400-3F GPU, 15 – left panel of generators, 16 – left JB 115/220V, 17 – transformer No 2, 18 – transformer No 1, 19 – right JB 36V AC, 20 – left JB 36V AC, 22 – flight attendant’s switchboard, 23 – converter POS-125Ch [3, 13].
Electric power supply system of Tu-154M
The main power supply system of the Tu154M is a three-phase 115/200V, 3×40kVA, 400Hz, AC system [3, 10, 13]. The three-phase 115/200V AC power is delivered by three GT40PCh6 wound-field synchronous generators. The fourth GT40PCh6 AC generator is the APU generator. The APU is also equipped with 27V DC GS-12TO starter-generator.
The secondary three-phase, 36V, 400Hz, 46.8-A, 2×3kW AC system takes power from the main system via two three-phase 206/37V, Dy, TS330S04B transformers. The primary windings of TS330S04B transformers are fed from the navigation piloting system (NPK) bus bars. The 115/200V AC and 36V AC power systems are shown in Fig. 3 and described in Table 1. The third power system is the 27V, 200A, DC, single-circuit system (Fig. 4), which receives power from the main system via transformer and three VU-6A rectifiers and four 20NKVN-25 batteries.
The emergency 36V AC power system (instead of RAT) consists of two 20-30/36V, 400Hz, 250VA PTS-250 transistor inverters fed from batteries. It feeds among others the gyro horizon AGR-144. Another single-phase 115-V emergency system takes electric power from batteries via POS- 125TCh solid state converter.
The simplified electrical diagram of 115/200V AC power generation system with three main generators and APU generator is shown in Fig. 5. The block diagram of overall electric system of the Tu-154M is shown in Fig. 6.

1 – Rectifier VU-6A No 2, 2 – right panel of protection control, 3 – Rectifier VU- 6A No 1, 4 – Left panel of protection control, 5 – junction box (JB) of kitchen, 6 – left power JB 27 V DC, 7 – electrical panel of flight attendant, 8 – rear JB (in left panel of generators), 9 – JB of APU and batteries, 10 – batteries 20NKBN-25, 12 – JB of batteries, 12 – JB of VU-6A backup rectifier, 14 – backup rectifier VU-6A, 15 – “PT” JB, 16 – electrical panel of household devices, 17 – electrical panel of crew cupboard, 18 – flight attendant’s switchboard [13].

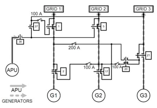
1 – contactor TKS133DOD “reconnection of grid No 1 on generator No 3”, 2 – contactor TKS233DOD “switching generator No 1 on grid”, 5 – contactor TKS233DOD “switching APU on grid No 2”, 17 – contactor TKS233DOD “switching generator No 2 on grid”, 20 – contactor TKS233DOD “reconnection of grid No 3 on generator No 1”, 21 – contactor TKS233DOD “switching generator No 3 on grid”, 27 – contactor TKS233DOD “switching APU or GPU on grid No 3”, 38 – contactor TKS233DOD “switching APU on grid” [2].
Electric power distribution
The main three-phase, 115/200V, 400Hz power supply system is a three-channel system (Figs 3, 5 and 6). One GT40PCh6 generator feeds one channel (electric grid).
The generator No 1 mounted on the left turbofan engine No 1 feeds the grid No 1, which in turn feeds the left autonomous bus bars, left bus bar of navigation piloting system (NPK), radio navigation equipment, anti-collision flashing lights SMI-2KM, control systems of slats and stabilizers (motors No 1), fuel pumps No 1,3,5,8,10, rectifiers VU-6B No 1 (No 3), passenger cabins lighting, heaters of windshields of cockpit, hydraulic pumping station NS-46 of the second hydraulic system, and other loads. The total power consumption of the grid No 1 is 23.2kVA, 70A (excluding NS-46).
The generator No 2 of the grid No 2 mounted on the center engine No 2 feeds anti-ice electric heating elements of leading edges of wings (slats). The power consumption is 43.6 kVA, 130 A.
The third grid No 3 powered by the generator No 3 installed on the right engine No 3 is loaded with the right autonomous bus bars, right bus bar of navigation piloting system (NPK), control system of slats and stabilizers (motors No 2), fuel pumps No 2,4,6,7,9,11, fuel control system, rectifiers VU-6B No 2 (No 3), air conditioning system, hydraulic pumping station NS-46 of the third hydraulic system, household equipment and other equipment. The total power consumption is 12kVA, 45A (without household equipment and NS-46). The household equipment needs 13kVA, 60A.
In the case of failure of one of the generators, its grid is automatically reconnected to the operating generators.
The GPU supplies all three electric grids. After starting any turbofan engine and after switching on any GT40PCh6 generator, the first and the third grid is automatically connected to this generator while the GPU feeds only the second grid. If two generators are on, the GPU is automatically disconnected from the aircraft electric power system.
Control and protection devices of the main power system are located on the power panel of the flight engineer. The three-phase 36-V, 400-Hz, two-channel electric power system feeds the Kurs-MP-2 landing navigation and control unit, ARK-15M radio compass, Groza-154 radar, Doppler effect velocity and drift angle measure system DISS-3P, and hydraulic pressure gauge MET-4B. The 36V AC system also supplies the gyro horizon (attitude indicator), but its power is supplied independently of the PTS-250 converter, which receives electrical energy from batteries. The PTS-250 No 1 converter is used as an emergency 36V AC power source (Fig. 6). Connection of the converter to the network is made automatically.

The on-board 27V DC power system consists of three VU-6A rectifiers, GS-12TO starter-generator mounted on the APU, and two four 20NKBN-25 batteries (Fig. 4). The VU-6A rectifiers are the basic DC power sources. They get the power from the first and third grid (from the main 115/200 V AC system). There are two basic rectifiers and the third rectifier is for redundancy (Fig. 6). The third rectifier is switched on automatically in the case of failure of one of the basic rectifiers and operates in parallel with the remaining rectifiers. There is also provision for “forced” connection of the third reserve rectifier.
The 27V DC GS-12TO APU-mounted starter-generator delivers power to the DC grid after starting the APU on the ground until turbofan engines are started and GT40PCh6 synchronous generators operate. In the case of failure of the main 115/200V power system in the air, rechargeable batteries are used to supply the most important loads and to start the APU on the ground in the absence of GPU. Under normal operation, batteries are connected in parallel to smooth the DC bus voltage ripple. Rechargeable batteries are installed in the rear fuselage under the floor of the technical compartment. They can be accessed through a removable hatch in the floor.
In addition, there is a 27V AC power supply designed for household appliances: electric kettles and electric warmer in the kitchenette-buffet. The system gets its power from the main system through a TS-330S04A transformer connected to the grid No 3 via a switch mounted on the flight attendant switchboard (Figs 3 and 4). The transformer is installed on the right board, near the frame No 35, in junction box (JB) of the kitchenette (Fig. 3).
The single-phase 115V AC, 400 Hz power supply provides electric power to Landish-20 FM radio station, radio system RSBN-2SA of near-range navigation, Kurs-MP-2 navigation and control unit, and other radio equipment, as well 2IA-7A temperature meters of engine exhaust gases [3]. In the case of emergency, the electrical power to these loads comes from the converter MA-100M, which is supplied from batteries. The connection of converter is made automatically.
The cross section of basic distribution wires is:
• 1.93 to 35.0 mm2 for AC systems;
• 1.5 to 70.0 mm2 for DC systems.
Synchronous generators
The main generators are three 40-kVA, 115/200V, 400Hz, CSD GT40PCh6 wound-field synchronous generators driven by three D-30KU low-bypass turbofan engines (Fig. 7). Each generator feeds one channel (grid). There is also a reserve 40-kVA, 115/200V, 400Hz power source, the so called APU which consists of GT40PCh6 synchronous generator driven by independent TA-6A turbine engine (Fig. 8).

1 – inlet guide vanes heating collector (VNA), 2 – centrifugal air separator of oil system, 3 – fuel-oil heat exchanger, 4 – main oil pump, 5 – front (main) accessory drive gearbox, 6 – hydraulic pump for thrust reverse, 7 – fuel pump, 8 – sensor of referred revolutions, 9 – place for aircraft hydraulic pumps NP-25 and NP-89, 10 – fuel pump regulator, 11 – temperature sensor, 12 – centrifugal regulator of low pressure (LP) rotor, 13 – rotational speed sensor for the LP rotor, 14 – synchronous generator GT40PCh6, 15 – rear accessory drive gearbox, 16 – constant speed drive (CSD), 17 – mechanism of frequency correction, 18 – air turbine of CSD, 19 – air turbo starter, 20 – overlapping cover of turbo starter, 21 – oil removal pump. http: //ru.wikipedia.org/

1 – fuel pump-regulator, 2 – sensor of tacho generator, 3 – synchronous generator GT40PCh6, 4 – leads of synchronous generator, 5 – air-oil heat exchanger, 6 – adapter, 7 – fan, 8 – stabilizer of oil pressure, 9 – front suspension rigging, 10 – grid of compressor, 11 – radial-circular entrance, 12 – compressor, 13 – gas collector, 14 – combustion chamber, 15 – evaporation tube, 16 – head of flame tube, 17 – snail, 18 – exhaust pipe, 19 – air bypass pipeline, 20 – turbine, 21 – air regulator, 22 – bleed air pipe, 23 – spring, 24 – reducer [3].
The longitudinal section of the GT40PCh6 synchronous generator is shown in Fig. 9. From better packaging point of view, the PM brushless sub-exciter is placed inside the exciter.

1 – armature core of main generator, 2 – armature winding of main generator, 3 – armature winding of exciter, 4 – armature core of exciter, 5 – field winding of exciter, 6 – pole, 7 – field excitation system of exciter, 8 – rotor pole of main generator, 9 – armature of subexciter, 10 – PM, 11 – armature winding of subexciter, 12 – end shield, 13 – nozzle, 14 – housing, 15 – bearing, 16 – hollow shaft of rotor, 17 – shaft end, 18 – flanges, 19 – fan, 20 – field winding of main generator, 21 – point of lubrication. http: //s010.radikal.ru/i314/1010/42/cba147b70185.jp
The GT40PCh6 generator operates smoothly under the following conditions:
1. ambient temperature from +100 to −60 ◦C;
2. cooling air temperature from +60 to −60 ◦C;
3. atmospheric pressure up to 124 mm Hg;
4. effects of frost and dew;
5. shock accelerations up to 6g.
The housing monoblock is made of magnesium alloy with pressed steel sleeve mounted on the drive side around the ball bearing. The bearing nest has a pocket for the collection of waste grease that is removed from it with the aid of a plunger. Lubricant is applied to the bearing on the oil line through the point of lubrication.
There are longitudinal ribs on the inner surface of the housing, which increase its rigidity and form channels for passage of cooling air. Windows in the enclosure at the drive side are designed to exit the air. Titanium flange screwed to the end shield mounts the generator on the engine (Fig. 9). A box on the outer surface of the housing contains a differential current transformer for protection of the generator.
The rotor has two ball bearings. Seals of the bearings are threaded type with extra cuffs. The rotor salient poles, armature of the exciter and PMs of sub-exciter are pressed on the hollow shaft. The rotating passive rectifier consists of six silicon diodes D232A.
Cooling of the generator is accomplished by blowing air at a flow rate varying from 0.1 to 0.3 kg/s.
Dimensions, material data and winding diagrams of the GT40PCh6 synchronous generator are not available [3, 13, 10]. To obtain dimensions, winding parameters and detailed performance characteristics of the GT40PCh6 synchronous generator (Table 2), a reverse design on the basis of available sources [3, 10, 13] has been done. The 2D FEM has been used for electromagnetic analysis and synthesis. The 2D magnetic flux distribution in the cross section of the main generator as obtained from the FEM is shown in Fig. 10.

The open circuit characteristics [3] at synchronous speed ns = f/p = const obtained from analytical calculations and 2D FEM are shown in Fig. 11.

Short-circuit currents can exceed more than 11 times the nominal current. Figs 12 to 15 shows the armature current Iash = f(t) waveforms for three-phase, line-to-line, line-to-neutral and two lines-to-neutral short circuits of the GT40PCh6 synchronous generator. The most dangerous are line-to-neutral (Fig. 14) and two lines-to-neutral (Fig. 15) short circuits. The obtained short-circuit current waveforms are very important since the subtransient and transient shortcircuit currents help to evaluate the possible damage during the electrical power system failure.




Table 2. Parameters of GT40PCh6 synchronous generator

Fuel supply system
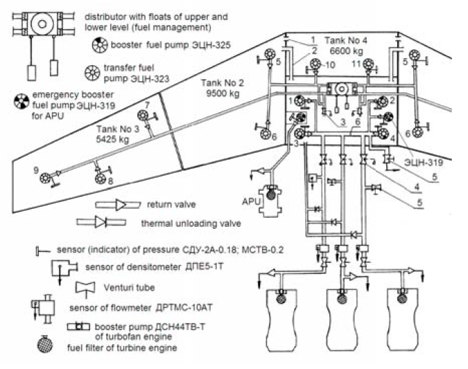
Civil transport aircraft use the wing structure as an integral fuel tank to store fuel. In larger aircraft, the fuel is also stored in the structural wing box within the fuselage. A typical wing tank is irregular, long and shallow [7]. The fuel is in direct contact with the outside skin. The Tu-154M has six fuel tanks: one central fuel tank (CWT) No 1, two inner wing tanks No 2, two outer wing tanks No 3 and one additional tank No 4. The Tu-154M fuel tank configuration is shown in Figs 16 and 17. The tanks No 3 are between spars 1 and 3 and ribs 14 and 45 of detachable parts of wings [12].
The CWT tank is generally categorized as hazardous due to the proximity to external heat sources, e.g., air conditioning units [7]. It requires tank inerting with the aid of nitrogen-enriched air from the on-board inert gas generating system. The tanks No 1 and 4 of the Tu-154M are inerted in the case of emergency landing without landing gears. The left and right wing tanks are usually categorized as nonhazardous as there is mostly no proximity of heat sources [7]. The wing leading edge slat section is equipped with anti-ice control system, typically with hot air ducts. These ducts take form of pipes with holes to allow air to heat the inner surface of leading edges. The hot air flow to the outer wing leading edges is controlled by the wing anti-ice valve [7]. The Tu-154M has electric anti-ice control system with heating elements embedded in slats.
The fuel system of the Tu-154M uses electric motor driven centrifugal pumps ECN-319, ECN-323 and ECN-325. Fuel pumps ECN-323 and ECN-325 are driven by 115/220-V AC induction motors (Fig. 18) and fuel pumps ECN-319 are driven by DC 27-V brush motors (Table 3). A flange mounted motor and pump constitute one integral unit (Fig. 19a). The feeding cables in fuel tanks are in aluminum tubes (Fig. 19b). Wiring system that delivers electric energy to fuel pump motors must be protected against electrical arcing and accumulation of static electricity that under some circumstances can cause ignition of the fuel-air mixture in the wing tank [6, 7, 9].
In general, there are two types of fuel pumps on typical aircraft [7]:
• Fuel transfer pumps (e.g., ECN-323, which perform the task of transferring fuel between the aircraft fuel tanks to ensure that the engine fuel feed requirement is satisfied;
• Fuel booster pumps (e.g., ECN-319, ECN-325) also called engine feed pumps, which are used to boost the fuel flow from the aircraft fuel system to the engine.

Table 3. Fuel pumps of Tu-154M.

Commercial aircraft use open vent system to connect the ullage1 in each tank to the outside air [7].

Fuel tanks, fuel pumps, fuel transfer lines, D30KU engine and APU have been shown. 1,2 – feed lines of upper transfer from tanks No 4 and 1 to tank No 2; 3 – faucet of reserve transfer; 4 – antifire faucet; 5 – discharge faucet, 6 – connector for maintenance of engines [12, 16].

1 – tank, 2 – outlet, 3 – axial wheel, 4 – collection snail, 5 – impeller, 6,7 – safety grid, 8 – connecting channel, 9 – electric motor, 10 – circulation orifice [12].

(a) cross section of fuel pump and induction motor; (b) feeding cable tubing. 1 – grid, 2 – induction motor, 3 – motor housing, 4 – shaft, 5 – tube, 6,7 – sealing rubber rings, 8 – pump housing, 9 – rotor, 10 – cover, 11 – snail, 12 – impeller, 13 – channel, 27 – conduit metal tube, 28 – tubing, 29 – terminal block, 30 – cover, 31 – electric cable. Construction of transfer fuel pump ECN-323 is similar [3, 9, 12].
The Tu-154M is equipped with the vent system. The Tu-154 uses fuel Jet A-1. Jet A-1 is a kerosene grade of fuel suitable for most aircraft turbine engines. It is produced to a stringent internationally agreed standard.
1Space between the fuel surface and upper wall of the tank.
Wing anti-ice system
Most civil aircraft use hot bleed air for anti-ice control of outer wing leading edges [7]. The Tu-154M must use electric resistive heating for anti-ice of the wing leading edge slats, as the turbofan engines are tail mounted and located far away from the wings. This would make the hot air bleed system very heavy and cumbersome.
The Tu-154M has three-phase, 115-V electrical wing anti-ice heating system (Fig. 20) [3, 9, 14]. To save electrical energy, heating elements are fed cyclically by adequate determination of time period. Under cyclic heating a thin layer of ice accumulates on slats which does not deteriorate aerodynamic properties of the aircraft. When the accumulation reaches a thickness threshold and the temperature of skin increases, the ice is taken out by the air stream.

The generator GT40PCh6 No 2 driven by the mid turbofan engine (Fig. 5) feeds only the electric grid 2 dedicated to heating wing slats. The electric apparent power is 43.6kVA at 115V (phase voltage) and ≤ 130A.
Heating elements (composites) of one half of slats are divided into eight sections. The other half of slats has also eight sections. Section are fed in the following sequence:
1st, 2nd, . . . 8th, 1st, 2nd, . . . 8th . . . . Sections are numbered starting from the core part of the wing to the end of the wing. The current is on for 38.5 s and off for 269.5 s for each section.
In the leading part a thermal “knife” is installed along the slats. This part is made of 20-mm wide X20H80 NiCr foil. The thermal “knife” is not fed cyclically – it is steadily under current and is isolated from the outer skin by three layers of glass fiber 3 (Fig. 20). Also, the three layers 5 isolate the thermal “knife” from the heating element. On the inner skin/sheathing of heating element of the slat, thermal switches for cyclic operation of sections and thermal “knife” are installed. Thermal switches protect slats and heating elements against overheating.
Lighting
The lighting equipment of the Tu-154M is divided into external and internal equipment. External equipment is intended for taxiing, takeoff, landing, and indicate the plane in the air space at night. Interior equipment is used for illumination of the cockpit, passenger cabin and other chambers of aircraft, and emergency lighting. The external lighting equipment includes wing navigation (position) lights BANO-57 with 70-W SM-28-70 lamps, 115V SMI-2KM anti-collision flashing lights (45 flares/min), and 27V, 35.5A PRF-4 landing/taxi lights. The cockpit is equipped with a general illumination systems and lamps for lighting control boards, panel of flight engineer, top switchboard, middle console of pilots, aircraft panels, panels of automatic pressure control, workplace of navigator, etc. In addition, each crew member has lamps with a red cylindrical optical filter that allows the light to change from white to red.
General illumination of passenger cabins has been designed in form of central and side fixtures with fluorescent lamps. Each central fixture has two fluorescent lamps contained in the reflector and sealed with milky color plexiglas. Side lights are built-in into the lower panels of luggage bins. Individual passenger lamps equipped with lenses to focus the ligh beam are used at night after turning off the lights of the passenger compartment. Lamps are mounted in the bottom panel of luggage bins. Single-lamp fixtures are mounted in the toilets, hallways, kitchenette and above the mirrors.
Emergency lighting is provided to illuminate the passenger areas on the ground when the power is supplied from the on-board batteries. During flight, the emergency lighting of passenger cabins is turned on at night after turning off the general illumination. Emergency lighting is installed in passenger cabins, lobbies, dressing rooms and toilet passages.
Failures of electric power system
Failures of synchronous generators
The mean time between failures (MTBF) of GT40PCh6 synchronous generators is estimated as approximately 8000 to 8500 flight hours [2, 3, 13, 16].


There is known at least one case of main generator failure, i.e., the Tu-154B-2 RA-85588 while operating flight 7K 348 on January 1, 2011 from Surgut to Moscow (Domodedovo). The plane was taxiing to the runway while preparing for its takeoff from Surgut when the right engine caught fire on the taxiway (Fig. 21). Three out of 126 passengers and 8 crew members died.
Russia’s Interstate Aviation Committee (MAK) released their final report (in Russian) concluding the probable cause of the accident was the outbreak of fire in the right generator panel located between frames 62 and 64 in the cabin [2]. The generators were connected on the network after the engine start and exit to the idle mode. The cause of the fire was an electrical arcing produced by electrical currents exceeding 10 to 12 times the nominal current when two generators not synchronized with each other were brought online but got connected together instead of being connected to parallel busses (Fig. 22). The unsynchronized operation of the generators can be attributed to:
1. Poor technical conditions of contacts TKS233DOD (Fig. 22) responsible for connecting the generators with the electrical busses, that were damaged by prolonged operation without maintenance. A contact normally open was welded and fractured insulation material moved between contacts that are normally closed. These abnormal contact positions led to the connection between No 2 and No 3 generators (Fig. 22).
2. Differences in the schematic diagrams of generator No 2 and generators No 1 and 3. When the switch is moved from “check” to “enable” with no delay in the “neutral” position, the generator 2 is brought on line without time delay. This leads to increased wear of normally closed contacts in the TKS233DOD unit. The specific design of the electrical systems ensures power supply to each bus from either the APU or engine integrated drive generator.
Failures of other electrical equipment
On September 7, 2010, the Tu-154M RA-85684 Alrosa Mirny Air Enterprise Flight 514 aircraft from Udachny to Moscow suffered a complete electrical failure en route, leading to a loss of navigational systems. The electrically operated fuel transfer pumps were also affected and prevented transfer of fuel from the wing tanks to the engine supply tank in the fuselage.
After emergency decent below cloud level the crew were able to spot an abandoned air strip near town of Izhma (Fig. 23). The abandoned air strip is 1325 m, whereas the Tu- 154 requires a minimum of 2200 m. The aircraft landed at a speed of 350 to 380 km/h, faster than normal, due to the lack of flaps. Although the flaps are powered by hydraulics, the switches operating them are electrical. The impact was damped by the young trees, which have grown since the airport was closed. All nine crew members and 72 passengers evacuated using the aircraft’s evacuation slides. No injuries were reported.

On November 17, 1990, the cargo TU-154M, CCCP- 85664 of Aeroflot Airways was heading through Czech territory with a load of Winston cigarettes from Basel to Moscow. A switched-on cooker in the kitchenette caused a fire on board of the plane and the crew decided to land at the closest possible place. The crew made an attempt of emergency landing on the field near Dubenec village in the East Bohemia. There were only 6 crew members on board, all of them survived the air disaster.
On February 18, 1978, the Tu-154A, CCCP-85087 of Aeroflot Airways was standing on the apron at Tolmachevo Airport, Novosibirsk. The cabin heater was left working unattended between flights. A rag caught fire, which incinerated the cabin. A fire that broke out in the passenger cabin engulfed the rear part of the airframe. The forward fuselage burnt out. There were no fatalities.
Conclusions
The electric system of the Tu-154M aircraft is an outdated system typical for aircraft being designed in the 1960s. There are three GT40PCh6 wound-field synchronous generators driven by D-30KU low-bypass turbofan engines and one GT40PCh6 generator driven by the TA-6A APU turboshaft engine. The APU is also equipped with the 27V DC GS- 12TO starter generator. The Tu-154M is not equipped with a RAT.
Main synchronous generators GT40PCh6 are air cooled generators. Air cooling reduces the rated power and increases the mass of generators. Nowadays, modern VSCF wound-field synchronous generators are oil cooled with rated power up to 250kVA (Boeing 787 Dreamliner).
Reversed design and analysis of GT40PCh6 main synchronous generators deliver important information on steady-state and transient performance of these machines. Transient characteristics, especially short-circuit waveforms are very helpful in investigation of electric power system after malfunction, failure or crash.
BIBLIOGRAPHY
[1] Ellis G.: Air crash investigation of general aviation aircraft, Greybull, WY, USA, Capstan Publications, 1984.
[2] Final Report on results of investigation of aviation accident involving the Tu-154B-2, tail number RA-85588, airport Surgut, on January 1, 2011, in Russian, Interstate Aviation Committee (MAK), Moscow, 2011.
[3] Electrical equipment of aircraft Tu-154B(M), in Russian, Rilsk, Aviation College of Technology, 2000.
[4] Gieras JF.: Advancements in electric machines, London-Boston-Dordrecht, Springer, 2008.
[5] Hill R., Hughes W.J.: “A review of flammability hazard of Jet A fuel vapor in civil transport aircraft fuel tanks”, Report DOT/FAA/AR-98/26, US Dept of Transp., Springfield, VA, 1998.
[6] Kosvic T.C., Zung L.B., Gersten M.: “Analysis of fuel tank fire and explosion hazards”, Technical Report AFAPL-TR-71-7, Air Force Propulsion Laboratory, WPAFB, Ohio, 1971.
[7] Moir I., Seabridge A.: Aircraft systemes: mechanical, electrical and avionics subsystems integration, 3rd ed., Chichester, UK,J. Wiley & Sons, 2008.
[8] Ronkowski M., Michna, M., Kostro, G., Kutt, F.: Electrical machines around us, in Polish, Gdansk University of Technology, Gdansk, Poland, 2011.
[9] Soshin, V.M.: Aircraft Tu-154M, book 2, ed. Samara State Aerospace University, Samara, 2005.
[10] Timofieyev, J.M.: Electrical equipment of Tu-154M aircraft, Federal Air Transport Service of Russia, Academy of Civil Aviation, Sankt-Petersburg, 2000.
[11] Tu-154. Catalogue of parts and compilation of units. Chapter 27: Control, in Russian, Avia-Media, 1984, updated 2003.
[12] Tu-154M. User’s technical guidance, Chpt. 28. Fuel system.
[13] Tu-154B. User’s and technical service manual, Book 7, Part 1. Electric equipment, in Russian, Samara, Aviakor, 1994.
[14] Wing of Tu-154 aircraft, in Russian, Virtual cabinet of aircraft construction, [web page] http: //cnit.ssau.ru/virt{_}lab/krilo/index.htm [Accessed on Nov. 28, 2012].
[15] Wood R.H., SweginnisR.W.: Aircraft accident investigation, 2nd ed., Casper, WY, USA, Endeavor Books, 2006.
[16] Znichenko V.I: Construction and user manual of Tu-154M aircraft, Federal Air Transport Service of Russia, NLMK, Academy of Civil Aviation, Sankt Petersburg. 1998.
Authors: Prof. Jacek F. Gieras, Ph.D., D.Sc., IEEE Fellow, Department of Electrical Engineering, Electrical Machines and Drives, University of Technology and Life Sciences, Al. S. Kaliskiego 7, 85-796 Bydgoszcz, Poland, email: jacek.gieras@utp.edu.pl
Source & Publisher Item Identifier: PRZEGLA˛D ELEKTROTECHNICZNY, ISSN 0033-2097, R. 89 NR 2a/2013