Published by Andrzej KANDYBA1, Marian HYLA2, Igor KURYTNIK3,
The Polish Engineers and Technicians Association SIMP Group Silesia (1), Silesian University of Technology, Faculty of Electrical Engineering (2), State School of Higher Education in Oświęcim (3)
Abstract. Method of controlling transistors in AC voltage PWM controller aimed at eliminating commutation overvoltages is presented in the paper. The method is based upon keeping continuity of load current; this is achieved by appropriate control of transistors on the basis of detecting voltage sign (polarity) at the supply terminal and detecting load current sign (polarity). This type of control does not depend on character of the load and it makes possible increase of converter’s efficiency by elimination of RC circuits protecting transistors from overvoltages. The scheme of main circuit is shown as well as waveforms demonstrating the control principle. Four different characteristic operating conditions are discussed. Measurements have been done to verify the method with real three-phase AC converter with RL-type load and next non-thermic plasma.
Streszczenie. W artykule przedstawiono metodę sterowania tranzystorów regulatora napięcia przemiennego pozwalającą na wyeliminowanie przepięć komutacyjnych. Metoda bazuje na zachowaniu ciągłości prądu obciążenia; co jest osiągane za pomocą odpowiedniego sterowania tranzystorów na podstawie detekcji znaku napięcia zasilania i znaku prądu obciążenia. Sterowanie jest niezależne od charakteru obciążenia i pozwala na wzrost sprawności przekształtnika poprzez eliminacje obwodów RC zabezpieczających tranzystory przed przepięciami. Przedstawiono schemat obwodów głównych oraz przebiegi ilustrujące metodę sterowania. Omówiono cztery charakterystyczne przypadki pracy. W celu zweryfikowania metody przeprowadzono pomiary dla trójfazowego regulatora napięcia przemiennego z obciążeniem typu RL oraz przy zasilaniu plazmotronu plazmy nietermicznej. (Badanie bezprzepięciowej metody sterowania tranzystorami regulatora napięcia przemiennego w warunkach laboratoryjnych).
Keywords: AC-AC PWM voltage controller, power electronics, power system, switching surges
Słowa kluczowe: energoelektronika, układy zasilania, sterowanie impulsowe
Introduction
Power electronics AC voltage controllers are present in, for instance, drive systems, electric heating engineering, power engineering. They are used as power controllers, active filters and elements of power conditioners [1, 3, 4, 6, 7, 8, 9,10,11]. In drive systems they are used in soft-start circuits, in speed control or power control at machine shaft, in electric heating engineering mostly in power or temperature control circuits, and in power engineering in active filters systems. Due to their specific characteristics [1, 10], transistor AC voltage converters present an alternative to thyristor circuits. These converters are also used as supply systems for non-thermal plasma generators, which in turn are used in the process of purifying the air (by eliminating toxic compounds) during varnishing (in paint shops), in fossil fuel burning processes, in IC engines, or during some chemical reactions [2].
The main goal of PWM control in AC voltage controllers is control of output voltage fundamental harmonic value by changing pulse-duty factor of control impulses, where frequency is much higher than frequency of supply voltage. Pulse-duty factor of the impulse is the control quantity. In standard PWM control method, in order to avoid shortcircuiting of the circuit, dead times are introduced between switching the transistors in different branches of the converter. In this case, with RL-type load, when all transistors in the circuit are switched off, overvoltages are generated due to self-induction phenomenon. This effect of course enforces the application of special surge protection circuits. However, it is possible to use a specific method of PWM control, without using dead times, when commutation overvoltages at load side will not be generated.
Presented control method was used to supply of three-phase plasmatron of non-thermal plasma.
Control algorithm
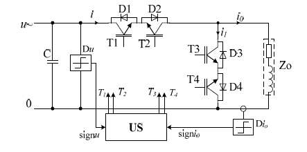
To discuss the control method we shall use a single-phase voltage controller shown in Figure 1. The current flow may be bi-directional in all converter branches. In addition, circuits detecting voltage sign (polarity) at supply terminal Du and detecting load current sign (polarity) Dio are required. Signals of voltage sign signu and load current sign ssigni0 are input into the control circuit US; this circuit generates impulses T1, T2, T3, T4 controlling transistor switching, and the switching sequence depends on current values of functions signu and signi0. Capacitor C protects the circuit against circuit break at the supply side.

In the control circuit (Fig. 1), the load current flows in the loop consisting of either supply source-horizontal branch-load or load-vertical branch. At the same time, short-circuiting between horizontal and vertical branches must be avoided. The characteristic feature of proposed control method lies in eliminating the necessity of using dead times during transistor switching. This is achieved by pulse switching of one transistor only in a given operating mode, while the control signals of other transistors ensure the continuity of load current flow. Switching the second transistor on or off (this is transistor ensuring current flow in the circuit) is achieved spontaneously, due to voltage distribution in the circuit, when current in the pulsed transistor either decays or appears again.
Table 1 shows different states of signals controlling the transistors, in accordance with supply voltage and load current signs. The arrows mark the direction of transition between different operating conditions of the circuit.
Table 1. States of transistor control signals

Detection of supply voltage and load current signs is the starting point for controlling the circuit. In real (actual) converters, these sign detection signals may not be generated at the precise time instants when they occur; this may lead to short-circuiting or overvoltages in the circuit. In order to avoid this danger, a short time delay has been introduced for switching transistor control signals, when the control circuit receives information on change in voltage or current sign. Change in load current sign results in delay in switching transistors T1, T2 of horizontal branch, and voltage sign change results in delay in switching transistors T3, T4 of vertical branch. Figure 2 demonstrates the control method and supply voltage and load current waveforms; u – supply voltage, io – load current, signu – detection signal of supply voltage sign (polarity), signio – detection signal of load current sign (polarity), T1, T2, T3, T4 – transistor control signals, Δt – transistor switching delay interval. The delay time Δt has been set as equal to switching period. When load current sign assumes positive value and supply voltage is positive, then transistor T3 is switched off, and when delay time Δt is over, then transistor T2 is also switched off and pulse signal is input to transistor T1. When transistor T1 conducts, the current flows in the loop T1 – D2 – load Zo; when transistor T1 is switched off, then supply voltage sign is reversed and this results in forward bias of transistor T4; load current is taken over by transistor T4 and diode D3. When transistor T1 is switched on again, the positive voltage appears at load terminals; this leads to reverse polarization of T4 transistor and T4 current is turned off. When voltage sign becomes negative, while load current is positive, transistor T1 is switched on by a continuous signal, and when delay time Δt is over, then transistor T3 is switched on by a continuous signal and pulse signal is input to transistor T4.
When transistor T4 conducts, the current flows in the loop T4 – D3 – load Zo. The load voltage is negative; this is the sum of voltage drops across conducting transistor T4 and diode D3. In this mode negative voltage is present at transistor T1 and this prevents current flow through this transistor.
When transistor T4 is switched off, the load voltage starts to increase until supply voltage value is reached. When load voltage begins to exceed supply voltage, T1 transistor goes into a forward bias, and this results in load current taken over by transistor T1 and diode D2. When transistor T4 is switched on again, transistor T1 is polarized in reverse direction and current flowing through transistor T1 is turned off. Similar situations take place in remaining operating conditions. The proposed control method does not require synchronisation of the pulse signal with frequency of supply voltage fundamental harmonic.

Testing of control method The control method has been tested using simulation tool Matlab-Simulink. Model used in the tests has been described in [4, 8]. This model makes it possible to set any (arbitrary) transistor switch-on time and this facilitates testing the method for controllers using different types of transistors. In order to check the resistance of control method to expected (in actual circuits) inaccuracies of detecting changes of supply voltage and load current signs, a series of simulation tests has been run. Results of analysis were presented in [6]; on the basis of this analysis we may distinguish four characteristic cases:
– detection circuit indicates change of sign of supply voltage too soon (i.e. at first information about sign change is obtained, and only then actual change takes place). This is an inadmissible case, since it results in a through short-circuit of transistors in both vertical and horizontal branches of the circuit during those time intervals, when detection of supply voltage sign is inaccurate and incorrect,
– detection circuit indicates change of sign of supply voltage too late (i.e. at first the actual change of supply voltage sign takes place, and only then information about sign change appears). The delay of voltage sign detection in relation to actual change in supply voltage results in deformation of load current during those time intervals, when detection of supply voltage sign is inaccurate and incorrect. This, however, does not pose any danger of damage to converter’s transistor switches,
– detection circuit indicates change of sign of load current too soon (i.e. at first information about sign change is obtained, and only then actual change in current flow takes place). This is an inadmissible case, since it results in generation of overvoltage across load inductance and, at the same time, a through short-circuit of transistors in both vertical and horizontal branches of the circuit occurs during those time intervals, when load current is turned off,
– detection circuit indicates change of sign of load current too late (i.e. at first actual change of load current sign takes place, and only then information about sign change appears). The delay of current sign detection in relation to actual change in load current results in deformation of load current during those time intervals, when detection of load current sign is inaccurate and incorrect. This, however, does not pose any danger of damage to converter ‘s transistor switches.
Experimental verification
The proposed control method has been applied in three-phase AC voltage controller with zero lead. This controller consists of three identical circuits shown in Figure 1. The tests have been run for different load parameters, transistor pulse frequencies and pulse-duty factors of control signals. The load currents (1,2,3) for different phases as well as load voltage (4) corresponding to load current (1) are shown in Figure 3. The tests have been conducted for transistor pulse frequency equal to 2 kHz, pulse-duty factor of control impulses equal to 25%, and time delay of transistor switching in relation to supply voltage and load current signs detection signals equal to 1 ms.

During another research the converter was loaded with non-thermal plasmatron through steep up matching transformer (1:8 ratio). Scheme of system is shown in Figure 4, where: UZ – transistor converter AC-AC, Td – matching transformer in star-delta connection, P – plasmatron.

In Figure 5 output phase currents and phase-to-phase voltage waveforms were presented.

In Figures 6-7 currents and phase-to-phase arc voltage were presented.


Figure 6 presents the typical plasmatron operation cycle: ignition, work and extinction of the arc.
Waveforms presented in Figure 7 show the typical voltage and current waveforms during the discharge of the arc.

The sequence of the plasmatron work cycle were presented in Figure 8. Pictures were made under the conditions show in Figures 6-7.
Plasmatron is based on quartz tube with 3 steel work and two ignition electrodes inside. Plasmatron is adjusted to work in vertically position and is equipped with gas flow speed adjuster.
Presented plasmatron along with power supply is dedicated to electrochemical process application, mainly for disposal of low concentration toxic gases from the air.
Application of current arc regulator in plasmatron power supply circuit allows to control energy in arc circuit and parameters of electrochemical process.
Conclusions
The proposed pulse control method of AC voltage controllers makes it possible to get rid of dead time between different transistors switching’s as well as to eliminate commutation overvoltages due to the effect of self-induction in RL-type loads. This is achieved by introducing time delays for transistor control signals, when change of sign of supply voltage or load current is detected. In accordance with adapted control method and non-zero dynamics of the switches, the pulse-duty factor may vary from time delay value Δt to time corresponding to 100% pulse-duty factor minus time Δt. Since current supplied by the source is pulsing, commutation overvoltages may be due to the inductance of the supply line itself. In this case, surge protection circuits at the supply side are indispensable. The proposed method does not depend on type of load.
Proposed control method was verified by experiments for converter with RL-type load and next non-thermal plasma plasmatron.
Performed research indicated that type of load don’t disturb proposed transistors control method.
REFERENCES
[1] Fedyczak Z.: Impulsowe układy transformujące napięcia przemienne, Wyd. Uniwersytetu Zielonogórskiego, Zielona Gora 2003
[2] Ferenc Z., Kandyba A.: Unieszkodliwianie zanieczyszczeń gazowych w reaktorach plazmowych, Efektywne zarządzanie gospodarką odpadami, VII Międzynarodowe Forum Gospodarki Odpadami, Wydawnictwo Futura, Kalisz-Poznań, (2007), 659-668
[3] Harada K., Annan F., Yamasaki K., Jinno M., Kawata Y., Nakashima T., Murata K., Sakamoto H.: Intelligent transformer. IEEE Trans. on Industry Applications, 0-7803-3500-7/96, (1996)
[4] Jang D. -H., Choe G.-H.: Improvement of input power factor in AC choppers using asymmetrical PWM technique. IEEE Trans. on Industrial Electronics. Vol. 42. No. 2, (April 1995)
[5] Kandyba A., Hyla M.: Energoelektroniczny regulator napięcia przemiennego o sterowaniu impulsowym do współpracy z odbiornikiem łukowym. Przegląd Elektrotechniczny NR 11/2011, 52-55
[6] Kandyba A., Hyla M., Kurytnik I.: Control of transistors in AC voltage PWM controller with elimination of commutation overvoltages, IEEE International Conference on Computational Problems of Electrical Engineering CPEE, Lviv, Ukraine, 2-5 (Sept. 2015), 62-67
[7] Kucheruk V., Kurytnik I.P., Ovchynnykov K., Molchaniuk M. The usage of the linear interpolating fijter for an accurate fluctuation fading time measuring activated in LC-circuit . Przegląd Elektrotechniczny, nr.8, (2013), 68-70
[8] Lopes L. A. C., Joos G., Ooi B.: A multi-module PWM switched reactor-based static VAR compensator. IEEE Trans. on Industry Applications, 0-7803-3500- 7/96, (1996)
[9] Strzelecki R., Fedyczak Z., Kasperek R.: Design and tests of a three-phase PWM AC power controller with two transistorized switches. IEEE International Symposium on Industrial Electronics, Warsaw, Poland, (June 1996), 499-504
[10] Strzelecki R., Supronowicz H.: Współczynnik mocy w systemach zasilania prądu przemiennego i metody jego poprawy. Oficyna Wydawnicza Politechniki Warszawskiej Warszawa 2000
[11] Van Wyk J. D., Skudelny H. C., Müller-Hellmann A.: Power electronics, control of the electromechanical energy conversion process and some applications. IEEE Proc., vol. 133, Pt. B, no.6, (Nov. 1986), 369-399
Authors: dr inż. Andrzej Kandyba, The Polish Engineers and Technicians Association SIMP Group Silesia, 25 Górnych Wałów St., 44-100 Gliwice, Poland, e-mail: akandyba@grupasilesiasimp.pl
dr inż. Marian Hyla, Silesian University of Technology, Faculty of Electrical Engineering, Department of Power Electronics, Electrical Drives and Robotics, 2 Krzywoustego St., 44-100 Gliwice, Poland, e-mail: marian.hyla@polsl.pl
prof. dr hab. inż. Igor Kurytnik, State School of Higher Education in Oświęcim, 8 Kolbego St., 32-600 Oświęcim, Poland, e-mail: ikurytnik@outlook.com
Source & Publisher Item Identifier: PRZEGLĄD ELEKTROTECHNICZNY, ISSN 0033-2097, R. 92 NR 7/2016. doi:10.15199/48.2016.07.21