Published by Andrzej LANGE1, Marian PASKO2,
University of Warmia and Mazury, Department of Electrical, Power, Electronic and Control Engineering (1), Silesian University of Technology, Institute of Electrical Engineering and Computer Science (2)
Abstract. This article presents the consequences of exchanging older metal cutting machines for new ones in terms of electrical energy consumption and quality of consumed electrical energy.
Streszczenie. W artykule przedstawiono konsekwencje w zakresie energochłonności oraz jakości pobieranej energii elektrycznej wymiany starych maszyn do cięcia metalu na nowe. Zmniejszanie zużycia energi w procesie produkcji i parametry opisujące jakość energii
Słowa kluczowe: parametry jakości energii elektrycznej, wyższe harmoniczne napięć i prądów, moc bierna, filtry pasywne.
Keywords: electrical energy quality, higher harmonics of voltages and currents, reactive power, passive filters.
Introduction
In industrial plants, devices of various energy consumption levels are used in technological processes. Older devices are often powered with internal elements of machines directly from the network, thus consuming much more energy than newer machines powering internal systems through electronic devices. Not only does it pertain to welding machines [1,2] and lighting [3, 4], but also to machines producing polymer layers. Replacing older devices with new, modern machines significantly reduces the consumption of electrical power but worsens the parameters characterising the quality of electrical power [5,6]. This results from the fact that the power electronics systems of these devices generate higher harmonic powers to the electrical power network and consume capacity reactive power or, alternatively, inductive and capacitive reactive power for the basic harmonics.
Characteristics of the measurement system
To illustrate the influence of modern production devices on the quality of electrical power and energy consumption levels in the production process, machines for cutting reinforcement bars were used for comparison. For analysis of the operation of these devices, measurements for two steel cutting machines were performed:
– Older type steel cutting machines of the METAX GE2 type, year of manufacture 1992;
– Modern-type steel cutting machines of the METAX GXN3 type with an energy-saving drive, year of manufacture 2018;
To analyse the energy consumption level and the quality of energy consumed by the machines, measurements with a HIOKI 3196 type power supply quality analyser were performed. During device operation, current, voltages and power were measured to determine energy consumption levels along with higher harmonic currents and voltages in the power supply point. Both machines had the same technological parameters.
Measurements of electrical parameters of the machines
The current function for the current running through the older type METAX GE2 machine is presented in Fig. 1. It deviates little from the classical sinusoid shape. Thus, the percentage value of specific harmonics is very slow, and the total harmonic distortion THDi does not exceed 3% with the coefficient of total interharmonic distortions TiHDi being ca. 1.2% (Fig. 2.) The current consumed by the modern METAX GXN3 machine is highly distorted (Fig. 3), which translates into a significant content of specific higher harmonics and total harmonic distortion of the higher harmonics THDi (Figs. 4 and 5). The new machine consumes, on average, higher harmonics of 25% for the 5th harmonic, 20% for the 7th and 11th harmonics and 15% for the 13th harmonic. The average total harmonic distortion coefficient for higher harmonics THDi is ca. 50% (Fig. 4). The maximum percentage values of higher harmonics in machine supply current are presented in Fig. 5. These values are significantly higher than the average values as the 3rd harmonic reaches 80% and the total harmonic distortion exceeded 120%.





During operation, the newer machine consumes on average ca. four times lower current effective value (Fig. 6) and consumes on average ca. four times lower active power (Fig. 7) than the olde rtype machine. This is because the newer machine switches off during idle run and switches on for only a few seconds (Figs. 8 and 9). The engine of the older machine was not switched off during pauses in cutting metal rods, but it kept operating on idle run, thus the machine kept consuming active power and current with high values of the inductive components (Fig.10). The value of reactive power of the basic harmonics is constant for the older machine and is of an inductive character. In the new machine, the reactive power of the harmonic consumed from the network changes dynamically and takes both positive and negative values. During engine operation, when active power reaches high values, the reactive inductive power of the basic harmonic is consumed from the network. When the engine is switched off (no active power is consumed) and only the power electronics converter is operated, the capacitive reactive power of the basic harmonic is then consumed from the network. This results from loading capacitors located between the rectifier and the inverter of the converter circuit. During pauses in the operation of the drive, only a small effective current value is consumed from the network with a small content of specific higher harmonics (Figs. 11 and 12).







Their value does not exceed 20% for the specific harmonics and 40% for THDi. The values of specific harmonics increase significantly when the engine is activated, reaching 70% for the 5th harmonic and 50% for the 7th harmonic. The total value of the higher harmonic in the current powering the machine then reaches 120%. In similar operating conditions with the older machine, the content of higher harmonics in the feeding current did not exceed 8% (Fig. 12).
The use of the newer machine for steel cutting entails higher dynamics of changes in power coefficient (Fig. 13).

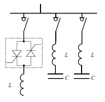
With the older machine, the PF power coefficient kept varying between 0.4 and 0.9 with inductive character. With the new machine, the PF coefficient varies between -1 and 1. With such great variation, not only in the value of the PF coefficient but also in the changes from inductive to capacitive character and the other way round, both being very dynamic, significant problems emerge in compensation of the reactive power of the basic harmonics. For such devices it is not sufficient to use automatically adjusted batteries of condensers controlled by contactors. The contactor reaction time would be too slow for such quick changes in the reactive power of the basic harmonic. The change in the character of the reactive power of the basic harmonic represents yet another problem. For such dynamic changes, either an active filter needs to be used that would not only filter higher harmonics of current, but it would also compensate the reactive power of the basic harmonic [7, 8, 9] or a passive filter could be used that would activate specific elements through thyristor power supply systems of the compensation systems. In the case of a passive filter for compensation, not only should condensers be used for compensation of reactive inductive power, but also chokes for compensation of capacitive reactive power. Two solutions may be used. The first system (Fig. 14) includes a choke activated by a contactor with a parallel battery of condensers activating specific elements through a thyristor switch. The choke should have a value that guarantees the reactive power compensation capacity of the basic harmonic during an idle run of the inverter (the engine is not in operation), as the capacitive reactive power of the basic harmonic is consumed from the network. Batteries of condensers should have such a power that during engine operation they would be capable of compensating not only the reactive power of the basic harmonic sourced by the throttled but also through the engine power system. When the inverter is in idle condition, only the throttle is powered and the condenser batteries are switched off. Once the engine is activated and inductive reactive power of the basic harmonic is sourced from the network and the thyristor switches activate specific elements in follow-up mode to keep the desired power coefficient.

The second system (SVC) consists of a throttle activated by the thyristor switch and condenser activated by the contactor of the switch (Fig. 15). In this solution, it is the condenser that is permanently connected to the network and the throttle controlling the thyristor activation angle adjusts the reactive power of the basic harmonic supplied to the network. The condenser power should be adapted to the maximum values of the inductive reactive power of the basic harmonic consumed by the engine drive system during its operation. The throttle should be selected in such a way so as to compensate only the reactive power of the basic harmonic generated by the condenser.
Because active filters are costly, it is possible to use a hybrid system, i.e. a combination of an active filter with a passive filter [10, 11]. Such a solution decreases the power of the active filter with the power needed for compensation of the reactive power. In such a case, the active filter is used for filtering higher harmonics and the passive filter is used for compensation of reactive power of the basic harmonic. At the same time, the passive filter would also compensate higher harmonics, thus supporting the active filter. In particular, it would filter the lower harmonics, i.e. those to which the passive filter would be tuned. The active filter can also support the passive filter by compensating the reactive power of the basic harmonic.

The use of a modern control system for the metal cutting machine also reduces the occurrence of current surges at the moment of connecting the older machine to the network. In a classical activation system, a high start-up current would be generated which would cause voltage drops in the network in the case of large engines. In the new machine, the start-up current is smooth (Fig. 16) with no overcurrents occurring. The drive machine is also switched off in a smooth manner (Fig. 17). The start-up time for such an engine is ca. three periods. It is thus impossible to use a classical (contactor) reactive power compensation system because the time needed for compensation is too short.


Remarks and conclusions
Replacing the older machines with modern ones with electronic power system causes:
– the consumption of distorted current (Fig. 2) which is connected with generating higher current harmonics and feeding them into the network (Fig. 4).
– the consumption from the feeding network of an average effective current of significantly lower value (Fig. 5),
– reducing the consumption of active power (Fig. 6) and reactive power of the basic harmonic (Fig. 6) and, in consequence, reduces the consumption of electrical power from 13.36 kWh to 3.02 kWh per hour of machine operation.
– a reduction in current effective value during machine idle run (Fig. 8),
– the consumption of both inductive reactive power and capacitive power from the network in stand-by mode (Fig. 9),
– an increase in the speed of changes in the value of reactive power of the basic harmonic with a simultaneous change in the character of the circuit from inductive to capacitive (Fig. 9) which results in the necessity of using follow-up inductive reactive power compensation during machine compensation and compensation of capacitive reactive power in standby mode,
– an increase in higher harmonics in the supply voltage as a result of consuming higher harmonic currents and the possibility of occurrence of current resonances.
LITERATURE
[1] Lange A., Pasko M.: The influence of modern welding devices on the quality of electrical power and power consumption levels (in Polish). Przegląd Elektrotechniczny, R. 93 (2017) no 3, 152-155
[2] 2.Orłowicz A. W., Trytek A.: Study of arc and melting efficiency in GTAW process. Archives of Foundry, 2003, Volume 3, Book 8, pp.131-140
[3] Lange A., Pasko M.: The effects of LED light sources on the parameters defining the quality of electricity. ITM Web of Conferences, Volume 19, 01006 (2018)
[4] Wandachowicz K., Taisner M.: Diode lamps and modules powered with alternating current (in Polish). Poznan University of Technology Academic Journals. No.92. 2017. pp.117-122
[5] EN 50160: 1998. Parameters of supply voltage in public power distribution networks
[6] Power law of 25 September 2012. Journal of Laws, item 1059, vol. 1
[7] Pasko M., Buła D, Dębowski K., Grabowski D., Maciążek M.: Selected methods for improving operating conditions of threephase systems working in the presence of current and voltage deformation Pt. 1.,Pt. 2. Arch. Electr. Eng. 2018 vol. 67 no. 3, pp. 591-602, pp.603-616
[8] Grabowski D., Maciążek M, Pasko M., Piwowar A. Timeinvariant and time-varying filters versus neural approach applied to DC component estimation in control algorithms of active power filters. Appl. Math. Comput. 2018 vol. 319, s. 203-217
[9] Buła D., Pasko M. Stability analysis of hybrid active power filter, Bull. Pol. Acad. Sci., Tech. Sci. 2014 vol. 62 no. 2, s. 279-286
[10] Akagi H.: Active Harmonic Filters. Proceedings of the IEEE, Vol.93, No. 12, 2005, pp.2128-2141
[11] Shitsukane Aggrey Shisiali ,Mathews Ondiek Amuti: Power Quality Improvement using Hybrid Filters. International Journal for Research in Electronics & Communication Engineering, November 2016
Authors: dr inż. Andrzej Lange, University of Warmia and Mazury, Department of Electrotechnology, Power Industry, Electronic and Automation, ul. Oczapowskiego 11, 10-736 Olsztyn, e-mail: andrzej.lange@uwm.edu.pl
prof. dr hab. inż. Marian Pasko, Silesian University of Technology, Institute of Electrotechnology and Computer Science, ul. Akademicka 10, 44-100 Gliwice, e-mail: marian.pasko@polsl.pl;
Source & Publisher Item Identifier: PRZEGLĄD ELEKTROTECHNICZNY, ISSN 0033-2097, R. 96 NR 2/2020. doi:10.15199/48.2020.02.03