Published by Tadeusz GLINKA1,2, Marek GLINKA2
Politechnika Śląska w Gliwicach (1), BOBRME Komel (2)
Abstract. Design of steel-plant furnace three-phase transformer (110 kV/(350 to 500) V, 50 kA) and its operating conditions are described in the paper. After three months of operation this transformer failed. Cause of failure, its course and damage to transformer winding are presented. Recommendations for transformer winding design and its installation and protection are given.
Streszczenie. W artykule opisano budowę trójfazowego transformatora piecowego 110 kV/(350 do 500) V, 50 kA i warunki jego pracy w miejscu zainstalowania. Transformator, po trzech miesiącach pracy, uległ awarii. Opisano przyczynę awarii, jej przebieg i uszkodzenie uzwojenia transformatora. Podano zalecenia dotyczące wykonania uzwojenia transformatora i zalecenia dotyczące jego zainstalowania i zabezpieczenia. (Problemy eksploatacyjne transformatora hutniczego).
Keywords: steel plant furnace transformer, transformer failure, transformer repair, transformer protection.
Słowa kluczowe: transformator piecowy, awaria transformatora, naprawa transformatora, zabezpieczenie transformatora.
Transformer’s design and installation
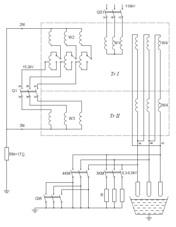
Steel plant transformers are electrical devices providing electrical energy needed in the manufacturing process. The processing requires current control and this is achieved by voltage control (regulation). Usually this is a step voltage control. The necessity of continuous voltage control, that is controlling output voltage when transformer is on load, is a feature distinguishing steel plant transformers design from power engineering transformers (unit and distribution transformers). In case of power engineering transformers, service manuals have been elaborated [1]. The current paper describes a steel plant transformer used to heat liquid steel in the continuous casting processing line. Here the converter’s liquid steel is reheated and ameliorated in ladle arc furnace of 300 Mg holding capacity. The furnace is supplied from two transformers, the main transformer (#1) and booster transformer (#2) connected as shown in Figure
Transformers are placed in a common tank and they constitute one supply circuit with step-controlled voltage. The ratings are as follows: power: (40 000 ÷ 26 327) kVA; primary winding W1: 110 kV; (209,9 ÷ 138,2) A; control windings W2-W3: 15238 V; / (840 ÷ 754) A;
secondary winding W4: (514 ÷ 304) V; /(44,9 ÷ 50) kA. The primary winding (W1, marked as high tension voltage GN) of transformer #1 is star-connected and supplied from 110 kV distribution substation by a cable line c. 3 kms long. The distribution substation bus voltage is stepped up and equal to 119 kV. Large power synchronous machines operate in the plant so that the network is overcompensated.
Transformer bay in distribution substation is equipped with a circuit breaker (WS1), disconnector and surge limiters. The secondary winding (W4, marked as DN – low tension voltage) embraces both columns of transformers #1 and #2 and is delta-connected; it is carried outside transformer chamber via bus and connected to furnace electrodes with bundles of elastic wires. Voltage control is achieved with the help of medium voltage winding (winding W2), which is placed in transformer #1 core. Winding W2 is equipped with taps connected with on-load tap changer. There are 13 taps. The control winding W2 supplies the primary winding W3 of booster transformer #2. W2 and W3 windings are star-connected; the neutral points of both star arrangements are connected and earthed via 17 Ω resistance.
The short-circuit voltage between winding W1 (high tension) and winding W4 (low tension) for tap #1 (output voltage 304 V) is equal to 10.93 %, while for tap # 13 (output voltage 514 V) is equal to 7.46 %. The circuit breaker switch (Q1) in medium voltage circuit connects control winding W2 of main transformer (#1) and primary winding W3 of booster transformer (#2). Surge limiters are installed at both sides of Q1 circuit breaker switch. Contactors rated at 1200 A are used as short-circuiting switches 3KM and 4KM of low tension winding W4. They are placed in transformer chamber. The QW short-circuiting switch is a remotely-operated disconnector and is placed outside the transformer chamber.

W4 winding output terminals and short-circuiting switches 3KM, 4KM and QW are connected by 4 meters long copper cable of 95 mm2 crossection. This cable runs over transformer tank. Transformer and accompanying devices are placed in a brick chamber in plant manufacturing house.
During normal operation of ladle furnace, the QS1 breaker is closed, the circuit breaker Q1 is closed, and the short-circuiting switches 3KM, 4KM and QW are open. Furnace electrodes current control is accomplished by tap changer present in transformer tank. The switch-over of the transformer from normal (on-load) operation to idle run (no-load) is conducted in accordance with following sequence of events:
- Q1 circuit breaker is tripped (opened); this causes decrease in load and electrode arc goes out, since booster transformer 2 is not supplied and its secondary winding W4 acts as a reactor with a large inductance,
- electrodes are automatically raised,
- contactor 3KM is closed and this causes short-circuiting and earthing of DN circuit via resistors R = 1.6 Ω; short circuit state lasts for 3 seconds,
- contactor 4 KM is closed, which causes direct short-circuiting and earthing of DN circuit, 3 KM contactor is opened,
- if necessary, disconnector QW is closed; this is done by the servicemen eg. when electrodes are lengthened or if current paths connecting DN winding with the electrodes are subjected to maintenance.
Disconnector QW, which doubles the function of short-circuiting switch 4KM is located outside the transformer chamber, since for safety reasons the servicemen must be able to observe the condition of disconnector knife contacts and to make sure that the current path is earthed; only then the maintenance can be performed.
The switchover to ladle transformer normal operation is done by opening the short-circuiting switches QW and 4KM, switching the circuit breaker switch Q1 on and lowering the electrodes until the electric arc is started. The power switch QS1 is coupled via auxiliary contacts with circuit breaker Q1 so that they are interlocked. The circuit breaker Q1 is in turn coupled via auxiliary contacts with short-circuiting switches 3KM, 4KM i QW; this coupling prevents switching Q1 on if DN circuit is short-circuited.
Transformer failure
The investigated transformer was brand new when it was installed and put into operation in July. The failure occurred in October, so it operated only three months. The failure took place during switching the transformer from no-load state to on-load operation. When switch Q1 was closed, emergency cut-off took place, via power switch Q1 installed on the switchboard. The QS1 switch was tripped after 70 ms has passed. The gas-filled protection was also actuated (this breaker constituted the second stage of transformer protection) as well as protections on both medium tension (SN) windings. The surge limiters installed at both sides of Q1 breaker did not operate. The short-circuiting switch 4KM was on and cable connecting low tension winding (DN) with the short-circuiting switch was burned out (gone). The transformer operated in shorted circuit. The bushing insulators were burned and completely damaged by electric arc.

Electric arc occurred between insulators 3A – 2B and 3B – 2C, as shown in Figure 2. Traces of burning by electric arc were also observed at DN winding leads. This arc caused three-phase arcing fault of main transformer SN winding. The measurements conducted sometime after the failure showed that main transformer SN winding had been damaged. The chromatographic tests of gases dissolved in transformer oil and gases obtained from gas-flow relay showed existence of internal short-circuit in the transformer.
Transformer was then moved to the plant where it had been manufactured. When it was taken out of the tank and partially disassembled the following observations were made:
- high tension (110 kV) W1 winding had not been damaged,
- medium tension (SN) W2 winding of main transformer had been damaged by electrodynamic forces,
- medium tension (SN) W3 winding of booster transformer had not been damaged,
- low tension (DN) W4 windings of both transformers had
- not been damaged
Description of W2 winding damage
W2 winding consists of two layers. The first layer lies immediately next to transformer’s core and is a reversible control winding with 6 taps. The second layer is the basic medium tension winding SN. In phases A B and C the basic winding was pushed up and the control winding down, by 8 to 15 centimetres. Moulding rings made of Elkon transformer plywood broke into several parts and screws keeping the winding in place were driven into the Elkon rings and bent. As a result of insulation layers shift the insulation was locally damaged. Short-circuiting of control circuit (one tapping step) occurred in phases A and B in the very locations where insulation had locally failed. Short-circuiting sites showed small insulation burn-outs and copper melting.
Why did failure occur?
The interlocking between circuit-breaker Q1 and short-circuiting switch 4KM were set up with help of auxiliary contacts. When auxiliary contacts of 4KM switch were closed, then they blocked tripping (switching on) of Q1 circuit breaker and vice versa. Dust with insulating properties is produced and emitted during continuous casting process. The transformer chamber was not air-tight. Dust was able to get into the chamber and, since electrical devices operating in the chamber were live, the chamber was never cleaned. Dust was deposited on auxiliary contacts of 4KM short-circuiting switch and, in time, the contacts became isolated and did not block Q1 circuit switch. Therefore when the short-circuiting switch 4KM was on, the circuit breaker Q1 could have been switched on likewise. Transformer tank cover, the bushing insulators and the wires were all coated with dust. When circuit breaker Q1 was switched on and lower tension winding DN was short-circuited, the electrodynamic forces generated by short-circuit current were such, that the transformer cover was dislodged and the dust cloud rose into air. The short-circuit current at DN side was calculated to be equal to c. 230 kA and current density in short-circuiting cable was equal to c. 2400 A/mm2. With this current density, the copper wire melted after c. 50 ms; between the ends of burned wire electric arc was generated and this caused copper evaporation. Electrodynamic forces present in the arc ejected the copper particles onto the DN winding terminals and to SN bushings. The space between bushings became conductive and this led to arc-type short-circuit between insulators 3A-2B i 3B-2C as shown in Figure 2. This is a short-circuit of main transformer (transformer #1), and this transformer’s short-circuit rated voltage is very small. The short-circuit current rose, and electrodynamic forces generated in the windings increased in proportion to squared current value. The main transformer was not designed to withstand this type of short-circuit.
What errors were committed?
After analysing transformer operating conditions, transformer’s suitability to supply voltage and its design, we get the impression that several undesirable events took place at the same time. These events can be enumerated as follows:
- errors in transformer design assumptions,
- design and construction defects,
- and the greatest errors, which constituted direct cause of failure: transformer’s operating conditions and the setup of contactors’ interlocking.
Transformer design data
The primary (high tension) winding was designed for rated voltage equal to 110 kV. The supply voltage was 199 kV, that is 8.2% higher than rated voltage; hence the short-circuit current went up by 8.2% as well and the electrodynamic forces generated in winding rose by 17%. The second error related to transformer chamber and its lack of dust-tightness. The plant manufacturing house, where continuous casting processing line is located, is full of dust created during manufacturing processes. This dust freely flowed into transformer chamber, mainly through ventilation ducts and deposited itself on all devices present inside the chamber. Electrical devices operating in the chamber were live, so that the chamber was never cleaned and dust not removed.
Transformer design and construction defects
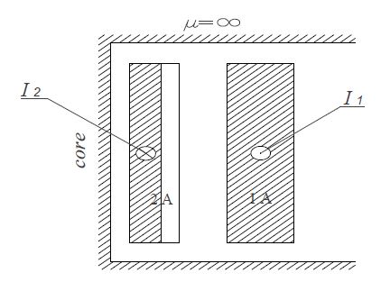
The control winding W2 has been designed with taps. When tap is connected into the circuit, only part of the winding operates and it is placed non-symmetrically in the column in relation to primary winding W1 (Fig. 3). This asymmetry is particularly significant in case of tap No.1. This tap was connected during the investigated short-circuit event.
During second stage of short-circuit, the ampere turns of W1 and W2 windings were equal to each other, this may be concluded from theory of transformers [2,3]. The said asymmetry generates magnetic fields in transformer window: longitudinal field By and transverse field Bx, The interaction of these fields and windings current produces electrodynamic forces, this is shown in Figure 3. Figure 3 is of course only a model illustrating generation of forces Fx i Fy, and in particular axial force Fy which became the destructive force. The Fy might be smaller if the active part of W2 control winding at each tap was distributed uniformly along the column height, since the Bx flux density component is then minimum (see Fig. 4).

Errors in control and protection circuit
The biggest error and the direct cause of the failure was a mistake made during the design of control and protection circuits. The interlocking of circuit breaker Q1 and short-circuiting stitch 4KM was prone to failure. The other error was placing of short-circuiting switch 4 KM directly in transformer chamber and locating the earthing cable (from W4 terminals to 4KM switch) on the transformer tank surface.

Conclusions
Transformer failure has been analysed thoroughly and in detail by experts. Their recommendations were:
- to set up second interlocking between circuit breakers Q1 and 4KM, eg. based on current measurements in holding coils of Q1 and 4KM breakers (obligatory measure),
- to connect earthing cable to DN (low tension) current cables outside the chamber; short-circuiting switches 3KM and 4KM should be installed outside the chamber (obligatory measure),
- high tension winding W1 should be manufactured for rated voltage equal to 120 kV,
- taps of control winding W2 should be distributed along the column height (as shown in Fig. 4); the clamping of moulding Elkon rings should be changed from pointwise to surface-wise; the ring holding should be strengthened (thickened),
- transformer chamber should be sealed, air-blast should be introduced and chamber pressure kept at all times above the ambient (manufacturing room) pressure (obligatory measure).
Transformer after overhauling has been operating without further failure for 15 years.
The question arises whether investor of continuous casting processing line should had got experts’ opinion on line design before it was erected. Was failure (and resultant high repair costs) necessary to order such opinions?
Analysis of transformer failure leads to general conclusion, that in case of serious economic investments proper verification of designs is a must. Experts verifying the designs should analyse in detail both planned operation of devices and their behaviour in case of all possible failures and hazards.
Paper has been elaborated within the framework of research project of Narodowe Centrum Nauki, project number 6025/B/T02/2011/40.
REFERENCES
[1] Gutten M., Kucera S., Šebök M., Analiza niezawodności transformatorów mocy z uwzględnieniem przetężeń i prądów zwarciowych, Przegląd Elektrotechniczny, 7 (2009)
[2] Horiszny J., Numeryczne obliczenia prądu włączania transformatora energetycznego, Przegląd Elektrotechniczny, 10 (2004)
[3] Kuśmierek Z., Współczynnik obciążenia transformatora zasilającego odbiorniki nieliniowe i jego pomiar, Przegląd Elektrotechniczny, 6 (2004)
[4] Ramowa Instrukcja Eksploatacji Transformatorów, Energopomiar – Elektryka, Gliwice 2001, ISBN 83 916040-0-4
[5] Васютинсқий С. Б., Вопросы теории и расчета трнсформаторов, Издательство „Энергия”, 1970
[6] Zakrzewski K., Modelowanie pól elektromagnetycznych w projektowaniu transformatorów, Przegląd Elektrotechniczny, 3 (2002)
Autors: prof. dr hab. inż. Tadeusz Glinka, Politechnika Śląska, Zakład Maszyn Elektrycznych i Inżynierii Elektrycznej w Transporcie, ul. Akademicka 10, 44-100 Gliwice, Branżowy Ośrodek Badawczo Rozwojowy Maszyn Elektrycznych KOMEL, ul. Roździeńskiego 188 40-203 Katowice E-mail: Tadeusz.Glinka@polsl.pl; dr n. med. Marek Glinka, Branżowy Ośrodek Badawczo Rozwojowy Maszyn Elektrycznych KOMEL, ul. Roździeńskiego 188, 40-203 Katowice, E-mail: mag@iq.pl
Source & Publisher Item Identifier: PRZEGLĄD ELEKTROTECHNICZNY (Electrical Review), ISSN 0033-2097, R. 88 NR 7a/2012