Published by MYRON ZUCKER INC. , Website: www.myronzucker.com
Definitions
Harmonics are multiples of the fundamental frequency of an electrical power system. If, for example, the fundamental frequency is 60 Hz, then the 5th harmonic is five times that frequency, or 300 Hz. Likewise, the 7th harmonic is seven times the fundamental, or 420 Hz, and so on for the higher-order harmonics. Harmonics can be discussed in terms of current or voltage. A 5th harmonic current is simply a current flowing at 300 Hz on a 60 Hz system. A 5th harmonic voltage occurs from the 5th harmonic current flowing through the impedances present. Sometimes the amount of harmonics is discussed as Total Harmonic Distortion (THD). The formula for calculating the THD for current is as follows:

If, for example…
I1 = current at 60 Hz = 250 Amps
I5 = current at 300 Hz = 50 Amps
I7 = current at 420 Hz = 35 Amps
then…

Sources
If these harmonic currents flow in a power system, then they cause what is known as poor “power quality” or “dirty power.” There are other causes of poor power quality, including transients such as voltage spikes, surges, sags and ringing. As shown in Figure 1, harmonics are considered a steady-state cause of poor power quality because they repeat every cycle. Figure 2 shows the resultant wave form from a 5th harmonic present in a 60 Hz system.

Figure 1 — Fundamental and 5th Harmonic

Figure 2 — Fundamental and 5th Harmonic Combined
Harmonics are caused by devices that draw non-sinusoidal currents when a sinusoidal voltage is applied. Many times these are devices which convert AC to DC. Some of the devices which cause harmonics are listed below:
◆ Adjustable Speed Drives (ASDs)
— DC Drives
— Variable Frequency Drives (VFDs)
◆ 6-pulse Converters
◆ Power Rectifiers (e.g., plating systems)
◆ Uninterruptible Power Supplies (UPSs)
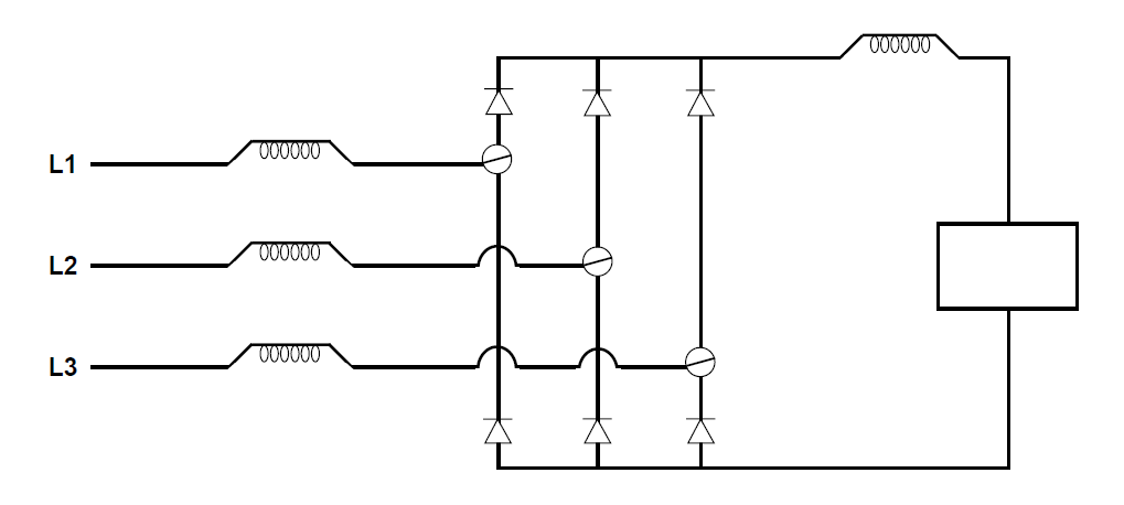
The devices listed above use power electronics such as SCRs, diodes and thyristors. These devices have become a growing percentage of the load in industrial power systems. The majority use a 6-pulse converter similar to that in Figure 3.

Figure 3 — A Typical 6-pulse Converter
Loads which cause harmonics do so as a steady-state phenomenon. Therefore, if a load is suspected to be non-linear, then even an instantaneous reading of the load (while it is operating) can determine if it is harmonic producing.
Each type of load would typically exhibit a specific harmonic spectrum. For example, the most common industrial harmonic source is the 6-pulse converter. It exhibits a spectrum starting with the 5th harmonic and decreasing in amplitude throughout its spectrum. This spectrum is defined in the following formula and corresponding graph (Figure 4):
h = np ± 1
where
h = harmonic numbers of the spectrum
n = 1, 2, 3, . . .
p = 6 for a 6-pulse converter
Therefore h = 5, 7, 11, 13, 17, 19, 23, 25, . . .

Figure 4 — 6-pulse Converter Spectrum Graph
Another common spectrum is that of a switch-mode power supply used for personal computers. This is found in commercial applications and has a spectrum starting with the 3rd harmonic and continuing with the triplens as the most dominant.
h = 3, 9, 15, 21, 27, . . .
Large UPS (Uninterruptible Power Supply) systems exhibit yet another typical spectrum. They tend to use a 12-pulse converter and have the following spectrum:
h = np ± 1
where
h = harmonic numbers of the spectrum
n = 1, 2, 3, . . .
p = 12 for a 12-pulse converter
Therefore h = 11, 13, 23, 25, 35, 37, . . .
Problems Resulting from Harmonics
There are many problems that can arise from harmonic currents flowing in a power system. Some are easy to detect. Other problems may exist and persist because harmonics are not suspected as the cause. Harmonic currents cause higher RMS current and voltage in the system. This can result in any of the problems listed below:
- Failed Power Factor Correction Capacitors
- Blown Fuses (no apparent fault)
- Tripped Circuit Breakers
- Overheated Transformers
- Overheated Conductors
- Worn Conductor Insulation
- Misfiring of AC and DC Drives
One of the larger problems is overheating transformers. In fact, a 10°C rise in operating temperature of transformers, motors or capacitors can cut equipment life by 50%. The harmonic currents are higher frequencies and tend to travel along the outside (skin effect) of the conductors, which results in insulation breakdown.
The need to address Harmonics
One of the two most common problems for industrial power users is striving to meet IEEE Std. 519-1992. IEEE 519 is a standard developed for utility companies and their customers in order to limit harmonic content and provide all users with better power quality. In the future, some utility companies may impose a penalty for users producing harmonics. Some key areas of the standard are as follows in Tables 1 and 2:
TABLE 1: Voltage Distortion Limits

TABLE 2: Current Distortion Limits for General Distribution Systems
(120 V through 69 000 V)

The other most common problem resulting from harmonics is power factor capacitor failures, or a need to correct power factor in a harmonic environment. In low-voltage systems (600 V or less), capacitors are typically the lowest impedance at harmonic frequencies. Therefore, they experience very high RMS currents and increased heat, which causes them to fail. So, even if meeting IEEE 519 is not the goal, dealing with harmonics may still be required.
When correcting power factor, there is the possibility of creating a resonant circuit. A resonant circuit occurs at the frequency when the impedance of the system (mostly the power transformer) and the impedance of the power factor capacitor are equal. This is called the resonant frequency.
The following formula can be used to find the resonant frequency in terms of harmonic number.

h = resonant frequency in terms of harmonic number
KVAsc = short-circuit capacity at the capacitor
KVAR = rated KVAR of the unswitched capacitance
If there are any sources of current at that frequency, they will be amplified. This will cause high distortion levels and could blow fuses or trip circuit breakers.
Locating the Source of Harmonics
When electric power users need to correct power factor, or they desire to meet IEEE 519, they must first locate the source of harmonics.
If the electrical power system is in the design phase, then the best approach is to gather as much information about any harmonics the non-linear loads will produce. A detailed one-line diagram including system voltages, transformer impedances, ASD Hp ratings, power rectifier KVA ratings, UPS KVA ratings and capacitor KVAR ratings is a good start to locating harmonics and the problems that may result. Myron Zucker, Inc. has produced a “Power Factor Correction & Harmonic Filter Questionnaire” which guides the user through a series of questions to obtain the data listed above and requests a one-line diagram.
The same approach should be used for an existing system. With an existing system, a harmonic study can be conducted to verify the system characteristics expected from the questionnaire or it can be done to determine the actual system characteristics. Myron Zucker, Inc. can provide assistance with both methods of locating harmonics.
Solving the Harmonic Problem
Harmonics can be “trapped” by the application of a Myron Zucker, Inc. tuned filter trap. The trap is an inductor capacitor (LC) filter which provides a low-impedance path for the harmonic currents. It “traps” the harmonics between itself and the harmonic source. As in correcting power factor problems at the source with capacitors, Myron Zucker, Inc. also recommends correcting harmonics problems at the source by using traps. For that reason, Myron Zucker, Inc. manufactures Caltrap™ brand harmonic filters from 10 to 100 KVAR, commonly tuned to the 5th harmonic, although other points are available. Myron Zucker, Inc. can also provide Caltrap™ brand harmonic filters with an integral line reactor to further isolate harmonics and provide other line reactor benefits such as reduced voltage notching from ASDs. Typical installations are shown in Figures 5 and 6 below.

Figure 5 — Caltrap™ Brand Harmonic Filter

Figure 6 — Caltrap™ With Line Reactor Brand Harmonic Filter
Although the best engineering practice is to trap the harmonics at the source, for economic reasons it may be better to use one trap for several harmonic sources. For example, a machine with several ASDs could be corrected with one trap at the machine control panel. In the same way, several small ASDs fed from one bus duct could have a trap at the beginning of the bus duct, giving the rest of the system better power quality.
In some cases, an even larger trap can be provided at the switchgear, feeding an entire low-voltage system. This would still trap the harmonics before the service transformer and could be used to reduce utility voltage harmonics.
Myron Zucker, Inc. manufactures Capacitrap® brand harmonic filters and automatically controlled Autocapacitrap® brand harmonic filters for these applications.Your local representative or Myron Zucker, Inc.’s Application Engineering Department can help determine what products are best for any application.
Myron Zucker, Inc. has successfully installed Caltrap™, Capacitrap® and Autocapacitrap® brand harmonic filters throughout the US and other countries. Our quality products and 50 years of experience in the power industry can be beneficial in any application
Wonderful blog! I found it while searching on Yahoo News. Do you have any tips on how to get listed in Yahoo News? I’ve been trying for a while but I never seem to get there! Many thanks
LikeLike