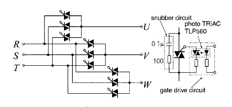
Previous Image Next Image fig.-3.-interconnection-switch-configuration-with-nine-bidirectional-thyristor-switches