Skip to content
Power Quality Blog
Menu
+
×
expanded
collapsed
Home
About
Blog
Harmonics
Interharmonics
Supraharmonics
IEEE 519-2022
IEEE 519-2014
Archive
Contact
Facebook
Previous Image
Next Image
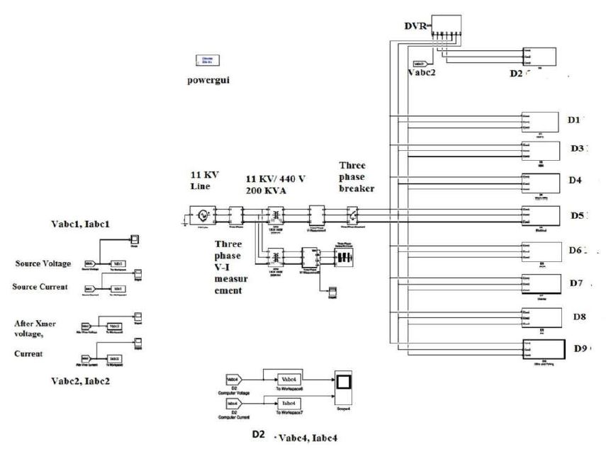
fig.-2-simulink-diagram-for-institution-with-dvr
Post navigation
Published in
fig.-2-simulink-diagram-for-institution-with-dvr
Leave a comment
Cancel reply
Δ
Comment
Subscribe
Subscribed
Power Quality Blog
Join 1,319 other subscribers
Sign me up
Already have a WordPress.com account?
Log in now.
Power Quality Blog
Subscribe
Subscribed
Sign up
Log in
Copy shortlink
Report this content
View post in Reader
Manage subscriptions
Collapse this bar