Published by Robert JĘDRYCHOWSKI, Klara SEREJA, Politechnika Lubelska, Katedra Sieci Elektrycznych i Zabezpieczeń, Poland
Abstract. Implementation of prosumer energy generation to low-voltage network systems involves both benefits and technological problems concerning the grid operation. Electricity generation in LV network systems is of a distributed and quite unpredictable character. In those systems, solar PV installations, whose operation depends on the insolation level are used as energy sources. This article presents a low-voltage grid control algorithm based on a distributed environment of interoperable PLC’s and the exchange of information between them.
Streszczenie. Pojawienie się energetyki prosumenckiej w sieciach niskiego napięcia przynosi zarówno korzyści, jak i problemy techniczne w pracy tych sieci. Generacja w sieciach nn ma charakter rozproszony i dość nieprzewidywalny. Jako źródła energii wykorzystywane są instalacje fotowoltaiczne, których praca zależna jest od nasłonecznienia. W artykule przedstawiono algorytm sterowania siecią niskiego napięcia oparty na rozproszonym środowisku współpracujących ze sobą sterowników PLC oraz sposób wymiany informacji pomiędzy nimi. (Układ sterowania generacją rozproszoną w sieci niskiego napięcia).
Keywords: PLC, distributed generation, smart grid, control algorithm.
Słowa kluczowe: PLC, generacja rozproszona, smart grid, algorytm sterowania.
Introduction
Prosumer energy generation is becoming an increasingly important element of electric power systems. A novel feature of such installations is the option of equipping them with energy storage units [1]. In Poland, it is chiefly solar PV installations that are applied as micro-sources of energy. In 2016, total installed capacity in PV micro installations connected to the network system exceeded 100 MW [2], which makes a fourfold increase as compared to the preceding year. It is forecasted that in the oncoming years the photovoltaic market will develop equally dynamically.
Operation of PV sources is characterized by daily cycles of variable generation depending on the insolation conditions. The insolation level varies depending on the time of year and day and also on the actual weather conditions. A prosumer installation includes loads, whose operation is also of a variable character depending on a week day and the daily work and life routines of the inhabitants. Unfortunately, it often happens that characteristics of the generation and of the loads are not mutually correlated, which can cause problems for the network system where to the prosumer installations are connected [3].
The above makes a challenge for the distribution network operators (DNOs), who are responsible for proper operation of the network, because the LV grid changes from an one-source supply structure to a more complex system that includes many sources. It can bring about a change from the unidirectional to the bidirectional power flow and most of the presently operated grids are not adjusted to that [4]. Connection of distributed sources to the system involves changes in the load flow, voltage profile of the grid and voltage drop values, which consequently affects voltage values in individual nodes of the grid. Practical experience shows that it leads to exceeding of the allowed voltage values in those nodes.
Another problem for the DNOs are such sources, whose operation is not controllable as well as single-phase sources that introduce additional asymmetry to the power system.
In order to deal with the above mentioned problems, it is necessary to develop a network operation control system using algorithms that are adjusted to the network character. Such an algorithm is based on the ability to control selected sources in the grid as well as on controllability of the MV/LV transformation ratio. The control system should also define a communication model that meets requirements set by the control algorithm [5].
Lack of control over the LV grid operation will force its modernization in order to adjust its technical parameters to the actual conditions with the effect of microgeneration taken into account [5].
Network system with grid-connected microgeneration sources
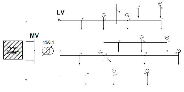
Figure 1 presents a fragment of a LV distribution grid with the connected consumers and prosumer installations to be used to analyze the above discussed problems.

A transformer of a controllable transformation ratio is installed in the MV/LV transformer substation. The LV grid represents a radial system and the connections are made of insulated conductors of various diameters adjusted to the expected load profile. The network system includes prosumer installations (Fig. 1)
In the considered network system, the nodal voltage value can be determined as follows:

The U0 busbar voltage value at the low voltage side of the MV/LV substation depends on the actual transformation ratio. At the assumption that values of resistance and reactance in the individual line segments are constant, the voltage drop value depends on voltage drop values in those line segments or indirectly on the active and reactive power in specific nodes.

Assuming that:
– at the instant t1 voltage in the node i is Ui1,
– at the instant t2 power generation level (Pg, Qg) has changed only in the node i and its voltage is Ui2
it is possible to determine a parameter that describes voltage change in the node i as:

At the assumption that the source operates at a constant value of the generated reactive power (Qg = const) or that the control is realized by curtailment of the generated active power by a constant value the formula 3 can be simplified as follows:

The parameter is a measure of the source control range for the node i, at the generated power change by a preset value of ΔPg.
Control algorithm
The discussed solution is based on the concept of an active network [7], [8]. The concept concerns a LV grid that includes microgeneration. This system is characterized by real-time measurements and the control realized by local systems of internal control as well as an intelligent central control system. Reliable exchange of information is indispensable for proper operation of the active grid. The active network management systems are meant to increase the interconnection potential for distributed sources and at the same time to maintain stability of the system and a good level of the power quality parameters.

It has been assumed that each node with a connected source is controlled with the application of a controller that supervises operation of the node. This controller is designed for the acquisition of local signals, communication with the inverter in order to change the operation characteristic and to induce incremental reduction of the generated power Pg. There is also a supplementary controller installed in the MV/LV substation. Its task is to control the transformer operation and the tap changer as well as to monitor the load on individual power lines outgoing from the substation. This controller also functions as a remote control device within the SCADA system.
There are two control algorithms that can be distinguished in the discussed system:
1. A local voltage control algorithm (Fig. 2) meant to realize voltage control in a single node. The algorithm functions autonomously even, when there is no communication with other controllers.
2. An algorithm for distributed coordinated voltage control. It enables coordination and control over the whole grid in order to ensure proper voltage values (Fig. 4).
The task of the local control algorithm is to avoid exceeding of the preset maximum voltage values (Umax) in the grid. The controller controls the value of phase voltages in a grid node. In the case, when the Umax voltage value gets exceeded the generated power Pg is reduced by the value of ΔPg, which results in the nodal voltage decrease by the value of δUi. After a preset time delay course on account of the inverter reaction time, the operation is repeated till Ui<Umax or the maximum curtailment level Nmax is obtained (the number of levels depends on the inverter technological potential). After the lapse of a specified time, the power curtailment is removed. It can be realized only in the case, when the voltage boosting by the value of δUi does not bring about exceeding of Umax. Additionally, once a day in the evening, when the generating installations sit idle, the local algorithm resets all the generation curtailments (N = 0).

The algorithm for distributed coordinated voltage control in the network system is based on local measurements and data concerning actual operation conditions of individual microgeneration installations. Its task is to keep voltage within specified limits for all the grid nodes. (Fig. 4). The controller that cooperates with the inverter real time collects information on voltage values in specified grid points, on the microgeneration source influence on the voltage conditions (δUi) as well as on the currently selected inverter operation characteristic. The collected data are sent to the substation controller. The first step is to determine actual maximal and minimal grid voltage values based on the local measurement data. The obtained values are compared to the boundary values – the upper one Uiglim and the lower one Uidlim that can be described as:

The coefficient k ≥ 1 makes possible to determine action ranges for the both algorithms as well as to adjust them so that to ensure their correct operation (Fig. 3).
If no cases of voltage exceeding are recorded for a specified time period t, then the controller continues its operation without undertaking any additional actions. By contrast, if the maximum voltage value exceeds a specified level Uiglim on a longtime basis (for the t time period), the controller activates the local control mode. A change of the inverter operation characteristic is attempted. It is a change to the Q(P) of that microgeneration installation, whose influence on the deteriorated voltage conditions of a given grid branch is the greatest at a given instant, which means that it meets the condition δUi = δUGmax. Once this step is completed, the voltage exceeding condition is checked again and if such need arises a selection of a generator to change its operation characteristic is performed again.

If the exceeding of Uiglim persists despite changing the operation mode of all the generators, the next decision is to adjust the tap setting on the on-load tap changer and thereby to decrease voltage in the transformer substation. Such a change is not possible in the case, when the tap changer is already set to the lowest tap or, when in some other point of the grid the voltage is too low. If one of the mentioned conditions is met, the algorithm determines a third way to deal with the elevated voltage, which is gradual local curtailment of the generated power (the local control algorithm). As in the inverter case, the selection of a source to apply the curtailment scheme is based on the assessment of the voltage drop difference value
In a situation, when a change in the network conditions occurs such as a change in the load or a change in the generation level resulting from changing insolation conditions, the control algorithm supports termination of the curtailment scheme with the lapse of a preset time period and a return to the inverter settings that ensure the maximum generation level. In the case, when a long-term voltage decrease down to below the lower bound Uidlim is recorded, the controller sends a signal for the tap change and thereby induces incremental voltage boosting in the substation.
Communication system
Data exchange between controllers that supervise operation of prosumer installations and the transformer substation is crucial for proper functioning of the distributed algorithm [9]. The data exchange process is realized in two areas:
– communication between the cooperating PLCs;
– communication between a controller that supervises the MV/LV substation operation and the DNO control system.
In order to organize the data exchange, it is necessary to select adequate communication technology. A standard communication method for programmable logic controllers is the Ethernet networking technology, although older technologies like RS 458 [10] are also applicable. However, those technologies require the application of physical communication links and that is why the radio communication should also be considered. Depending on the distance between specific grid nodes, it is possible to apply either the Wi-Fi technology of the GSM [11].
Aside with the mentioned communication technologies, it is also necessary to determine organization methods for the data to be exchanged between the controllers. Various available communication protocols can be used for that purpose. For specific tasks the below listed solutions have been provided:
1. Communication between the PLCs:
a. Data exchange using network variables – a solution meant for a small amount of data that are transmitted within a small group of cooperating devices.
b. The use of communication protocols applicable to the PLCs such as Modbus. It makes possible to group large amounts of data at the guaranteed communication reliability.
2. Communication with the DNO control system (SCADA) [12]:
a. Distributed Network Protocol (DNP) 3.0, IEC 60870- 5-101 or IEC 60870-5-104 for large distances between the MV/LV and the HV/MV substations.
b. MMS protocol of the standard IEC 61850 for substations cooperating with the HV/MV substation that apply that standard.
In order to ensure real-time monitoring of the system and proper functioning of the distributed algorithm, it is necessary to synchronize time settings of all the cooperating controllers. The UTC time synchronization mechanism can be applied for that purpose. A programmable logic controller or some other remote control device of the MV/LV substation equipment should be applied as the time standard.
The developed communication system will also influence functioning of the distributed coordinated voltage control algorithm. Delays that form due to the communication system operation have to be considered, when the timing for individual members of the algorithm is defined.
Conclusions
The article presents a control system for a low voltage grid that includes distributed low-power energy sources. The system is composed of several mutually dependent elements.
Architecture of the system is the first of those elements. Regarding the distributed character of small-scale electricity generation, the control system as well has to be characterized by a distributed architecture and additionally to ensure autonomous operation of its individual elements. The second element is a system for the measurement data acquisition that supplies information on the values of electrical quantities measured in the grid nodes. The third element is a control algorithm. It is the most important part of the system, where the control is realized both individually in each node of the grid and collectively – at the level of the entire network system. The algorithm has to take into account specific properties of individual energy sources and the cooperating inverters, operation characteristics of individual customers and technological constraints that characterize the power system. The basic task of local algorithms is to optimize operation of the energy sources respecting the required voltage constraints. The distributed algorithm is meant to influence the functioning of local algorithms in such a way as to minimize and eliminate voltage hazards related to the operation of a group of energy sources.
The last of the discussed control architecture elements is a communication system that is indispensable to ensure data exchange between the component system elements. Its correct operation ensures access to the information and enables realization of the collective algorithm. It also enables measurement data acquisition from local systems. Additionally, the communication system can ensure retransmission of selected data to the SCADA system of the network operator [10]. The discussed control system concept assumes the application of programmable logic controllers (PLCs) as devices that make possible to flexibly shape the system elements.
New effective solutions for the network system management can minimize negative phenomena related to the distributed electricity generation, which year on year will gain an increasing importance taking into account the presently observed dynamically increasing number of the installed microgeneration sources. Owing to them, the potential of integrating distributed energy sources into the power grid will grow without undertaking expensive modernization works.
Commission Regulation (EU) establishing ”Network Code on Requirements for Grid Connection of Generators” [13] that imposes a requirement for including microgeneration installations into the remote control system offers a good basis for starting research activities on the implementation of the control algorithms to LV grids with a high share of distributed generation.
REFERENCES
[1] Jędrychowski R., Pijarski P., Adamek S.: Wykorzystanie zasobnika energii do regulacji parametrów elektrycznych sieci niskiego napięcia. Rynek Energii (2017), nr 2, s. 56-59
[2] Rynek fotowoltaiki w Polsce. Raport Instytutu Energetyki Odnawialnej EC BREC IEO, Warszawa, 2017.
[3] Conti S., Raiti S., Tina G., Vagliasindi U.: Study of the impact of PV generation on voltage profile in LV distribution networks. Power Tech Proceedings IEEE, Portugal, 2001.
[4] Geidl M.: Protection of Power Systems with Distributed Generation. State of the Art, Power Systems Laboratory, ETH, Zurich, 2005.
[5] Jędrychowski R., Wydra M.: Modeling of control systems dedicated to dispersed energy sources, Przegląd Elektrotechniczny, (90) 2014, nr 3, s. 247-250
[6] Jędrychowski R., Pijarski P., Adamek S., Sereja K.: Korzyści ekonomiczne wynikające z zastosowania zasobnika energii w sieci niskiego napięcia. Rynek Energii, (2017), nr 1, s. 31-34.
[7] Vovos P. N., Kiprakis A. E., Wallace A. E., Harrison G. P.: Centralized and Distributed Voltage Control: Impact on Distributed Generation Penetration. IEEE Trans. on Power Systems, vol. 22 (2007), nr 1, str. 476-483.
[8] Pfajfar T., Papic I., Bletterie B., Brunner H.: Improving power quality with coordinated voltage control in networks with dispersed generation. 9th International Conference on Electrical Power Quality and Utilisation, Barcelona, 2007.
[9] Jędrychowski R.: Zalety standaryzacji systemów nadzoru i zabezpieczeń dla generacji rozproszonej. Rynek Energii nr 21(81) – 2009, str. 46-51.
[10] Jędrychowski R., Wykorzystanie sterowników PLC, jako źródła informacji dla systemów nadzorujących pracę jednostek wytwórczych małej mocy. Rynek Energii, 110 (2014), nr 1, s. 30-34
[11] Kiedrowski P.: Cztery sposoby zwiększenia wydajności telemetrycznych systemów komunikacyjnych „ostatniej mili”, Rynek Energii, 110 (2014), nr 1, str. 24-29.
[12] Pluta S., Tarczyński W.: Transmisja sygnałów telemechaniki w systemach elektroenergetycznych. PAK vol 56 (2010), nr 1.
[13] Network Code on Requirements for Grid Connection of Generators Rozporządzenie Komisji Europejskiej, 2016/631.
Authors: dr inż. Robert Jędrychowski, Lublin University of Technology, Department of Electrical Networks and Security, ul. Nadbystrzycka 38A, 20-618 Lublin, E-mail: r.jedrychowski@pollub.pl;
mgr inż. Klara Sereja, Lublin University of Technology, Department of Electrical Networks and Security, ul. Nadbystrzycka 38A, 20-618 Lublin, E-mail: k.sereja@pollub.pl;
Source & Publisher Item Identifier: PRZEGLĄD ELEKTROTECHNICZNY, ISSN 0033-2097, R. 94 NR 7/2018. doi:10.15199/48.2018.07.12