Published by Alexander DEECKE, Rafael KAWECKI
Siemens AG, Power and Gas, Instrumentation and Electrical
Abstract. Due to the continuously increasing amount of renewable energy being generated and the simultaneous reduction in rotating masses, the demand for grid-stabilizing measures is growing. To solve the problem different possibilities are known, one of them is the reuse of fossile power generation units as synchronous condenser. The article presents experiences and challenges from last projects and shows available solutions for existing power plants.
Streszczenie Przy rozproszonym wytwarzaniu energii istnieje potrzeba wyrównywania różnych możliwości źródeł energii. Jedną z możliwości jest wykorzystanie generatorów tradycyjnych jako synchronicznych kondenserów. Artykuł przedstawia przykłady eksperymentów. Wykorzystanie istniejących elektrowni jako synchronicznych kondenserów
Keywords: Synchronous condenser, synchronous generator, reactive power, modernization.
Słowa kluczowe: synchroniczny condenser, generator synchroniczny, moc bierna.
Introduction
Due to the continuously increasing amount of renewable energy being generated, increased transit of energy between countries and the simultaneous reduction in rotating masses, the stability of the transmission grid can be affected. Thus the demand for grid-stabilizing measures is growing.
Rotating synchronous machines can generate leading and lagging reactive power and contribute to the stabilization of the transmission grid voltage. Thus retiring a conventional power generation unit can create a deficit in reactive power that directly affects the transmission grid voltage stability and reliability.
Every power plant approaches one day the end of their operational life and power plant owners face a challenging decision of retiring the plant or, as alternative, upgrading the power plant to synchronous condenser.
Stability and reliability of the grid
In order to avoid any voltage disturbances and enough transmissions capacity a stable and reliable grid with continuous local regulation of reactive power is requested. This critical task is supported by conventional power plants with synchronous generators.
For the rated transmission of active power in the line no additional reactive power is required. In case more active power shall be transported, like in German transmission line after installation of wind turbines in norther part of the country, transmission line will require increased reactive power. It is specially critical for the redundant power lines (n-1), when one of them shall take over the capacity of the other one.
On the other side regulation of the reactive power supports the voltage stability in the grid.
Available solutions
To solve the problem of stability and reliability in the grid a regulation of the reactive power needs to be planned and implemented accordingly. Rotating synchronous condensers generate leading and lagging reactive power (Fig. 1), short circuit capacity, and thus play a key role in stabilizing the voltage and increasing the active power and short circuit capacity in the transmission grid. To realize this either a new synchronous condenser can be built or instead of shutting down decommissioned power plants, it is possible to continue economical operation by utilizing the generator as a synchronous condenser. In such case the generator is reconfigured for stand-alone functionality with inductive as well as capacitive reactive power.
Specially reuse of existing units is becoming more and more interesting for power plant owners at the end of the lifecycle of generating units. Instead of closing the unit it can be converted to a synchronous condenser and thus contribute to the transmission grid stability and as side effect it allows usage of existing assets, like generator and building, with just optimized investment costs.

As an example a upgrade of the nuclear power plant Biblis A [1] to a synchronous condenser shall be mentioned.

Conversion steps
Conversion of conventional generating unit into synchronous condenser is done in three main steps:
• feasibility study
• mechanical works on the turbine and generator
• eletrical works on generator and auxiliary systems
Further above mentioned works will be described more detailed.
Feasibility study
In the study existing components are investigated specially in regards to the mechanical reconstruction as well as new components are chosen.
The start-up procedure needs to be investigated from the mechanical and electrical point of view. All necessary parameters, like initial acceleration power and run-up time, needs to be calculated or rechecked. Existing generator cannot work in any critical conditions, e.g. in regards to heating of the stator ruding startup.
The extension of the lifespan of existing devices needs to be checked and coordinated with optional modernization of affected components accordingly. E.g. modernization of excitation system can be realized in the same time as conversion to synchronous condenser
Mechanical works
As the turbine is not needed anymore, during this step turbine is decoupled from the generator. The connection needs to be replaced by shaft extension and bearing (see Fig. 4) for the stability reasons. The connection can however remain if the synchronous condensers operating mode is used just temporarily, e.g. only during the weekend. A connection via a clutch is also optionally possible.
During this stage also other components, like oil supply systems and foundation, needs to be checked and if necessary adapted to the new operating mode.
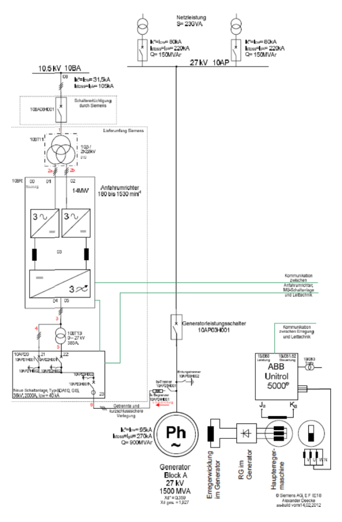
As the turbine is not connected anymore to the generator a new startup system needs to be designed and implemented. In most of the cases a simple pony motor with start-up Variable Frequency Drive (VFD) can take over the function. Figure 2 shows example of such connection as realized in one of the projects in Germany.


Electrical works
As second step some electrical changes on the unit need to be completed. Depending on the age and function of installed components either just reconfiguration or complete new installation of the systems need to done.
Following components needs to be included in the works (Fig. 5):
• installation of start-up frequency converter (SFC)
• installation of transformers for SFC
• installation of medium voltage (MV) switchgear
• modification of generator protection and synchronizer
• modification of excitation equipment
• modification / connection to generator bus duct
• installation of Is-limiter or short current limiter reactor (option)
• electrical installation (cabling) and modification works

During this part of works most of the components can be reused and thus initial investment is limited just to necessary modifications. In case the component can be reused, e.g. generator protection system, the parameterization needs to be checked and reconfigured according to new operating range of the generator.
Startup
SFC is used to start-up the generator similar as it is realized in units with gas turbines. The difference, in most of the cases, is the fact that SFC brings the generator to over rated speed without the turbine. The SFC is protected by an Is limiter (current limiter). The power supply for SFC is fed from the grid. After the overspeed is achieved the SFC is switched off and generator can be synchronized with the grid during the coast down to synchronous speed.
In order however to start the process generator needs to speed up first to about 10% of rated speed. This enables the identification of the rotor position and later correct startup process.
Optionally after the synchronous speed is achieved the SFC can be switched off and the generator can be synchronized with the grid if a fast switch-over device is installed.
During the start-up process some of the functions of the generator protection and excitation system are switched off and work with different parameters. E.g. the under frequency protection is switch off.
Normal operation
After generator was connected to the grid, normal operation of the synchronous condenser can be started. The regulation of the reactive power is realized over the setting of the unit transformer and by regulation of the excitation system.
Synchronous condenser reacts automatically on changes in the grid voltage. E.g. in case the grid voltage increases the unit decreases export of the reactive power to the grid.
Many different studies and reports [2, 3, 4] show that such regulation of reactive power gives the maximum of necessary flexibility in regulation and thus in stability and reliability of transmission grid.
Conclusion and outlook
Transmission grid stability and reliability was already in the past a key aspect for power systems. With the development of renewable sources of energy and further changes in the grid configuration this topic will become also in the future more important for safe supply of electrical energy to the loads.
By decommissioning of existing conventional power plants which regulate the reactive power in the grid, the stability of the system can be affected in a negative way. Therefore conversion from power generation unit to a synchronous condenser is a interesting from technical and financial point of view alternative to the shut down of the unit.
As synchronous condenser is a rotating device it provides also short circuit support additionally to the reactive power supply.
Already realized projects in Germany, Denmark, USA and other countries show that such reconstruction can be done in a short time.
In the future also other countries in and outside Europe will face the same challenges and thus presented solution shall be considered by both transmission grid authority and power plant owners.
REFERENCES
[1] Biblis A generator stabilizes the grid as a synchronous condenser, Reference flyer SPPA-E3000
[2] Davidson Ch., Wirta W., AES Uses Synchronous Condensers for Grid Balancing, PowerMagazine online, 2014.01.03
[3] Frerichs D., Mechanical and electrical rebuilding of a turbine generator for phase-shift operation, Power-Gen Europe 2013
[4] Lösing M., Schneider G., Synchronmaschine als Phasenschieber in Biblis A, ew, Jg. 111 (2012)
Authors: Dipl. Ing. Alexander Deecke, Siemens AG Erlangen, Power and Gas, Instrumentation and Electircal, Freyeslebenstr. 1, 91058 Erlangen, Germany, E-mail: alexander.deecke@siemens.com; Dr. Ing. Rafael Kawecki, Siemens AG Erlangen, Power and Gas, Instrumentation and Electircal, Freyeslebenstr. 1, 91058 Erlangen, Germany, E-mail: rafael.kawecki@siemens.com.
Source & Publisher Item Identifier: PRZEGLĄD ELEKTROTECHNICZNY, ISSN 0033-2097, R. 91 NR 10/2015. doi:10.15199/48.2015.10.12