Published by Hyong Sik Kim, Dylan Dah-Chuan Lu, School of Electrical and Information Engineering, University of Sydney, Sydney, Australia. Email: hkim4210@uni.sydney.edu.au
Smart Grid and Renewable Energy, 2010, 1, 119-131 doi:10.4236/sgre.2010.13017 Published Online November 2010 (http://www.SciRP.org/journal/sgre). Received October 20th, 2010; revised November 14th, 2010; accepted November 20th, 2010.
ABSTRACT
This paper focuses on the wind energy conversion system (WECS) with the three main electrical aspects: 1) wind turbine generators (WTGs), 2) power electronics converters (PECs) and 3) grid-connection issues. The current state of wind turbine generators are discussed and compared in some criteria along with the trends in the current WECS market, which are ‘Variable Speed’, ‘Multi-MW’ and ‘Offshore’. In addition, the other crucial component in the WECS, PECs will be discussed with its topologies available in the current WECS market along with their modulation strategies. Moreover, three main issues of the WECS associating with the grid-connection, fault-ride through (FRT) capability, harmonics/interharmonics emission and flicker, which are the power quality issues, will be discussed due to the increasing responsibility of WECS as utility power station. Some key findings from the review such as the attractiveness of BDFRG are presented in the conclusion of this paper.
Keywords: Wind Energy, Wind Turbine Generators, Power Electronic Converters, Grid Connection, Brushless, Reluctance, Pulse-Width Modulation, Fault Ride Through Capability, Voltage Dip, Harmonics, Flicker, Power Quality, BDFRG
1.Introduction
Green house gas reduction has been one of the crucial and inevitable global challenges, especially for the last two decades as more evidences on global warming have been reported. This has drawn increasing attention to renewable energies including wind energy, which is regarded as a relatively mature technology [1]. It recorded 159 GW for the total wind energy capacities in 2009, which is the highest capacity among the existing renewable energy sources with excluding large-scale hydro power generators as shown in Figure 1 [2].

on [2]).
Also, its annual installation growth rate marked 31.7% in 2009 with its growth rate having been increasing for the last few years, which indicates that wind energy is one of the fastest growing and attractive renewable energy sources [3]. The increasing price competitiveness of wind energy against other conventional fossil fuel energy sources such as coal and natural gas is another positive indication on wind energy [4]. Therefore, a vast amount of researches on WECS have been and is being undertaken intensively.
WECS consists of three major aspects; aerodynamic, mechanical and electrical as shown in Figure 2. The electrical aspect of WECS can further be divided into three main components, which are wind turbine generators (WTGs), power electronic converters (PECs) and the utility grid.

There are many review papers on those electrical aspects available; however, there seem small amount of investigation and discussion on some newer concepts of WGTs as well as PECs along with its modulation strategies. The purpose of this paper is, therefore, to review these three important electrical aspects of WECS with some of the newer concepts for WTGs, PECs with their modulation strategies, and some of the grid connection issues that have risen as the penetration of wind energy on the utility grid has been increasing rapidly in the last few years [4].
The structure of this paper is as follows: wind turbine generators are firstly discussed in Section 2, followed by PECs and their modulation strategies in Section 3. Then, grid connection issues of WECS will be addressed in Section 4. In Section 5, the discussion on these three components is presented and followed by the conclusion in Section 6.
2.Wind Turbine Generators
2.1. Wind Turbine Generators in the Current Market
WTGs can be classified into three types according to its operation speed and the size of the associated converters as below:
- FSWT (Fixed Speed Wind Turbine)
- VSWT (Variable Speed Wind Turbine) with:
- PSFC (partial scale frequency converter)
- FSFC (full scale frequency converter)
FSWT including SCIG (Squirrel-Cage Induction Generator), led the market until 2003 when DFIG (Doubly Fed Induction Generator), which is the main concept of VSWT with PSFC, overtook and has been the leading WTG concept with 85% of the market share reported in 2008 [4]. For VSWT with FSFC, WRSG (Wound Rotor Synchronous Generator) has been the main concept; however PMSG (Permanent Magnet Synchronous Generator) has been drawing more attention and increasing its market share in the past recent years due to the benefits of PMSG and drawbacks of WRSG [7].
Since there is much literature available on these WTG concepts in the market such as [6 13], the following section will only address the two newer concepts of WTGs, which are BDFIG (Brushless Doubly Fed Induction Generator) and BDFRG (Brushless Doubly Fed Reluctance Generator), followed by the discussion with the comparison of them to the existing concepts.
2.2. Two Newer WTG Concepts
2.2.1. BDFIG
BDFIG is one of the most popular VSWT with PSFC types in the current research area due to its inherited characteristics of DFIG, which is the most popular WTG type at the current market, along with its brushless aspect that DFIG do not possess. As shown in Figure 3, BDFIG consists of two cascaded induction machines; one is for the generation and the other is for the control in order to eliminate the use of sliprings and brushes, which are the main drawback of DFIG.

This brushless aspect increases its reliability, which is especially desirable in offshore application [14,15]. Other advantages are reported in [6,16,17] including its capability with low operation speed. On the other hand, BDFIG has relatively complex aspects in its design, assembly and control, which are some of the main disadvantages of BDFIG [8].
2.2.2. BDFRG
There is also another brushless and two-cascaded-stator concept of VSWT with PSFC type in the research area, which is BDFRG. As shown in Figure 4, one distinct design compared with BDFIG is its reluctance rotor, which is usually an iron rotor without copper windings, which has lower cost than wound rotor or PM (permanent magnet) rotor.

This design offers some advantages on top of the advantages of BDFIG including higher efficiency, easier construction and control including power factor control capability as well as the cost reduction and higher reliability including its “fail-safe” operating mode due to its reluctance rotor [18-21]. Due to its very high reliability, reluctance generators have also been of interest in aircraft industry where design challenges such as harsh environment operation and stringent reliability exist [22, 23]. On the other hand, some of the drawbacks for BDFRG exist such as complexity of rotor deign, its larger machine size due to a lower torque-volume ratio and so forth [20,24,25].
2.3. Comparison of WTG Concepts
The advantages and disadvantages of the six concepts, the four existing in the current market and the two newer concepts discussed in the previous section are summarised in Table 1 [6-21,24,25].
Based on the information in Table 1, Table 2 represents a comparison of those six concepts with respect to the five criteria; energy yield, cost, reliability, grid support ability and technical maturity. For energy yield, PMSG has the highest rating followed by the other VSWT concepts and SCIG has the lowest energy yield with 10-15% lower value than PMSG [26] due to its fix speed aspect. However, SCIG has the lowest cost followed by BDFRG, and WRSG has the highest cost due to its large size wound machine. It is interesting when ‘energy yield per cost’ is considered based on the estimated levels on energy yield and cost in Table 2. The highest value is achieved by neither PMSG nor SCIG; BDFRG achieves the highest estimated levels on ‘energy yield per cost’, which is supported in [19]. Reliability is closely related to the existence of brushes and sliprings, which is the main drawback of DFIG. The reason BDFIG is rated as ‘Medium-High’ despite of its brushless aspect is because it is new and has design complexity, which brings down reliability as the case of the newer German WTGs compared with older Danish WTGs reported in [12]. On the other hand, BDFRG is rated as ‘High’ despite of that it is as new concept as BDFIG. It is because of the ‘fail-safe’ characteristic of BDFRG, which enables its robust operation in spite of the failure on its inverter or secondary stator. Grid support ability is affected mainly by the size of the converter and the stator connection. VSWT with FSFC has high support ability due to its full scale frequency converter. In the case of DFIG, with PSFC, it can only provide limited support to the grid due to its directly connected stator that absorbs the effect of grid fault without any mitigation. It is reported that BDFIG and BDFRG have improved characteristics under grid fault [16] and for grid support ability [19] respectively. Lastly, the maturity of the technology is straightforward as shown in Table 2 because SCIG, DFIG and WRSG have been developed for more than a couple of decades followed by PMSG. As mentioned before, BDFIG and BDFRG are newer concept and therefore more researches are needed in order to increase its technical maturity and hence to be applicable in the industry.
Table 1. The advantages and disadvantages of the six WTG concepts.
| Generator Concept (Type) | Advantages | Disadvantages |
|---|---|---|
| SCIG (FSWT) | • Easier to design, construct and control • Robust operation • Low cost | • Low energy yield • No active/reactive power controllability • High mechanical stress • High losses on gear |
| PMSG (VSWT-FSPC) | • Highest energy yield • Higher active/reactive power controllability • Absence of brush/slipring • Low mechanical stress • No copper loss on rotor | • High cost of PM material • Demagnetisation of PM • Complex construction process • Higher cost on PEC • Higher losses on PEC • Large size |
| WRSG (VSWT-FSPC) | • High energy yield • Higher active/reactive power controllability • Absence of brush/slipring • Low mechanical stress | • Higher cost of copper winding • Higher cost on PEC • Higher losses on PEC • Large size |
| DFIG (VSWT-PSPC) | • High energy yield • High active/reactive power controllability • Lower cost on PEC • Lower losses by PEC • Less mechanical stress • Compact size | • Existence of brush/slipring • High losses on gear |
| BDFIG (VSWT-PSPC) | • Higher energy yield • High active/reactive power controllability • Lower cost on PEC • Lower losses by PEC • Absence of brush/slipring • Less mechanical stress • Compact size | • Early technical stage • Complex controllability, design and assembly • High losses on gear |
| BDFRG (VSWT-PSPC) | • Higher energy yield • High active/reactive power controllability • Lower cost on PEC • Lower losses by PEC • Absence of brush/slipring • No copper loss on rotor • Less mechanical stress • Easier construction | • Early technical stage • Complex controllability and rotor design • High losses on gear • Larger size than DFIG |
Table 2. The comparison of the six different WTG concepts.
| Generator Concept | Energy Yield | Cost | Reliability | Grid Support Ability | Technical Maturity |
|---|---|---|---|---|---|
| SCIG | Low | Low | High | Low | High |
| PMSG | High | Medium-High | High | High | Medium-High |
| WRSG | Medium-High | High | High | High | High |
| DFIG | Medium-High | Medium | Medium | Medium | High |
| BDFIG | Medium-High | Medium | Medium-High | Medium-High | Low |
| BDFRG | Medium-High | Low-Medium | High | Medium-High | Low |
2.4. Discussion on WTGs
As observed previously, there has been ‘variable speed’ trend in the WT market due to its greater energy yield along with other advantages and will be so in the future with DFIG and PMSG leading the market base on the various data and literature [4,8,9,27]. The two newer concepts, BDFIG and BDFRG are also in line with this trend.
Another distinct trend is offshore wind energy. It is reported that offshore wind resource has higher quality in terms of its availability and constancy, and higher spatial availability than onshore wind resource, which makes offshore wind very attractive [28]. However, there exist great technical challenges on its construction and maintenance, because of its geological accessibility that greatly depends on the weather condition, which is an unpredictable external factor. Due to this reason, offshore wind has only 1.2% of the world’s total installed wind energy share (onshore and offshore) at the current market [3] and is reported to cost 1.5-2 times more than equal-size onshore wind application [29]. As discussed previously, DFIG is less attractive for offshore application due to its pre-planned maintenance for brush and sliprings whereas PMSG, BDFIG and BDFRG are more attractive due to its brushless aspect. BDFRG is especially attractive for its reliability due to its reluctance rotor as discussed previously. Although offshore wind has low level of installation at the present, the growth rate was reported to be 30% in 2009 and is expected to continue to grow [3,28].
Lastly, ‘Multi-MW’ trend is also observed at the current wind turbine market [4,9,27] due to the fact that larger power station has lower cost per kWh. The size of the turbine in the current market has gone up to 5-6 MW or even greater [27], supported by the increased technical level in design and construction. In terms of the cost of the material, DFIG and BDFRG are preferable over PMSG and BDFIG for this trend since PM material in PMSG is costly, and BDFIG has a wound rotor with the two wound cascaded stator, which has greater amount of windings than DFIG or BDFRG.
3.Power Electronic Converters
3.1. Topology of Power Electronic Converters
As the amount of the installed VSWT increased, so has the importance of PECs in WECS since it is the interface between WTGs and the electrical grid [1,11,30]. There are three types of converters widely available in the current wind energy market: Back-to-back PWM converter, multilevel converter and matrix converter.
3.1.1. Back-to-back PWM Converters
Back-to-back PWM converter, which is also referred as ‘two-level PWM converter’, is the most conventional type among the PEC types for VSWT. As shown in Figure 5, it consists of two PWM-VSIs (voltage source inverters) and a capacitor in between. This capacitor is often referred as a ‘DC link capacitor’ or ‘decoupling capacitor’ since it provides a separate control in the inverters on the two sides, which are ‘machine’ and ‘grid’ side. In addition, it has lower cost due to its maturity [12].

(based on [12]).
However, the DC link capacitor also becomes the main drawback of the PWM converter because it decreases the overall lifetime of the system [31]. There are other disadvantages including switching losses and emission of high frequency harmonics, which results in additional cost in EMI-filters [1,12].
3.1.2. Multilevel Converters
Compared with two-level PWM converter, multilevel (ML) converter has three or more voltage levels, which results in lower total harmonic distortion (THD) than back-to-back PWM converter does [32]. In addition, ML converter offers higher voltage and power capability, which advocates the trend of ‘Multi-MW’ wind turbine [1,33]. Another advantage is that switching losses are smaller in ML converter than two-level PWM converter by 25% [34].
One of the disadvantages on ML converter is the voltage imbalance caused by the DC link capacitors [35,36]. Another disadvantage in some ML converter designs is uneven current stress on the switches due to its circuit design characteristic. The cost associated with the high more number of switches and the complexity of control are two other drawbacks.
Since the first proposed design of ML converter, the neutral-point clamped three-level converter in 1981 [36,37], there have been various designs for ML converters including the followings [33,35,36,38]:
- Neutral Point Clamped (NPC) ML converter
- Cascade Half-Bridge (CHB) ML converter
- Fly-capacitor (FLC) ML converter
The detail of each design, which is beyond the scope of this paper, can be found in the literatures [33,35,36,38].
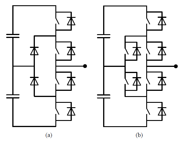
Out of these three ML converter designs, NPC ML converter is commonly utilised in WECS, especially in multi-MW scale WECS, due to its maturity and advantages [36,39]. Main drawback exists, however, with 3LNPC (3 level-NPC) design, which is the uneven loss distribution among the semiconductor devices, limiting output power of the converter [40,41]. This drawback has been overcome with the replacement of the clamping diode with the active switching devices. This modified design of NPC is referred as ‘Active NPC’ (ANPC), which was first introduced in 2001 [41,42], as shown in Figure 6. There are many advantages of ANPC including higher power rating than normal NPC by 14% [40] and robustness against the fault condition [43].

on [12,36]).
3.1.3. Matrix Converters
Matrix converters have a distinct difference from the previous two converters in a way that it is an AC-AC converter without any DC conversion in between, which indicates the absence of passive components such as the DC link capacitor and inductor in the converter design. As shown in Figure 7, the typical design of matrix converters consists of 9 semi-conductors that are controlled with two control rules to protect the converter; three switches in a common output leg must not be turned on at the same time and the connection of all the three output phases must be made to an input phase constantly [12]. There are some advantages of matrix converters. The absence of DC link capacitor results in increased efficiency and overall life time of the converter as well as the reduced size and cost compared with PWM-VSI converter [4,44]. The thermal characteristic of the matrix converter is also another advantage since it can operate at the temperature up to 300°C, which enables to adopt new technologies such as high temperature silicon carbide devices [44]. On the other hand, some of the reported disadvantages include; the limitation on the output voltage (86% of the input voltage), its sensitivity to the grid disturbances and rapid change of the input voltage, higher conducting losses and higher cost of the switch components than PWM-VSI converter [12,32]. Further technical details of matrix converter can be found in [44].

[12,45]).
3.1.4. Discussion on PEC
In this section, the PECs will be discussed with the criteria such as their power loss, loss distribution, efficiency, harmonic performance and cost.
In terms of power losses, it is widely reported that ML VSCs have less power losses than 2L VSIs with 3-Level Neutral Point Clamped VSIs (3L-NPC) having even lower amount of losses over 3-Level Flying Capacitor VSIs (3L-FLC) [46-48]. This advantage of 3L-NPC, however, inherits poor power loss distribution, which is the main drawback of 3L-NPC as mentioned previously.
Loss distribution is an important aspect in PEC since uneven loss distribution means uneven stress distribution among the semiconductor devices and this results the most stressed switching device to limit the total output power and switching frequency [49]. In [46,47], uneven loss distribution of 3L-NPC is reported along with other topologies such as 2L-VSI and 3L-FLC, which have even distribution. As mentioned previously, ANPC is the topology to reduce the unevenness among the switching devices and it is reported that 3L ANPC possess an advantage of 3L-FLC on its natural doubling of switching frequency, without flying-capacitors [50].
Harmonic performance is another crucial criterion of PEC, especially for WECS as the impact of WECS on power quality of the power grid is increasing due to its increasing penetration level. The comparison on harmonic performance is commonly measured by total harmonic distortion (THD) or weighted THD (WTHD). A comparison on THD of 2L-VSI, 3L-NPC and matrix converter with PMSG is undertaken in [51] and 3L-NPC provides the lowest value of THD among the three topologies. This result verifies that THD decreases with increasing number of levels [46].
Different PEC topologies consist of components with variable numbers and sizes that result variation in cost. Although 2L-VSI has less number of components compare to ML VSIs, it is estimated to be more costly due to its large LC filter, which is the result of compromise for high efficiency and low THD that ML can achieve with smaller LC filter [47,48]. Matrix converters would lie in between 2L VSIs and 3L VSIs since it has smaller number of semiconductors and LC filters are required to minimise the switching frequency harmonics [52]. The cost estimation would be similar for both 3L-NPC and 3L-FLC since the excessive cost for the larger LC filter and semiconductors would be compensated with the cost for flying capacitors by considering the cost estimation in [47] with the constant switching frequency. In [53], comparison between 3L-ANPC and 3L-NPC is conducted with different IGBT ratings available in the market. In the literature, it is found that 3L-NPC is most economical (i.e. lest cost per MVA) with 2.3 kV IGBT modules at any switching frequency between 300 Hz to 1050 Hz. However, 3L-ANPC becomes more cost-effective with 3.3 kV and 4.16 kV at switching frequency over 750 Hz.
In summary, it is evident that 3L-ANPC is a very attractive PEC topology for WECS, which is increasing its power rating, operates with high switching frequency (typically 2~5 kHz [47,51,54-57]) and requires low harmonic emission.
3.2. Modulation Methods
Along with the converter topologies, there are some modulation strategies available to produce a desired level of output voltage and current in lower frequency. Pulsewidth modulation (PWM) is one of the most widely used modulation strategies for PEC with AC output, hence, this section will focus on PWM schemes for ML converters.
While the primary goal of PWM is to produce a targeted low-frequency output voltage or current, it is also essential for PWM schemes to minimise the impact on the quality of the output signals such as harmonic distortion.
Among the vast amount of proposed PWM schemes, majority of them can be categorised into the following three types despite of different converter topologies [33,36,53]:
- Carrier-Based PWM
- Space Vector Modulation (SVM)
- Selective Harmonic Elimination (SHE)
These three PWM strategies will be explained in detail on the next section.
3.2.1. Carrier-Based PWM
Carrier-based PWM strategy has been widely utilised as the basic logic of generating the switching states is simple. The basic principle is to compare a low frequency sinusoidal reference voltages to high frequency carrier signals, then produce the switching states every time the reference signal intersects carrier signals. The number of carrier signals is defined as (N-1), where N is the number of the level of multi-level VSI (eg. N = 3 for 3-Level NPC VSI) [58].
The basic control diagram and modulation signals of 3-Level VSI are represented in Figure 8.

from [36]).
From the conventional schemes, there are some modified techniques proposed with multi level or multi-phase methods in order to reduce distortion in ML inverters [59]. Basic concepts of those are shown in Figure 9.

from [33]).
3.2.2. Space Vector Modulation (SVM)
Space vector modulation (SVM) is the PWM method based on the space vector concept with d-q transformation that is widely utilised in AC machines. With the development of microprocessors, it has become one of the most widely used PWM strategies for three phase converters due to some of its advantages including high voltage availability, low harmonics, simple digital implementation and wide linear modulation range, which is one of the main aims of PWM [4,47,60].
There are N3 switching states in N-level PWM inverter so in the case of 3-Level NPC VSI, there are 27 (= 33) possible switching states. As shown in Figure 10, these switching states define reference vectors, which are represented by the 19 nodes in the diagram with the four classification of ‘zero’ (V0), ‘small’ (VSi), ‘medium’ (VMi) and ‘large’ (VLi), where i = 1,2,…,6 [61]. The difference between the numbers of the switching states and space vectors indicate that there is redundancy of switching states existing for some space vectors. As indicated in Figure 10, one ‘zero’ space vector (i.e. V0) can be generated by three different switching states and six ‘small’ space vector (i.e. VSi) by two different switching states each. These redundancies provide some benefits including balancing the capacitor voltages in 3L-NPC VSI [36].

NPC converter (based on [61]).
The basic principle of SVM is to select three nearest vectors that consist of a triangle in the space vector diagram that the tip of a desired reference vector is located, and generate PWM according to the switching states of those selected vectors. There are many researches on SVM to improve on various aspects such as the improvement in neutral point (NP) balancing at higher modulation indexes [62] and the reduction of the size of DC-link in control loop for renewable application such as WECS [63].
3.2.3. Selective Harmonic Elimination
The basic principle is to calculate N number of switching angles that are less than π/2 for a N-Level inverter through N number of the nonlinear equation with Fourier expansion of output voltage [64]. One equation is used to control the fundamental frequency through the modulation index and the other N-1 equations are used for elimination of the low order harmonics components [59]. In the case of 3-Level VSI, 5th and 7th harmonic components are the two lowest-order harmonics to be eliminated since 3rd harmonic component is cancelled by the nature of three-phase [53]. Figure 11 depicts an example of the 3-Level SHE with 3 switching angles, a1, a2 & a3 [36].

It is well-known that SHE strategy provides good harmonic performance in spite of the low switching frequency due to its harmonic elimination nature [53,65]. Another advantage is the reduction on its switching loss due to the low switching frequency [36]. However, there are some disadvantages exist including its heavy computational cost and narrow modulation range [59,65]. There are many researches on SHE such as NP balancing for 3L NPC [36] and the increase of the number of eliminating low-order harmonics with simple in formulation [66].
3.2.4. Discussion on Modulation Method
Among the three modulation methods discussed above, CB-PWM [67-70] and SVM [32,56,71-74] are widely utilised in WECS. However, SHE strategy has not been utilised in WECS to the best knowledge of the author despite of its active researches with resent PEC technologies such as 5-Level ANPC VSI [75]. The authors in [53] suggest the combination of using 2L SVM and SHE schemes for the switching frequency fsw ≤ 500 Hz whereas the combination of 2L SVM and 3L SVM for fsw >500 Hz due to their performances with respect to the modulation index and switching frequency. This could be one reason for SHE schemes not to be utilised in WECS where high switching frequency is used.
However, if the reason of high switching frequency in WECS is for the quality of output power, lower switching frequency can be adapted with SHE strategy in WECS for high quality of output power. This would increase the efficiency of WECS due to less switching losses and also this will reduce a cost of filter circuits since the size of the filter would be smaller with the nature of harmonic elimination of SHE.
4.Issues on Grid-Connection
4.1. The Utility Grid and WECS
In the utility grid, some grid disturbances such as voltage dips often occur. In the past, grid connected wind turbines needed to be disconnected from the grid when such disturbances happened in order to protect themselves from damages. However, as the penetration level of wind energy has been increasing, especially in the last decade, the role of WECS on the grid has been transforming from minor power source to main power supply stations such as coal-fired power stations along with the new grid codes. Fault Ride Through (FRT) capability under voltage dip is one of the main focus of the new grid codes that came into effect by the German utility company, E.ON, in Germany in 2004 [4] and in other countries [76]. Another focus of the new grid code is the requirement for wind turbines to support the power quality control on the grid such as voltage/frequency stability control, active/reactive power regulation, harmonics/interharmonics emission and flicker emission and so forth [77-79]. International Electrotechnical Commission (IEC) has also released standards on power quality for gridconnected wind turbines, which are IEC 61400-21 in 2001 and its second edition in 2008 [80].
The following section will discuss three grid-connection issues that are most frequently reported and investigated in wind energy field, which are voltage dip, harmonic emission and flicker.
4.2. The Three Main Issues in Grid-Connected WECS
4.2.1. Voltage Dip
Voltage dip, also referred as voltage sag, is a phenomenon that the voltage of the grid drops below the normal rms level (down to 0.1-0.9 p.u.) for a short duration (typically 0.5 30 cycles) [81,82]. It is a critical issue for wind turbines because the voltage dip can initiate abnormal behaviours in the generator and PEC, which can result in permanent damages [83]. Therefore it is regarded as a significant technical challenge for wind turbine manufacturers [81]. Under the new grid codes, wind turbines are expected to have reasonable FRT capability, which is to support the grid under the voltage dip as well as to protect themselves from being damaged. Figure 12 represents a typical FRT capability curve by E.ON [84]. Wind turbine must stay connected until the state (i.e. voltage-time) is placed below the solid line in the figure in order to support the grid. There have been various attempts on FRT capability including crowbar protection, GSC and MSC controllability, and so forth, and further details on FRT capability can be found in the literatures [16,83,85-88].

Nets [84]).
4.2.2. Harmonic Emission
Harmonic emission is another crucial issue for gridconnected wind turbines because it may result in voltage distortion and torque pulsations, which consequently causes overheating in the generator and other problems [89]. Although wind turbines emit low-order harmonics by nature, self-commutated converters used in modern VSWTs can filter out this low-order harmonics. However, these self-commutated converters introduce high-order harmonics instead. In addition, interharmonics, which is non-integer harmonics [90], is another type of harmonic emission by WTCSs [91]. It contributes to the level of the flicker and has an interference with control and protection signals in power lines [92], which are regarded as the most harmful effects on the power system.
Wind turbine power quality standard IEC 61400-21 2nd edition released in 2008, along with harmonic measurement standard IEC 61000-4-7, provides the requirements for on current harmonics, current interharmonics and higher current components to be measured and reported in modern WECSs [80,93,94].
4.2.3. Flicker
Flicker is another issue on wind turbine associated with the grid. Flicker is defined as a measure of annoyance of flickering light bulbs on human, caused by active and reactive power fluctuation as a result of the rapid change in wind speed [89]. The standard IEC 61400-21 [93] requires flicker to be monitored in two operation modes; continuous operation and switching operation. The switching operation is the condition of cut-in and cut-out by wind turbine. It is reported that flicker is relatively less critical issue in VSWT; however, it needs to be improved for higher power quality. Further technical details can be found in [80,89,93].
5.Discussion
The onshore wind is the majority with the share of 98.8% of the current wind turbine market, in which 85% is utilising DFIG concept [3]. However, offshore wind has been gaining more and more attention due to its rich wind resource and hence, more researches are intensively being undertaken on offshore wind. Therefore, future wind turbine market is expected to have more number of offshore wind turbines with the brushless design such as PMSG, BDFIG and especially BDFRG, due to its high reliability as discussed previously. ‘Multi-MW’ trend is also observed and BDFRG seems to have favourable characteristic for this trend among the brushless WTG designs because of its reluctance rotor. The trend also affects on the design of PECs, resulting in the preference of ML converter, especially ANPC, due to its higher voltage capability, reduced switching losses and its cost effectiveness with IGBT modules with higher voltage rating. The increased concerns on harmonics, which is one of the discussed grid-connection issues, also make ML converter more attractive than other PEC topologies due to its lower harmonics emission. BDFRG is also reported to have lower harmonic emission to the grid, making this technology greatly suitable to meet the demand of the current and the future wind energy market [19].
6.Conclusions
This paper has reviewed the three major aspects of WECS from electrical perspective; wind turbine generators (WTGs), power electrical converters (PECs) and grid-connection issues with the comparison of the six WTG types in five criteria, the discussion of the three PECs in four criteria along with three available PWM strategies and the three current market trends, ‘Variable Speed’, ‘Multi-MW’ and ‘Offshore’.
One of the key findings of this review paper is that the newer concepts, BDFIG and BDFRG have great potential to come into the WECS market in the current and future wind energy market due to their attractive characteristics in line with the current trends of the wind energy market. Also, those newer generator concepts are reported to possess some benefits on grid-connection issues; however, there are currently few researches being undertaken. Hence, there need to be more researches on them with grid connection issues.
In terms of PECs, ANPC multilevel converter seems very attractive with the increasing wind turbine power rating and its characteristic with the grid. With PWM strategies for PECs, SVM appear to be widely utilised in WECS. It is found that SHE, which is another PWM strategy, has not appeared to be utilised in WECS despite of its benefits for power quality. Therefore, WECS with SHE seems to be another area that need to be investigated in the future.
REFERENCES
[1] J. M. Carrasco, et al., “Power-Electronic Systems for the Grid Integration of Renewable Energy Sources: A Survey,” IEEE Transactions on Industrial Electronics, Vol. 53, No. 4, 2006, pp. 1002-1016.
[2] J. L. Sawin and E. Martinot, “Renewables 2010—Global Status Report,” REN21, 2010.
[3] WWEA, “World Wind Energy Report 2009,” WWEA (World Wind Energy Association), 2010.
[4] R. Rechsteiner, “Wind Power in Context—A Clean Revolution in the Energy Sector,” 2008.
[5] F. Iov and F. Blaabjerg, “Power Electronics and Control for Wind Power Systems,” Proceedings of the IEEE Conference on Power Electronics and Machines in Wind Applications, Lincoln, 2009, pp. 1-16.
[6] M. Kazmierkowski, et al., “Control in Power Electronics: Selected Problems,” Academic Press, California, 2002.
[7] H. Polinder, et al., “Comparison of Direct-Drive and Geared Generator Concepts for Wind Turbines,” IEEE Transactions on Energy Conversion, Vol. 21, No. 3, 2006, pp. 725-733.
[8] H. Li and Z. Chen, “Overview of Different Wind Generator Systems and Their Comparisons,” Renewable Power Generation, Vol. 2, No. 2, 2008, pp. 123-138.
[9] A. D. Hansen and L. H. Hansen, “Wind Turbine Concept Market Penetration over 10 Years (1995-2004),” Wind Energy, Vol. 10, No. 1, 2007, pp. 81-97.
[10] H. Polinder, et al., “Basic Operation Principles and Electrical Conversion Systems of Wind Turbines,” EPE Journal, Vol. 15, No. 4, 2005, pp. 43-50.
[11] T. Ackermann, “Wind Power in Power Systems,” Wiley & Sons, Ltd, Chichester, 2005.
[12] L. Hansen, et al., “Conceptual Survey of Generators and Power Electronics for Wind Turbines,” Report from Risø National Laboratory, Roskilde, Denmark, 2001.
[13] A. D. Hansen and G. Michalke, “Multi-Pole Permanent Magnet Synchronous Generator Wind Turbines’ Grid Support Capability in Uninterrupted Operation during Grid Faults,” Renewable Power Generation, Vol. 3, No. 3, 2009, pp. 333-348
[14] J. Weinzettel, et al., “Life Cycle Assessment of a Floating Offshore Wind Turbine,” Renewable Energy, Vol. 34, No. 3, 2009, pp. 742-747.
[15] P. Bauer, et al., “Evaluation of Electrical Systems for Offshore Windfarms,” Industry Applications Conference, Vol. 3, 2000, pp. 1416-1423.
[16] S. Shiyi, et al., “Dynamic Analysis of the Brushless Doubly-Fed Induction Generator during Symmetrical Three-Phase Voltage Dips,” International Conference on Power Electronics and Drive Systems, Taipei, 2009, pp. 464-469.
[17] P. Camocardi, et al., “Autonomous BDFIG-Wind Generator with Torque and Pitch Control for Maximum Efficiency in a Water Pumping System,” International Journal of Hydrogen Energy, Vol. 35, No. 11, 2010, pp. 5778-5785.
[18] E. M. Schulz and R. E. Betz, “Use of Doubly Fed Reluctance Machines in Wind Power Generation,” 12th International Power Electronics and Motion Control Conference, Portoroz, 2006, pp. 1901-1906.
[19] M. Jovanovic, “Sensored and Sensorless Speed Control Methods for Brushless Doubly Fed Reluctance Motors,” Electric Power Applications, Vol. 3, No. 6, 2009, pp. 503 -513.
[20] R. E. Betz and M. G. Jovanovic, “Theoretical Analysis of Control Properties for the Brushless Doubly Fed Reluctance Machine,” IEEE Transactions on Energy Conversion, Vol. 17, No. 3, 2002, pp. 332-339.
[21] M. G. Jovanovic and R. E. Betz, “Power Factor Control Using Brushless Doubly Fed Reluctance Machines,” Industry Applications Conference, Rome, 2000, pp. 523-530.
[22] P. H. Mellor, et al., “A Wide-Speed-Range Hybrid Variable-Reluctance/Permanent-Magnet Generator for Future Embedded Aircraft Generation Systems,” IEEE Transactions on Industry Applications, Vol. 41, No. 2, 2005, pp. 551-556.
[23] G. M. Raimondi, et al., “Aircraft Embedded Generation Systems,” International Conference on Power Electronics, Machines and Drives, Bath, 2002, pp. 217-222.
[24] C. Wenping, et al., “Design of a Doubly-Fed Reluctance Machine for Wind Energy Generation,” International Conference on Electrical Machines and Systems, Wuhan, 2008, pp. 2443-2447.
[25] R. E. Betz and M. G. Jovanovic, “The Brushless Doubly Fed Reluctance Machine and the Synchronous Reluctance Machine—A Comparison,” IEEE Transactions on Industry Applications, Vol. 36, No. 4, 2000, pp. 1103-1110.
[26] A. Grauers, “Design of Direct-Driven Permanent-Magnet Generators for Wind Turbines,” Ph.D. Thesis, School of Electrical and Computer Engineering, Chalmers University of Technology, Göteborg, Sweden, 1996.
[27] M. Avis and P. Maegaard, “Worldwide Wind Turbine Market and Manufacturing Trends,” Report from XMIRE, 2008, pp. 1-23.
[28] S.-P. Breton and G. Moe, “Status, Plans and Technologies for Offshore Wind Turbines in Europe and North America,” Renewable Energy, Vol. 34, No. 3, 2009, pp. 646- 654.
[29] G. Watson, et al., “A Framework for Offshore Wind Energy Development in the United States,” Report from Offshore Wind Collanorative Organising Group (MTC, U.S. Department of Energy & GE), 2005.
[30] N. Mohan, et al., “Power Electronics: Converters, Applications, and Design,” John Wiley & Sons, Hoboken, 2002.
[31] L. G. González, et al., “Effects of the PWM Carrier Signals Synchronization on the DC-Link Current in Back to-Back Converters,” Applied Energy, Vol. 87, No. 8, 2010, pp. 2491-2499.
[32] R. Melício, et al., “Power Converter Topologies for Wind Energy Conversion Systems: Integrated Modeling, Control Strategy and Performance Simulation,” Renewable Energy, Vol. 35, No. 10, 2010, pp. 2165-2174.
[33] M. Malinowski, et al., “A Survey on Cascaded Multilevel Inverters,” IEEE Transactions on Industrial Electronics, Vol. 57, No. 7, 2009, pp. 2197-2206.
[34] M. Marchesoni and M. Mazzucchelli, “Multilevel Converters for High Power AC Drives: A Review,” IEEE International Symposium on Industrial Electronics, Budapest, 1993, pp. 38-43.
[35] A. Ruderman and B. Reznikov, “Three-Level H-Bridge Flying Capacitor Converter Voltage Balance Dynamics Analysis,” 13th European Conference on Power Electronics and Applications, Barcelona, 2009, pp. 1-10.
[36] J. Rodriguez, et al., “A Survey on Neutral Point Clamped Inverters,” IEEE Transactions on Industrial Electronics, Vol. 57, No. 7, 2009, pp. 2219-2230.
[37] A. Nabae, et al., “A New Neutral-Point-Clamped PWM Inverter,” IEEE Transactions on Industry Applications, Vol. IA-17, 1981, pp. 518-523.
[38] M. Hiller, et al., “A New Highly Modular Medium Voltage Converter Topology for Industrial Drive Applications,” 13th European Conference on Power Electronics and Applications, Barcelona, 2009, pp. 110.
[39] A. Faulstich, et al., “Medium Voltage Converter for Permanent Magnet Wind Power Generators up to 5 MW,” European Conference on Power Electronics and Applications, Dresden, 2005, p. 9.
[40] L. Jun, et al., “Application of Active NPC Converter on Generator Side for MW Direct-Driven Wind Turbine,” Applied Power Electronics Conference and Exposition (APEC), Palm Springs, 2010, pp. 1010 1017.
[41] N. Celanovic and D. Boroyevich, “A Comprehensive Study of Neutral-Point Voltage Balancing Problem in Three-Level Neutral-Point-Clamped Voltage Source PWM Inverters,” IEEE Transactions on Power Electronics, Vol. 15, No. 2, 2000, pp. 242-249.
[42] T. Bruckner and S. Bemet, “Loss Balancing in Three-Level Voltage Source Inverters Applying Active NPC Switches,” Power Electronics Specialists Conference, Vancouver, 2001, pp. 1135-1140.
[43] L. Jun, et al., “Three-Level Active Neutral-Point-Clamped (ANPC) Converter with Fault Tolerant Ability,” Applied Power Electronics Conference and Exposition, Washington DC, 2009, pp. 840-845.
[44] P. Wheeler, et al., “Matrix Converters,” Power Engineering Journal, Vol. 16, No. 6, 2002, pp. 273-282.
[45] S. M. Barakati, et al., “Maximum Power Tracking Control for a Wind Turbine System Including a Matrix Converter,” IEEE Transactions on Energy Conversion, Vol. 24, No. 3, 2009, pp. 705-713.
[46] D. Krug, et al., “Comparison of State-of-the-Art Voltage Source Converter Topologies for Medium Voltage Applications,” Industry Applications Conference, Berlin, 2003, pp. 168-175.
[47] X. Zeng, et al., “Design and Comparison of Full-Size Converters for Large Variable-Speed Wind Turbines,” European Conference on Power Electronics and Applications, Aalborg, Denmark, 2007, pp. 1-10.
[48] D. Krug, et al., “Comparison of 2.3-kV Medium-Voltage Multilevel Converters for Industrial Medium Voltage Drives,” IEEE Transactions on Industrial Electronics, Vol. 54, No. 6, 2007, pp. 2979-2992.
[49] T. Bruckner and D. G. Holmes, “Optimal Pulse-Width Modulation for Three-Level Inverters,” IEEE Transactions on Power Electronics, Vol. 20, No. 1, 2005, pp. 82- 89.
[50] D. Floricau, et al., “A Comparison of Efficiency for Three-Level NPC and Active NPC Voltage Source Converters,” Compatibility and Power Electronics, Badajoz, 2009, pp. 331-336.
[51] R. Melício, et al., “Harmonic Assessment of Variable- Speed Wind Turbines Considering a Converter Control Malfunction,” Renewable Power Generation, Vol. 4, No.2, 2010, pp. 139-152.
[52] P. W. Wheeler, et al., “Matrix Converters: A Technology Review,” IEEE Transactions on Industrial Electronics, Vol. 49, No. 2, 2002, pp. 276-288.
[53] J. A. Sayago, et al., “Comparison of Medium Voltage IGBT-Based 3L-ANPC-VSCs,” Power Electronics Specialists Conference, Rhodes, 15-19 June 2008, pp. 851- 858.
[54] X.-M. Guo, et al., “Direct Power Control for Wind-Turbine Driven Doubly-Fed Induction Generator with Constant Switch Frequency,” International Conference on Electrical Machines and Systems, Seoul, 2007, pp. 253-258.
[55] T. Takaku, et al., “Improved Wind Power Conversion System Using Magnetic Energy Recovery Switch (MERS),” Fourtieth IAS Annual Meeting Conference Record of the Industry Applications Conference, Vol. 3, 2005, pp. 2007 -2012.
[56] K. Won-Sang, et al., “Direct Power Control of a Doudly Fed Induction Generator with a Fixed Switching Frequency,” Industry Applications Society Annual Meeting, Edmonton, 2008, pp. 1-9.
[57] “Tjæreborg HVDC Light project,” ABB Power System, 2000.
[58] K. Jang-Hwan, et al., “A Carrier-Based PWM Method with Optimal Switching Sequence for a Multilevel Four-Leg Voltage-Source Inverter,” IEEE Transactions on Industry Applications, Vol. 44, No. 4, 2008, pp. 1239-1248.
[59] J. Rodriguez, et al., “Multilevel Inverters: A Survey of Topologies, Controls, and Applications,” IEEE Transactions on Industrial Electronics, Vol. 49, 2002, pp. 724-738.
[60] Z. Keliang and W. Danwei, “Relationship between Space-Vector Modulation and Three-Phase Carrier Based PWM: A Comprehensive Analysis [Three-Phase Inverters],” IEEE Transactions on Industrial Electronics, Vol. 49, No. 1, 2002, pp. 186-196.
[61] S. Busquets-Monge, et al., “The Nearest Three Virtual Space Vector PWM—A Modulation for the Comprehensive Neutral-Point Balancing in the Three-Level NPC Inverter,” Power Electronics Letters, Vol.2, No. 1, 2004, pp. 11-15.
[62] A. K. Gupta and A. M. Khambadkone, “A Simple Space Vector PWM Scheme to Operate a Three-Level NPC Inverter at High Modulation Index Including Overmodulation Region, with Neutral Point Balancing,” IEEE Transactions on Industry Applications, Vol. 43, No. 3, 2007, pp. 751-760.
[63] S. Busquets-Monge, et al., “Closed-Loop Control of a Three-Phase Neutral-Point-Clamped Inverter Using an Optimized Virtual-Vector-Based Pulsewidth Modulation,” IEEE Transactions on Industrial Electronics, Vol. 55, No.5, 2008, pp. 2061-2071.
[64] J. Pontt, et al., “Mitigation of Noneliminated Harmonics of SHEPWM Three-Level Multipulse Three Phase Active Front End Converters with Low Switching Frequency for Meeting Standard Ieee-519-92,” IEEE Transactions on Power Electronics, Vol. 19, No. 6, 2004, pp. 1594-1600.
[65] H. Bierk, et al., “Elimination of Low-Order Harmonics Using a Modified SHE-PWM Technique for Medium Voltage Induction Motor Applications,” Power & Energy Society General Meeting, Calgary, 2009, pp. 1-8.
[66] F. Wanmin, et al., “A Generalized Formulation of Quarter-Wave Symmetry SHE-PWM Problems for Multilevel Inverters,” IEEE Transactions on Power Electronics, Vol. 24, No. 7, 2009, pp. 1758-1766.
[67] J. L. Li, et al., “CPS-SPWM Flying Capacitor Three-Level Back-to-Back Converter Applicative Direct Drive Wind Power Generator System,” International Conference on Sustainable Power Generation and Supply, Nanjing, 2009, pp. 1-6.
[68] S. Hu, et al., “Research on a Kind of Diode-Clamped Cascade Topology in Direct-Driven Wind Power System,” Third International Conference on Electric Utility Deregulation and Restructuring and Power Technologies, Nanjing, 2008, pp. 2509-2514.
[69] G. S. Kumar and A. Kishore, “Dynamic Analysis and Control of Output Voltage of a Wind Turbine Driven Isolated Induction Generator,” IEEE International Conference on Industrial Technology, Mumbai, 2006, pp. 494-499.
[70] W. X. Lu and B. T. Ooi, “Optimal Acquisition and Aggregation of Offshore Wind Power by Multiterminal Voltage-Source HVDC,” IEEE Transactions on Power Delivery, Vol. 18, No. 1, 2003, pp. 201-206.
[71] X. Lie, et al., “Predictive Current Control of Doubly Fed Induction Generators,” IEEE Transactions on Industrial Electronics, Vol. 56, No. 10, 2009, pp. 4143-4153.
[72] Y. Zhenhuan and L. Hui, “Research on the Control Strategy of Four-Multiple Grid Connected Converter for Large-Scale Wind Energy Conversion System,” International Conference on Electrical Machines and Systems, Wuhan, 2008, pp. 2484-2488.
[73] H. Karimi-Davijani, et al., “Active and Reactive Power Control of DFIG Using SVPWM Converter,” 43rd International Universities Power Engineering Conference, Padova, pp. 1-5.
[74] M. Malinowski, et al., “Control of Variable-Speed Type Wind Turbines Using Direct Power Control Space Vector Modulated 3-Level PWM Converter,” IEEE International Conference on Industrial Technology, Mumbai, 2006, pp. 1516-1521.
[75] S. R. Pulikanti and V. G. Agelidis, “Control of Neutral Point and Flying Capacitor Voltages in Five-Level She-PWM Controlled ANPC Converter,” 4th IEEE Conference on Industrial Electronics and Applications, Xi’an, 2009, pp. 172-177.
[76] M. Tsili and S. Papathanassiou, “A Review of Grid Code Technical Requirements for Wind Farms,” Renewable Power Generation, Vol. 3, No. 3, 2009, pp. 308-332.
[77] F. Iov, et al., “Mapping of Grid Faults and Grid Codes,” Risoe National Laboratory, Denmark, 2007.
[78] I. M. de Alegría, et al., “Connection Requirements for Wind Farms: A Survey on Technical Requierements and Regulation,” Renewable and Sustainable Energy Reviews, Vol. 11, No. 8, 2007, pp. 1858-1872.
[79] T. T. Sokratis and A. P. Stavros, “An Investigation of the Harmonic Emissions of Wind Turbines,” IEEE Transactions on Energy Conversion, Vol. 22, No. 1, 2007, pp. 150-158.
[80] H. Emanuel, et al., “Power Quality Measurements of Wind Energy Converters with Full-Scale Converter According to Iec 61400-21,” 10th International Conference on Electrical Power Quality and Utilisation, Lodz, 2009, pp. 1-7.
[81] A. Mullane, et al., “Wind-Turbine Fault Ride-Through Enhancement,” IEEE Transactions on Power Systems, Vol. 20, No. 4, 2005, pp. 1929-1937.
[82] M. Bollen, “Understanding Power Quality Problems: Voltage Sags and Interruptions,” IEEE Press, New York, 2000.
[83] J. Lopez, et al., “Dynamic Behavior of the Doubly Fed Induction Generator during Three-Phase Voltage Dips,” IEEE Transactions on Energy Conversion, Vol. 22, No. 3, 2007, pp. 709-717.
[84] “Grid Code-High and Extra High Voltage,” E.ON Netz. GmbH, Bayreuth, 2006.
[85] M. Rahimi and M. Parniani, “Grid-Fault Ride-Through Analysis and Control of Wind Turbines with Doubly Fed Induction Generators,” Electric Power Systems Research, Vol. 80, No. 2, 2010, pp. 184-195.
[86] X.-P. Yang, et al., “Low Voltage Ride-Through of Directly Driven Wind Turbine with Permanent Magnet Synchronous Generator,” Power and Energy Engineering Conference, Wuhan, 2009, pp. 1-5.
[87] S. M. Muyeen, et al., “Low Voltage Ride-Through Capability Enhancement of Wind Turbine Generator System during Network Disturbance,” Renewable Power Generation, Vol. 3, No. 1, 2009, pp. 65-74.
[88] P. S. Flannery and G. Venkataramanan, “Unbalanced Voltage Sag Ride-Through of a Doubly Fed Induction Generator Wind Turbine with Series Grid-Side Converter,” IEEE Transactions on Industry Applications, Vol. 45, No. 5, 2009, pp. 1879-1887.
[89] P. Sorensen, et al., “Power Quality Issues on Wind Power Installations in Denmark,” Power Engineering Society General Meeting, Tampa, 2007, pp. 1-6.
[90] “Electromagnetic Compatibility (EMC)—Part 2: Environment—Section 1: Description of the Environment—Electromagnetic Environment for Low-Frequency Conducted Disturbances and Signalling in Public Power Supply Systems,” IEC/TR61000-2-1, 1990.
[91] R. Langella, et al., “On the Assessment of Light Flicker Due to the Interharmonic Distortion Produced by Wind Turbines,” International Conference on Clean Electrical Power, Capri, 2007, pp. 529-535.
[92] Z. Hanzelka and A. Bien, “Power Quality Application Guide: Harmonics & Interharmonics,” A guide material by Leonardo Power Quality Initiative, Copper Development Association, 2004.
[93] “Wind turbines—Part 21: Measurement and Assessment of Power Quality Characteristics of Grid Connected Wind Turbines,” IEC61400-21, 2008.
[94] E. Gunther, “Harmonic and Interharmonic Measurement According to IEEE 519 and IEC 61000-4-7,” Transmission and Distribution Conference and Exhibition, Dallas, 2006, pp. 223-225.