Published by David Mueller, Manager, Power System Studies, Electrotek Concepts Inc., Knoxville, Tennessee, USA
Email: dmueller@electrotek.com
Published in: 2007 9th International Conference on Electrical Power Quality and Utilisation
Abstract
Transmission systems around the world are increasingly applying capacitor banks on their transmission systems, primarily to support transmission systems and avoid voltage collapse issues leading to blackouts. Another trend is the utilization of underground cable to obtain right of way in corridors sensitive to overhead lines. These trends both leads to harmonic resonance issues. This paper presents three separate case studies of different situations and concludes with some of the general principles that can be derived from an examination of diverse case studies.
Keywords—harmonics; modeling; C-filter; damping; harmonic source characteristics; underground cable; HVDC; transmission; capacitor banks
HARMONIC RESONANCE ON TRANSMISSION SYSTEMS
The study of harmonic resonance issues on transmission systems is unique and difficult for a variety of reasons. First, the transmission system involves a large model that presents practical difficulties for computer simulations. Second, the transmission system can be operated under a variety of contingencies and generation dispatch that leads to different short circuit levels and impedance characteristics. Third, determining the damping affect of loads on the system is important to the results. Finally, transmission system capacitor banks are multi-staged which allows for different harmonic filter configurations, such as the C-filter.
This paper presents three separate case studies of different situations, all illustrating the unique aspects of transmission system harmonic studies as mentioned above. The case studies include the following diverse selection:
- A European wind farm with an underground transmission system and its affect (under various system contingency configurations) on expected harmonic
- The operation of an HVDC system in China leading to transmission system capacitor bank failures. The study shows how the cause of the problem was analyzed and how mitigation methods for the existing substation, and how that strategy might be modified for newer installations.
- High harmonic voltage distortion (Vthd>10%) on a transmission capacitor bank in North America under system line outage conditions. The case includes analysis of a large network model and mitigation methods.
UNDERGROUND TRANSMISSION CONNECTION TO A WINDFARM
A windfarm under construction included 41 total turbines, each with a 2MW capacity. The site was located in a coastal area with excellent wind energy potential. The connection to the transmission system involved a new line of over 20km. Planning permission to install an overhead line was stalled; so to avoid a financial calamity the windfarm developer began planning an underground transmission line.
The transmission grid operator began studying the affects of the 20km underground transmission connector. Three-core cable has much higher capacitance than overhead line, directly as a result of much closer cable spacing. At transmission voltage levels this capacitance becomes very significant, leading to concerns for harmonic resonance.
A preliminary study by the electric utility showed that the cable did introduce harmonic resonance, particularly under a contingency of one-line out, when the resonance was near the 5th harmonic frequency. From this study the electric transmission operator was reluctant to allow the interconnection of the windfarm via the underground cable. Electrotek was hired to perform additional consulting and analysis of the situation.
Harmonic Modeling Software
The SuperHarm™ harmonics package, as developed by Electrotek Concepts, was utilized to perform all of the harmonics analysis. The software utilizes an “admittance matrix solver” approach in combination with constant current sources for harmonic generation. These afore mentioned techniques allow for a direct solution of harmonic response. The software package has been sold for over 12 years and has been extensively benchmarked with test cases for solution accuracy. Electrotek maintains a technical resource area, http://www.pqsoft.com, for users to share technical knowledge on power system simulations. Additionally, the company conducts system studies and training on harmonic analysis.

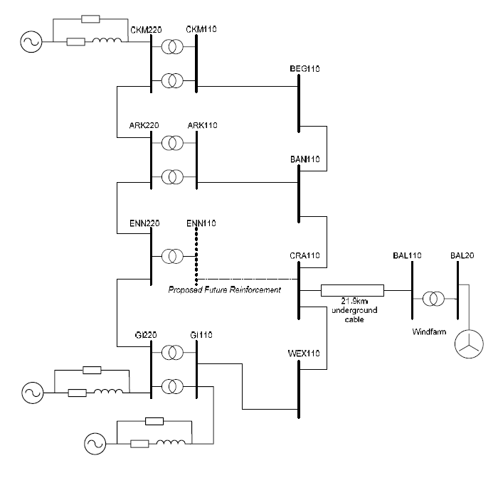
Figure 1 – Network equivalent model
Network Model
A reduced network equivalent model of the entire transmission grid system was developed as shown in Figure 1. The model included Thevenin equivalents at three different supply points, based on short circuit models and studies from the PTI/PSSE software.
The original study similarly used a reduced network for the analysis. The revised network for this later study expanded the original model, providing more detail to evaluate future network improvements and contingencies. The expanded model also allowed harmonic source equivalents to be dispersed about the network, and provided the means to evaluate the resonance concerns on nearby network locations that might have been affected by the interconnection cable or proposed harmonic solutions.
Damping Improvements
Digital computer simulations of power system phenomena at harmonics and other frequencies above nominal (50Hz) tend to present pessimistic (under damped) responses. This is because the ideal mathematical models for components such as lines, cables, transformers, and loads do not typically include enough consideration for frequency-dependant losses (such as skin effect). Generally, this concern is handled by comparing actual measurements with simulation results, and introducing damping elements to the model in order to achieve a closer comparison of the simulations with the measurements. In this particular case there is a not another cable to compare with the one being installed it is difficult to determine the appropriate amount of damping. Thusly, some conservative assumptions must be utilized, along with the consultant’s experience of other situations where some establish general guidelines.
One example of a general guideline that was utilized was the introduction of damping resistors across the Thevenin Equivalents, to provide some damping to the model at higher frequencies.
Harmonic Source Assumptions
Harmonic sources characteristics were developed from measurements taken on the network during a harmonics survey. These typical characteristics were applied at the grid substations as given in Table 1 below. Some adjustment was made on the less characteristic harmonics (3rd, 9th, 11th, 13th) to bring the predicted background levels into line with measurements that were obtained for key locations in the model.
Table 1 – Harmonic source characteristics
| Harmonic Number | Magnitude (% of Load) |
|---|---|
| 3 | 0.5 Balanced 3.0 Unbalanced |
| 5 | 3.2 |
| 7 | 1.5 |
| 9 | 0.2 |
| 11 | 0.4 |
| 13 | 0.2 |
Frequency Scan Results
Frequency scans, or “driving point impedance” plots, are frequently used in harmonic analysis to gain physical insight into the response of the network. Figure 2 shows results from various cases, including a line out-of-service contingency that results in resonance at the 5th harmonic frequency.

Figure 2 – Frequency scans of various contingencies
Harmonic Simulation Results
Frequency scan results have limitations, particularly on transmission systems where harmonic sources may be widely distributed and there are many possible sources of resonance. A full harmonic solution case is necessary, where the harmonic voltage distortion is evaluated at all network locations. Table 2 gives some partial results of the harmonic simulations shows that distortion exceeds standard levels when the new cable is installed and especially when one line is out of service.
Table 2 – Summary of harmonic simulation results
| Case | %THD | %H3 | %H5 |
|---|---|---|---|
| Existing | 1.36 | 0.2 | 1.1 |
| New Cable | 2.39 | 0.3 | 1.7 |
| Line 1 Out | 3.08 | 0.2 | 2.5 |
| Line 2 Out | 4.14 | 0.7 | 3.9 |
Solutions
The windfarm developer was interested in providing a harmonic filter that could mitigate the problems of the new underground cable. The filter would allow the connection to be maintained (and wind power sold to the system) under contingency conditions. Figure 3 below depicts the various filter arrangements studied, including a C-Type filter. Figure 4 below gives the frequency scans comparing the various solutions.

Figure 3 – Various filter topologies investigated

Figure 4 – Frequency scans of various solution alternatives
History Description
Repeated capacitor failures occurred at a tuned harmonic filter at a transmission substation, connected to the 525kV system. High levels of current were absorbed by the bank (THD=169%, Irms=200%) at the time of one of the failures. The current had an unusually high content of 4th harmonic frequency (Figure 5).

Figure 5 – Current and voltage waveform captured just prior to a failure of the bank
The timing of the incidents clearly identified mono-pole operation of a nearby HVDC terminal as the culprit of the failures. Figure 6 shows the trend of harmonic voltage THD at the affected substation during one of the events. DC bias, similar to that of GIC (Geomagnetic Induced Currents) phenomena, caused high transformer excitation currents rich in harmonic spectrum [1].

Figure 6 – Time trend of harmonic voltage distortion
System Description
The substation was connected to the 525/242kV system with a 750MVA autotransformer with a 34.5kV tertiary. The 34.5kV busbar supplied reactive compensation consists of three main units on the 34.5kV bus:
- 40.08MVAr, 41.57kVAr, 16.5mH (144Hz)
- 40.08MVAr, 38.11kVAr, 5.8mH (223Hz)
- 40.08MVAr, 38.11kVAr, 5.8mH (223Hz)
These units were initially designed to provide reactive power compensation while avoiding problems at characteristic (i.e. 3rd, 5th, 7th) harmonic frequencies, and also to minimize transient switching concerns. They were properly sized with higher voltage ratings to accommodate the voltage rise through the reactors.

Figure 7 – Frequency scan at the 34.5kV bus
Harmonic Simulation Results
Harmonic simulations confirmed that the configuration of the capacitor banks as harmonic filters results in a series resonant condition at the 4th harmonic frequency (Figure 7), where the bank absorbs excessive 4th harmonic current. During normal conditions there are very few sources of fourth harmonic current. However, during the monopole operation of the HVDC terminal the DC bias results in high transformer excitation current, rich in 4th harmonic content (Table 3).
Table 3 – Transformer full load current under DC bias
| H | Magnitude |
|---|---|
| 1 | 825.213 |
| 2 | 212.198 |
| 3 | 141.465 |
| 4 | 94.3101 |
| 5 | 35.3663 |
Figure 8 shows the simulation results for the waveforms of the voltage and currents (144Hz and 223Hz tuned units). The results show that even with just one transformer in DC bias (and the effect likely involved other units) the filter tuned near the fifth harmonic will absorb a high amount of fourth harmonic current.

Figure 8 – Simulation results for the 34.5kV bus
Solution
Simulations confirmed that the reconfiguration of the capacitor banks, either tuning all banks to 144Hz, or reconfiguring as C-Type filters would resolve this problem. For future banks it is probable that the 144Hz configuration is best although this requires higher voltage rated capacitors. For the existing bank it is easiest to reconfigure as a C-Type filter, as the existing capacitor bank can be reconfigured.
CAPACITOR BANK RESONANCE IN THE USA
Case History Description
Four identical 52.8MVAr capacitor banks are installed at a transmission substation serving a large city on separate and distinct buses that are numbered 1, 2, 3, and 4. During normal operation of the two banks on buses 2 and 4, voltage total harmonic distortion (THDv) was seen to range about 4-5%. While these levels are probably acceptable for short term operation, they exceed the recommended limits of the IEEE- 519 Standard [2] for harmonics as shown in Table 4 below.
Table 4 – IEEE-519 harmonic voltage limits
| Bus Voltage | Maximum Individual Harmonic Component | Maximum THD |
|---|---|---|
| 69kV and below | 3.0% | 5.0% |
| 115kV to 161kV | 1.5% | 2.5% |
| Above 161kV | 1% | 1.5% |
No appreciable harmonic distortion issues were detected from the operation of banks 1 and 3. A comparison in Table 5 of the available short circuit levels at the substation shows that banks 1 and 3 have a higher fault current availability and so they are less likely to cause harmonic resonance concerns.
Table 5 – Available fault levels at the substation
| Bus | 3 Phase MVAsc | 52.8MVAr H resonant |
|---|---|---|
| 1 | 4762 | 9.5 |
| 2 | 3189 | 7.8 |
| 3 | 4490 | 9.2 |
| 4 | 3117 | 7.7 |
Later, when the banks 2 and 4 were operated during a lineout contingency harmonic voltage distortion levels (THDv) of about 10% were experienced. At the same time the current harmonic distortion in the capacitor bank exceeded 50%. These levels of harmonic distortion are clearly detrimental to power quality, and should be avoided for all but the briefest periods of time (minutes). Also the nearby distribution substation experienced some nuisance tripping of protective devices.
The prudent step of reducing the size of Banks 2 and 4 was done by reducing one (of four) strings of parallel capacitor arrangements, derating the size of the bank to 39.6MVAr. A harmonic study of the situation was undertaken.
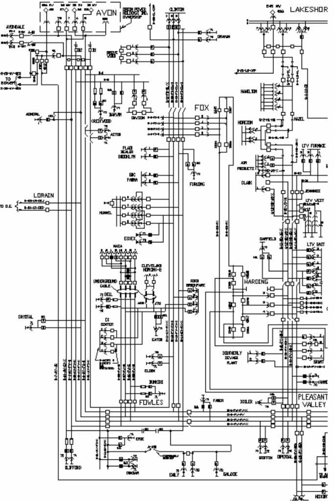
System Model
A fairly extensive transmission system network was used for the study. The figure below represents the part of the network that was included in the study. In the end the model included over 900 buses. As capacitor banks for reactive power compensation were distributed about the transmission system, it was necessary to develop such a large model. Impedance data for the model was imported from the short circuit model of the network and facilitated by spreadsheets and batch files. Every three-winding transformer of the system had to be checked against the original test reports, as the impedance values did not always transfer properly through the short circuit program.

Figure 9 – Partial diagram of the system modeled
Simulation Techniques
Loading information from various system buses was used to inject harmonic sources. Table 6 gives the harmonic source characteristics that were used as a percentage of the load. The harmonic source characteristics were adjusted to obtain agreement with available harmonic measurements.
The system supplies some very large industrial loads that contribute a relatively high percentage of harmonic loads. Ideally the largest industrial loads would be characterized for their harmonic content, but such detailed measurements were not available.
Table 6 – Harmonic source characteristics
| Harmonic Number | Magnitude (% of Load) |
|---|---|
| 3 | 0.5 |
| 5 | 8.0 |
| 7 | 3.0 |
| 9 | 0.3 |
| 11 | 1.5 |
| 13 | 1.0 |
Figure 10 depicts a list of simulation cases where various capacitor banks were in/out of service. Both frequency scans and simulation cases were run with the various configurations. These results allowed insight into the effects of different units. Some units would introduce objectionable resonance, other units would tend to alleviate problems by shifting resonance conditions.

Figure 10 – Case list of simulations
One factor critical to the analysis was considering contingency conditions, when various lines would be out of service. Lines going to substations with major capacitor banks are very important, as the fault level is often greatly reduced. This in turn affects resonant frequency, and is often a limiting factor in the design of the capacitor bank.
Study Results
Banks 1 and 3 have a strong enough supply that they are not expected to cause any harmonics problems. Even during one-line-out contingencies, the source is strong enough to avoid problems at the 5th or 7th harmonic frequencies.
Various frequency scans given the report showed that Buses 1 and 3 are affected by the operation of certain other capacitor banks, but not all of them. Many times these effects occurred at the 11th and 13th harmonic frequencies and were not found to create operational issues.
The distribution system had 36kV capacitor banks that were modeled in this study. In this particular case they were found to have little effect on the results. However, in a subsequent study of a different network area, distribution capacitor banks were found to have an important mitigating effect.
Some problems were encountered as some of the simulation results did not match well with the measurement results. Particularly on bus 4, it was found that the fault levels reflected contributions from large industrial motors and generators that were not always in service. The fault levels in the model were deemed to be higher than those actually available during the measurements. When some adjustments were made for these realistic conditions, the results matched more closely.
CONCLUSION
The study of harmonic resonance issues on transmission systems is unique and difficult for a variety of reasons. First, the transmission system involves a large model that presents practical difficulties for computer simulations. Second, the transmission system can be operated under a variety of contingencies and generation dispatch that leads to different short circuit levels. Determining the damping affect of loads on the system is important to the results. Finally, transmission system capacitor banks are multi-staged which allows for different harmonic filter configurations, such as the C-filter.
REFERENCES
[1] R.A. Walling, A.H. Khan; “Characteristics of transformer exciting current during geomagnetic disturbances”, IEEE Transactions on Power Delivery, Vol. 6, No. 4, October 1991.
[2] IEEE 519 “Recommended Practices and Requirements for Harmonic Control in Electric Power Systems” 1992.